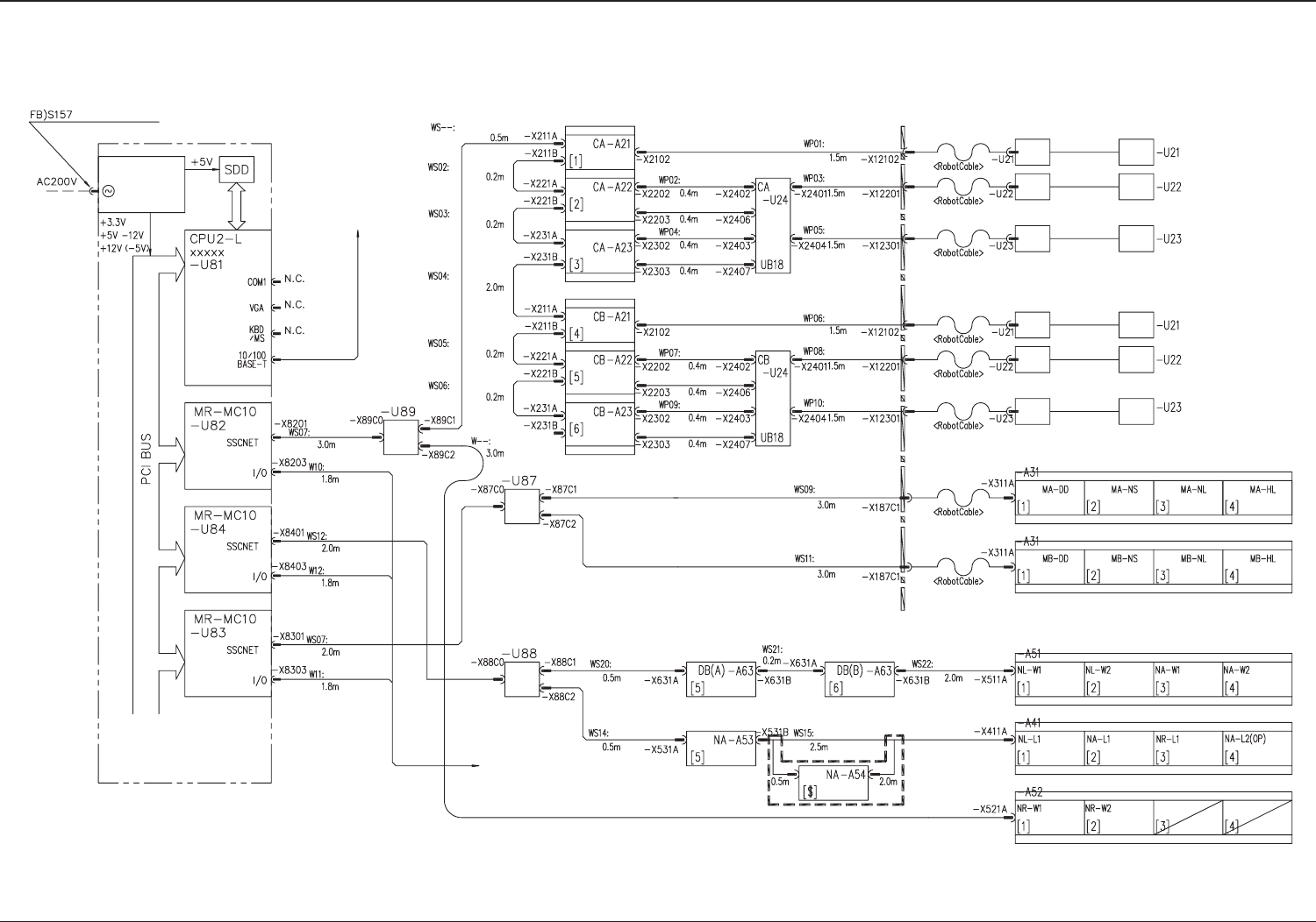
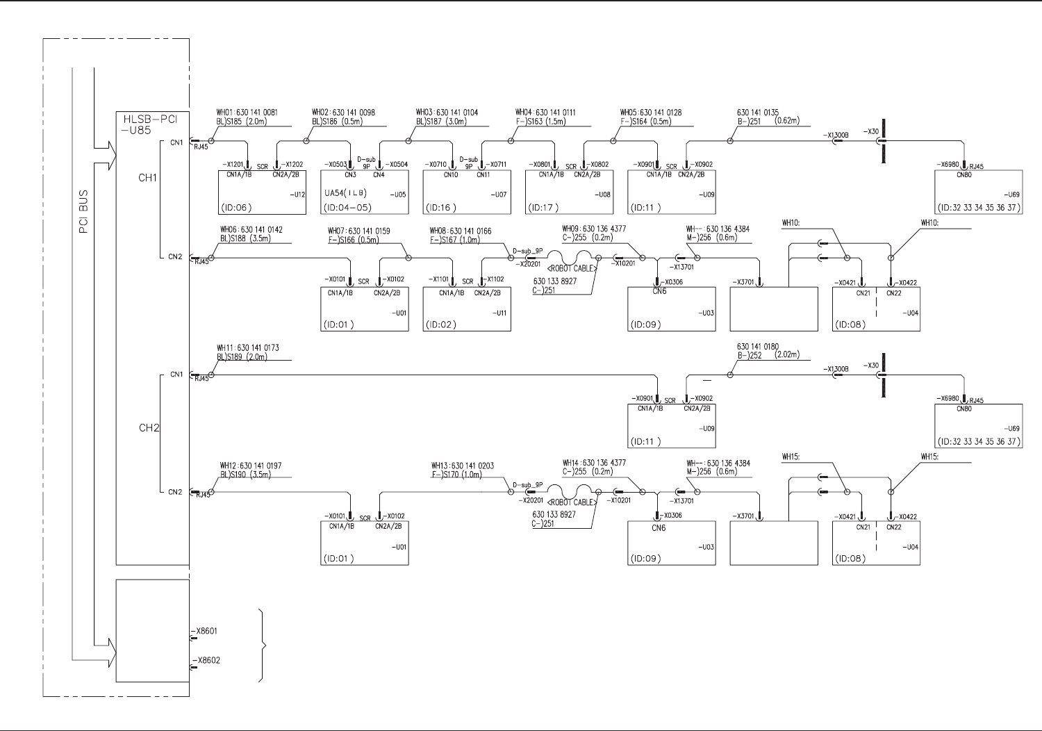
5OM-1348-002_w - 第162页
5-3 &38/⬊㓛䖳䌙᭮ 0606-001 C(M829JSB---0003) &38/⬊㓛䖳䌙᭮ UB32 (Power Supply Section) UA43 (Input/Output Machines) UB32 (Transfer) UB32 (Cutter Positioning, Rear) UB31 (Operation Panel, Rear) UB31 (Light T o…

5-2
&38/⬊㓛䖳䌙᭮
0606-001 A(M829JSB---0002)
&38/⬊㓛䖳䌙᭮
630 108 1861
630 133 8620
630 133 8286
630 133 8736
630 133 8309
630 133 8798
630 133 8293
630 133 8637
630 133 8644
630 133 8651
630 133 8668
630 133 8644
630 133 8651
630 133 8729
630 133 8682
630 133 8682
630 134 4416
630 133 8705
630 134 4423
630 134 4416
630 133 8705
630 134 4423
630 133 8675
630 133 8699
630 133 8712
630 133 8699
630 133 8712
630 134 6113
630 134 6120
630 133 8675
630 133 8750
630 133 8781
630 133 8743
630 133 8774
630 133 8767
(6-Axle X2ch)
(6-Axle X2ch)
(6-Axle X2ch)
To HUB (U72)
Cutter (B)Cutter (A)
Beam Y2
Beam Y1
Beam X
Beam Y2
Beam Y1
Beam X
To BL-U05 (UA54:ILB)
Conveyor A
Backup 1
Head #1
Head Rotation
Head #1
Nozzle Selection
Head #1
Head U/D
Head #1
Nozzle U/D
Conveyor L
Transfer
Conveyor A
Transfer 1
Conveyor A
Conveyor Width 2
Conveyor L
Conveyor Width 1
Conveyor L
Conveyor Width 2
Conveyor A
Conveyor Width 1
Head #1
Head Rotation
Head #1
Nozzle Selection
Head #1
Head U/D
Head #1
Nozzle U/D
Conveyor A
Backup 2
Conveyor R
Conveyor Width 2
Conveyor R
Conveyor Width 1
Conveyor R
Transfer
Conveyor A
Transfer 2
<Connector Relay Panel in Beam Section>
Linear
Encoder
Converter
Converter
Converter
Converter
Converter
Converter
Linear
Encoder
Linear
Encoder
Linear
Encoder
Linear
Encoder
Linear
Encoder

5-3
&38/⬊㓛䖳䌙᭮
0606-001 C(M829JSB---0003)
&38/⬊㓛䖳䌙᭮
UB32
(Power Supply Section)
UA43
(Input/Output Machines)
UB32 (Transfer)
UB32
(Cutter Positioning, Rear)
UB31
(Operation Panel, Rear)
UB31
(Light Tower)
Linear Measure Sensor
Slip Ring
UB32
(Cutter Positioning, Front)
Linear Measure Sensor
Slip Ring
UB22
(Head Movable Section)
Feeder Serial
-U86
UB31
(Operation Panel, Front)
For Feeder
UB34
(Feeder Base)
UB34
(Feeder Base)
UB22
(Head Movable Section)

5-4
&38⬊㓛䖳䌙᭮
0606-001 C(M829JSB---0006)
&38⬊㓛䖳䌙᭮
630 124 1722
630 133 8316
630 071 9925
630 134 0210
630 134 0227
630 108 1861
630 134 0234
630 123 7510
630 124 3948
630 124 3948
630 134 0203
630 124 4242
630 108 1861
630 135 9830
630 135 9823
630 108 1861
630 135 9830
To BL-U12 UB32 (-X1217)
External LAN
To FC-U91 (UB05)
Recognition CPU (X9104)
To FC-U91 (UB05)
Recognition CPU (X9103)
To FB (L)-U81
CPU2-L (CN3)
Selector
Track Ball
Keyboard
(Front Side)
(provided with
USB Hub)