文档中心
/
5OM-1348-002_w
5OM-1348-002_w - 第99页
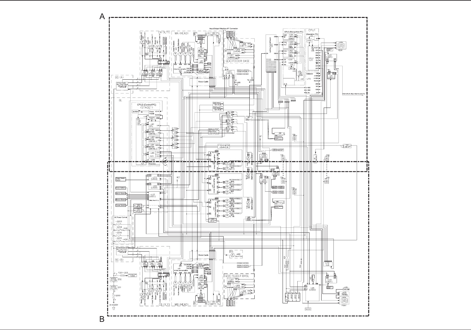
4-10 0612-002 㓑ঢ়ῶബ䖳 $ 䚽䆻㒛 㓑ঢ়ῶബ䖳 $ 䚽䆻㒛
目录
100%
显示:宽度
宽度
1 / 165
回到旧版
旧版
?
4-9
㓑ঢ়ῶബ䖳
0612-002
㓑ঢ়ῶബ䖳
4-10
0612-002
㓑ঢ়ῶബ䖳
$
䚽䆻㒛
㓑ঢ়ῶബ䖳
$
䚽䆻㒛
4-1
1
0612-002
㓑ঢ়ῶബ䖳
%
䚽䆻㒛
㓑ঢ়ῶബ䖳
%
䚽䆻㒛
该页面需要启用 JavaScript 才能进行交互式预览。