RS-1_RS-1-XL_RS-1R-Rev20 - 第234页
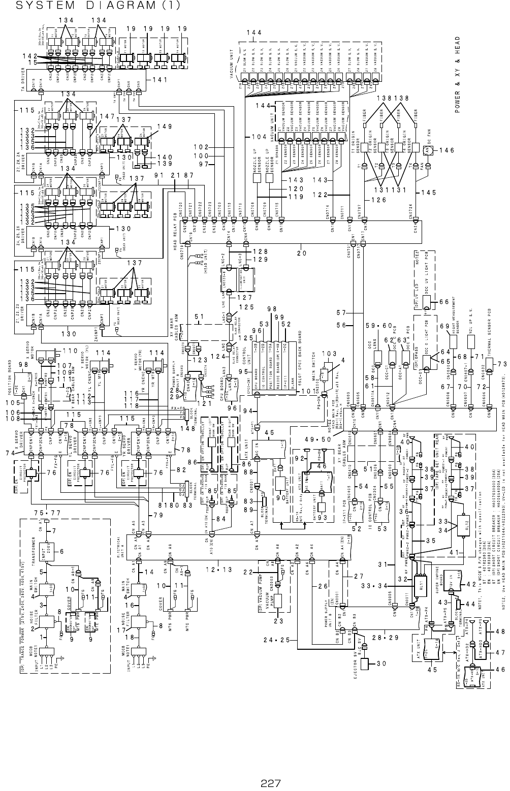
- - 114.SYSTEMDIAGRAM(1 )

- -
REF.NO NOTE PARTNO DESCRIPTION Qty
1 402-11593 LONG_BOARD_BU_SPONGE_ASM 1
2 402-11619 SPONGE_BASE (1)
3 402-11621 BU_SPONGE_BASE (1)
4 402-14192 BU_SLIDE_SHAFT (2)
5 401-96546 EMIGASKET (1)
6 401-28507 SLIDE_SHEET (1)
7 401-34189 MAGNET (4)
8 SM-4040601-SC SCREWM4X0.7L=6 (4)
9 SB-8080001-00 BEARING (2)
10 SM-6030802-TN SCREW (4)
11 RC-0740811-KP C-RING8(7.4) (2)
12 SM-1041001-SC SCREWM4X0.7L=10 (2)
13 400-99436 S_CARTON_L_SIZE (1)
14 E6953-861-B00 CONTENTLABEL (1)

- -
114.SYSTEMDIAGRAM(1)

- -
REF.NO NOTE PARTNO DESCRIPTION Qty
1 401-86993 BREAKER-NFWIREASM 1
2 HN-0040100-00 NOISEFILTER 1
3 401-86994 NF-SWWIREASM 1
4 401-88712 SWITCH 1
5 401-96242 SW-TF/MTSMTCWIREASM2 1
6 401-91280 TRANSFORMER 1
7 401-83414 TRANS-EUCABLEASM 1
8 401-28954 NF-FGWIREASM 1
9
#02
HK-0429900-7A CAP 2
10 401-94687 MTSPWRCABLE2ASM 1
11 401-83500 MTSPWRCABLEASM 1
12
#01
402-00913 ELECTRICALUNITA 1
13
#02
402-00914 ELECTRICALUNITAEN 1
14 401-82231 MS-ELECTRICALUNITCABLEASM 1
15
#08
401-90514 T1234POWERRELAYCABLEASM 4
16 401-86996 NF-SWWIREASM 1
17 401-91282 NOISEFILTER 1
18 401-86992 BREAKER-NFWIREASM 1
19
#07
401-36335 SERVOMOTOR30W 4
20 402-22386 HEADRELAYPCBASM 1
21 401-82252 HDR-ZAAMPPWRCABLEASM 1
22
#03
401-82264 VA CUUMPUMPRELAYWIREASM 1
23
#03
401-29244 VACUUMPUMPASM 1
24
#03
401-82214 ELEUNITCNA2-CNB3CABLEASM 1
25 402-01638 ELEUNITCNA2-CNB3CABLEASM 1
26 401-82232 EUCNA6-EUCNB2CABLEASM 1
27
#02
401-88159 EUCNA4-CN0001CABLEASM(EN) 1
28
#01
401-83536 POWERSUPPLYUNITBASM 1
29
#02
401-87824 POWERSUPPLYUNITBASM_EN 1
30 402-01639 EJECTORSVCABLEASM 1
31 401-82240 EUTOP-FXYBEARHDMPWRCABLEASM 1
32 401-98672 RFPWRCABLEASM1 1
33 EZ-1755690-11 RELAYPOWER(RJ1S-CLD-D24) 1
34 EZ-1755691-11 SOCKETRELAY(SJ1S-05B) 1
35
#03
401-98897 RFPWRCABLEASM5 1
36 401-98673 RFPWRCABLEASM2 1
37 402-71213 RFPOWERSUPPORTCABLE2 1
38 402-24877 RFPOWERSUPPORTCABLE 1
39 402-24878 RFPOWERFGCABLE 1
40 401-98674 RFPWRCABLEASM3 1
41
#03
401-98896 RFPWRCABLEASM4 1
42 401-97864 SUPERIMPOSEBO ARD 1
43 401-82271 ATX-SPIMPPWRCABLEASM2 1
44 HK-0693500-10 BLOCKTERMINAL 1
45 EZ-1468979-11 POWER(ENSP-300P-S20-11S) 1
46
#04
401-46346 ATXPSU 1
47
#04
402-62696 ATXHDCABLEASM 1
48
#04
402-62697 ATXHDRLYCABLE ASM 1
49
#05
402-22393 HEADMAINPCBASM 1
50
#06
401-28873 HEADMAINPCBASM 1
51 401-82272 XYBEARCABLE 1
52 401-90921 IP-X1 1SETGENASM(RS-1) 1
53 401-28871 IOCONTROLPCBASM 1
54 401-82238 IPX-FXYBEARCAMERACABLEASM 1
55 401-82239 IO-FXYBEARSERIALCABLEASM 1
56 401-82241 HDM-HDRSERIALCABLEASM 1
57 401-29105 HDM-HDRPWRCABLEASM 1
58 401-29102 HDM-OCCLCABLEASM 1
59 401-29639 OCC 1
60 402-22648 OCC LENS 1
61 401-29273 HDM-OCCLIGHTLCABLEASM 1
62 401-28879 OCC CPCBASM 1
63 401-28878 OCC APCBASM 1
64
#05
401-28880 OCCOPCBASM 1
65
#06
402-09932 OCCOLIGHTPCBASM 1
66 402-09934 OCCUVLIGHTPCBASM 1
67 401-29106 HDM-HMSLRELAYCABLEASM 1
68 401-29108 HMSCABLEASM 1
69 HD-0030600-00 SENSOR 1
70 401-85429 NZL-UPSVEXTENSIONCABLEASM 1
71 401-83349 NZL-UPSVCABLEASM 1
72 401-86318 HDM-TMPSENSORCABLEASM 1
73 401-28883 THERMALSENSORPCBASM 1
74 401-29652 XAXISDRIVER 1
75
#02
401-88160 CNA5-X/YL/YRCNP1CABLEASM 1
76
#02
HA-0065100-0A CIRCUITPROTECTOR 3
77
#01
401-82229 CNA5-X/YL/YRCNP1CA BLEASM 1
78 401-29654 YAXISDRIVER 2
79 401-82230 CNA3-AMPCNP2CABLEASM 1
80 401-82256 FXAMP-FGWIREASM 1
81 401-82257 FYLAMP-FGWIREASM 1
82 401-82258 FYRAMP-FGWIREASM 1
83 HK-0693500-10 BLOCKTERMINAL 2
84
#02
401-88158 EUBTM-BANKUPCABLEASM(EN) 1
85
#02
400-02344 BUPSHORTWIRE(EN)ASM 2
86
#03
400-02287 BA NKSWCABLEASSY 2
87 401-82253 HDR-ZBAMPPWRCABLEASM 1
88 401-86497 ATXRELAY-ATX250VCABLEASM 1
89 401-82255 EUTOP-ATXRELAYCABLEASM 1
90 EZ-1756647-11 BATTERYPACK(BS06A-H24/2.5L) 1
91 401-82254 HDR-ZCAMPPWRCABLEASM 1
92
#04
401-46346 ATXPSU 1
93
#04
401-46347 BATTERY 1
94 401-72724 ATX-CPCIWIREASM3 1
95 401-83537 CTRL_UNIT_ASM 1
96 401-23242 CPUBOARD 1
97 401-82222 HDR-TAAMPPWRCABLEASM 1
98 401-96265 POSITIONBOARD 1
99 401-35433 8-PORTCOMBOARD 1
100 402-33910 TAMP-HDRSERIALCABLEASM 1
101 401-72512 CPCIBACKBOARD6SLOT 1
102 401-82215 TACN5-CN0713CABLEASM 1
103 401-82233 ATX-SWCABLEASM 1
104 401-82251 HDR-SVCABLEASM 1
105 401-29627 OPTICALFIBERCABLE1M 1
106 401-82237 FXAMP-XYBEARENCCABLEASM 1
107 401-29148 X-MOTORENCCABLEASM 1
108 401-82234 FXAMP-YBEARPWRCABLEASM 1
109 400-44546 XMTRPWRCABLE 1
110 401-29653 XAXISMOTOR 1
111 401-82273 YBEARCABLE 1
112 400-45401 YLENCCA BLEASM 1
113 401-82269 YLMOTORCABLEASM 1
114 401-46348 YAXISSERVOMOTOR 2
115 401-29628 OPTICALFIBERCABLE0.15M 5
116 400-45403 YRENCCABLEASM 1
117 401-82270 YRMOTORCABLEASM 1
118 400-48070 OPTICALFIBERCABLE7M 1
119 402-11151 NZLUPSENSORCABLEASM 1
120 401-33003 NZLUPSENSOR6TRCABLEASM 1
121 401-33060 XYBEARAMPPWR-FGWIREASM 1
122 401-82220 HDR-SVCABLEASM2 1
123 401-82243 EUTOP-FXYBEARAMPPWRCABLEASM 1
124 401-36338 LANCABLE5M 1
125 HK-0849200-80 CONNECTOR 2
126 401-82558 CN0707-T1/T2/T3ORIGINCABLEASM 1
127 401-82216 LNCLANCABLEASM 1
128 401-82217 LNCENCODERCABLEASM 1
129 401-82218 HDR-LNCLEDCABLEASM 1
130 EZ-1492148-11 AMPLIFIERSERVO 3
131 401-94684 T1_T2_T3_T4ORIGINSENSORASM 4
132
#08
401-90511 Z1357ENCODERRELAYCABLEASM 4
133
#08
401-90510 Z1357POWERRELAYCABLEASM 4
134
#08
401-87431 SERVOMOTOR30W 13
135
#08
401-90513 Z2468ENCODERRELAYCABLEASM 4
136
#08
401-90512 Z2468POWERRELAYCABLEASM 4
137
#07
401-36334 SERVOMOTOR30W 8
138 401-83385 FIBERUNIT2M 4
139
#07
401-82565 ZCCN2ACABLEASM 1
140
#07
401-82563 ZCCNP2ACABLEASM 1
141 401-29650 4AXISINTEGRALTYPETAXISDRIVER 1
142
#08
401-90515 T1234ENCODERRELAYCABLEASM 4
143 401-89336 HDR-ZVACSENSORCABLEASM 1
144 402-23084 VACUUM_UNIT_G 1
145 401-82559 CN0724-T4ORIGINCABLEASM 1
146 402-08413 FANMOTO RASM 1
147
#08
401-82563 ZCCNP2ACABLEASM 1
148 401-82382 BLOCKTERMINAL 1
149
#07
401-87431 SERVOMOTOR30W 1