RS-1_RS-1-XL_RS-1R-Rev20 - 第238页
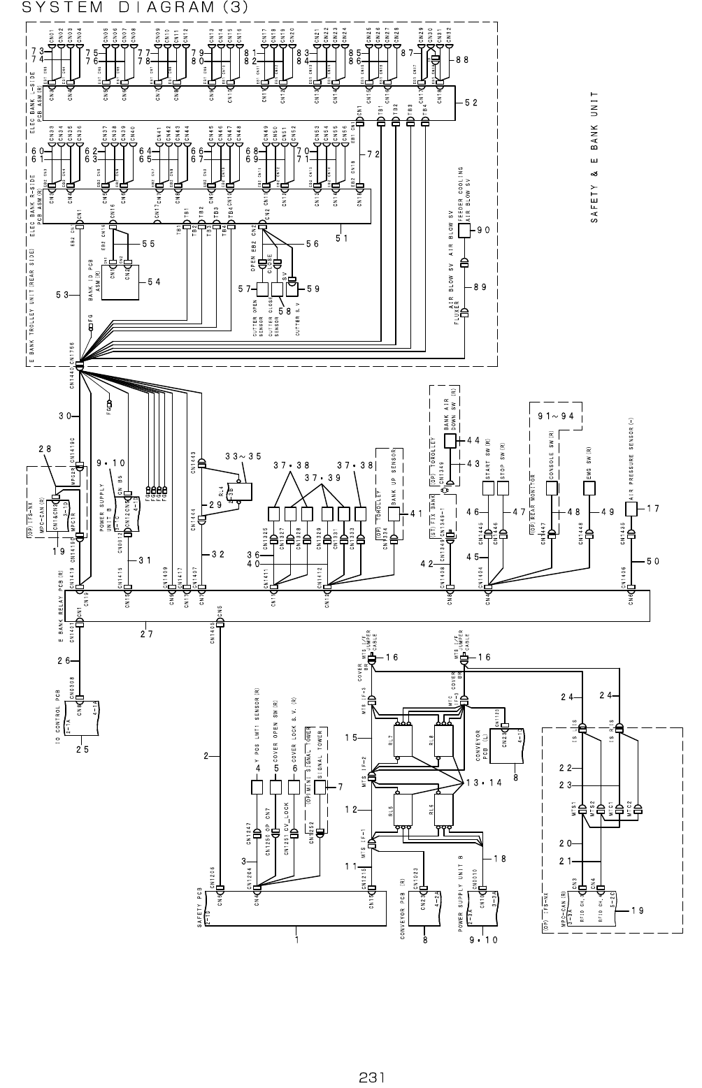
- - 116.SYSTEMDIAGRAM(3 )

- -
REF.NO NOTE PARTNO DESCRIPTION Qty
1 401-28871 IOCONTROLPCBASM 1
2 401-82247 IO-FBKRSERIALCABLEASM 1
3 401-28872 SAFETYPCBASM 1
4 401-29320 IO-SFSERIALCABLEASM 1
5 401-86309 FBKR-SFCABLEASM 1
6
#01
401-83536 POWERSUPPLYUNITBASM 1
7
#02
401-87824 POWERSUPPLYUNITBASM_EN 1
8 401-29011 EUTOP-SFPWRCABLEASM 1
9
#01
402-00913 ELECTRICALUNITA 1
10
#02
402-00914 ELECTRICALUNITAEN 1
11
#02
401-88157 EUBOTTOM-SFENCABLEASM 1
12 401-96265 POSITIONBOARD 1
13 401-90921 IP-X11SETGENASM(RS-1) 1
14 401-82224 SF-XYAMPRELAYCABLEASM 1
15 401-29652 XAXISDRIVER 1
16 401-33006 SFRELAY-FXAMPCABLEASM 1
17 401-29654 YAXISDRIVER 2
18 401-82823 SFRELAY-FYLAMPCABLEASM 1
19
#03
401-32990 COPLACPUBACKBOARDPCBASM 1
20
#03
401-92500 RELAY-YLAMPCABLEASMCOPLA 1
21 401-82225 IPXXENCRELAYCABLEASM 1
22
#03
401-90012 IPXX-ENCRELAYCABLEASM 1
23
#03
401-33044 IPXX-AXISENCCABLEASM 1
24
#03
401-32991 LIGHTCONTROLPCBASM 1
25
#03
401-90013 CAMERATRIGCABLEASM 1
26 401-29020 SF-OPSWRELAYWIREASM 1
27 401-29025 EMGSWCABLEASM 1
28 401-90601 STARTSWCABLEASM 1
29 401-90602 STOPSWCABLEASM 1
30
#03
401-94688 LASERCTRLCABLEASM 1
31
#03
401-29069 BKR-BANKAIRSWCABLEASM 1
32
#03
401-29023 CONSOLESWCABLEASM 1
33 401-90603 KEYSWCABLEASM 1
34 401-82244 SF-YFTOPSENSORRELAYCABLEASM 1
35 401-65028 XYLMTSENSORASM 3
36 401-29002 NEARSENSORCABLEASM 2
37 400-02254 COVEROPENSWCABLEASM 1
38 401-46405 COVERLOCKSVASM 1
39 401-29009 SIGNALTOWERCABLEASM 1
40
#03
401-29010 MINISIGNALTOWERCABLEASM(OP) 1
41 401-82249 SF-FXYBEARCABLEASM 1
42 401-82273 YBEARCABLE 1
43 401-29001 XLMTRELAYCABLEASM 1
44 401-86333 CUTTERSAFETYCABLEASM 1
45 HB-0018100-00 RELAY 1
46 HB-0004800-10 RELAY 1
47 HB-0002100-10 RELAYHOLOERPYC-A1 1
48 401-28876 EBANKRELAYPCBASM 1
49
#03
401-69048 MPC-CAN 1
50
#03
401-87771 MPCCABLEASM(RS-1) 1
51 401-82227 EBKR-OUTLOADERSERIALCABLEASM 1
52 401-82260 FBKR-AIR(P)RELAYCABLEASM 1
53 401-29071 AIR(P)SENSORCABLEASM 1
54 401-90364 FBKR-EUTOPPWRCABLEASM 1
55 401-84380 CN1307/1407-CN1344/1444CABLEASM 1
56 401-84106 CN1343/1344-RL4_5/9CABLEASM 1
57 401-85779 BKR-FDFLOATECABLEASM 1
58 401-82265 BKR-FDFLOATLEFTECABLEASM 1
59
#04
401-86919 SEPARATESENSORASM 6
60
#05
401-54796 SEPARATESENSORRECEIVERASM 3
61
#05
401-54797 SEPARATESENSOREMISSIONASM 3
62 401-82818 BKR-BANKAIRSWRELAYCABLEASM 1
63
#03
E9816-729-HA0 SWRELAYCABLEASM 2
64
#03
402-53400 AREASENSORRELAYCABLE2ASM 1
65
#03
401-94855 RBUPPRESSUERSWITCHASM 1
66
#03
402-53406 CN1314-1/2CABLEASM 1
67
#03
402-53399 AREASENSORRELAYCABLEASM 1
68
#03
HB-0015400-00 RELAY 2
69
#03
HB-0015400-10 RELAY 2
70
#03
402-53398 REFLEXARRAYSENSORASM 2
71
#03
401-94854 FBUPPRESSUERSWITCHASM 1
72 401-98339 FEEDERAIRBLOWCABLEASM 1
73 401-98338 AIRBLOWSVCABLEASM 1
74 401-82210 CANJAMPERCABLEASM 1
75 401-82228 EBANKSERIALCABLEASM 1
76 401-83784 ELECBANKR-SIDEPCBASM 1
77 401-83783 ELECBANKL-SIDEPCBASM 1
78 401-69473 BANKIDPCB(RF)ASM 1
79 401-82213 BANKCABLE(IFS-NX)ASM 1
80 401-82212 EBANKPCB-ECUTTERIFCABLEASM 1
81 400-84835 CUTOPENSENSASM 1
82 400-84839 CUTCLOSESENSASM 1
83 400-84836 CUTSVCABLEASM 1
84 402-43227 BANKCABLE(33_34-EB2CN3)ASM 1
85 402-43228 BANKCABLE(35_36-EB2CN4)ASM 1
86 402-43229 BANKCABLE(37_38-EB2CN5)ASM 1
87 402-43230 BANKCABLE(39_40-EB2CN6)ASM 1
88 402-43231 BANKCABLE(41_42-EB2CN7)ASM 1
89 402-43232 BANKCABLE(43_44-EB2CN8)ASM 1
90 402-43233 BANKCABLE(45_46-EB2CN9)ASM 1
91 402-43234 BANKCABLE(47_48-EB2CN10)ASM 1
92 402-43235 BANKCABLE(49_50-EB2CN11)ASM 1
93 402-43236 BANKCABLE(51_52-EB2CN12)ASM 1
94 402-43237 BANKCABLE(53_54-EB2CN13)ASM 1
95 402-43238 BANKCABLE(55_56-EB2CN14)ASM 1
96 402-43211 BANKCABLE(1_2-EB1CN3)ASM 1
97 402-43212 BANKCABLE(3_4-EB1CN4)ASM 1
98 402-43213 BANKCABLE(5_6-EB1CN5)ASM 1
99 402-43214 BANKCABLE(7_8-EB1CN6)ASM 1
100 402-43215 BANKCABLE(9_10-EB1CN7)ASM 1
101 402-43216 BANKCABLE(11_12-EB1CN8)ASM 1
102 402-43217 BANKCABLE(13_14-EB1CN9)ASM 1
103 402-43218 BANKCABLE(15_16-EB1CN10)ASM 1
104 402-43219 BANKCABLE(17_18-EB1CN11)ASM 1
105 402-43220 BANKCABLE(19_20-EB1CN12)ASM 1
106 402-43221 BANKCABLE(21_22-EB1CN13)ASM 1
107 402-43222 BANKCABLE(23_24-EB1CN14)ASM 1
108 402-43223 BANKCABLE(25_26-EB1CN15)ASM 1
109 402-43224 BANKCABLE(27_28-EB1CN16)ASM 1
110 402-43225 BANKCABLE(29_30-EB1CN17)ASM 1
111 402-43226 BANKCABLE(31_32-EB1CN18)ASM 1
112
#03
PV-0151250-00 MANUALVALVE 1
113
#03
401-29070 BANKUPSENSORCABLEASM 1
114 401-82223 CN1202SHORTWIREASM 1
115
#03
HA-0055200-40 SWITCH 1
116
#03
HA-0055200-30 SWITCH 1
117
#03
HA-0055200-1C SWITCH 1
118
#03
HA-0053400-70 SWITCH 1

- -
116.SYSTEMDIAGRAM(3)

- -
REF.NO NOTE PARTNO DESCRIPTION Qty
1 401-28872 SAFETYPCBASM 1
2 401-82246 RBKR-SFCABLEASM 1
3 401-82245 SF-YRTOPSENSORRELAYCABLEASM 1
4 401-65028 XYLMTSENSORASM 1
5 400-02254 COVEROPENSWCABLEASM 1
6 401-46405 COVERLOCKSVASM 1
7
#03
401-29010 MINISIGNALTOWERCABLEASM(OP) 1
8 402-58285 CONVEYORPCBASM 2
9
#01
401-83536 POWERSUPPLYUNITBASM 1
10
#02
401-87824 POWERSUPPLYUNITBASM_EN 1
11 401-82268 MTSI/FCABLEASM 1
12 401-84212 MTSI/FCABLE2ASM 1
13 EZ-1755690-11 RELAYPOWER(RJ1S-CLD-D24) 4
14 EZ-1755691-11 SOCKETRELAY(SJ1S-05B) 4
15 401-94686 MTS-MTCI/FCABLEASM 1
16 401-84382 MTSI/FJUMPERCABLEASM 2
17 401-29080 AIR(N)SENSORCABLEASM 1
18 401-84213 MTSI/FCABLE3ASM 1
19
#03
401-69048 MPC-CAN 1
20
#03
401-13666 RFIDBRANCH3CBLASM 1
21
#03
401-13667 RFIDBRANCH4CBLASM 1
22
#03
401-13668 RFIDMTSI/FCBLASM 1
23
#03
401-13669 RFIDMTCI/FCBLASM 1
24 402-08426 MTS/MTCIFBRCABLEASM 2
25 401-28871 IOCONTROLPCBASM 1
26 401-90371 IO-RBKRSERIALCABLEASM 1
27 401-28876 EBANKRELAYPCBASM 1
28
#03
401-87771 MPCCABLEASM(RS-1) 1
29 401-84107 CN1443/1444-RL4_6/10CABLEA 1
30 401-82296 EBKR-OUTLOADERSERIALCABLEASM2 1
31 401-82248 RBKREUTOPPWRCABLEASM 1
32 401-84380 CN1307/1407-CN1344/1444CABLEASM 1
33 HB-0018100-00 RELAY 1
34 HB-0004800-10 RELAY 1
35 HB-0002100-10 RELAYHOLOERPYC-A1 1
36 401-85779 BKR-FDFLOATECABLEASM 1
37
#04
401-86919 SEPARATESENSORASM 6
38
#05
401-54796 SEPARATESENSORRECEIVERASM 3
39
#05
401-54797 SEPARATESENSOREMISSIONASM 3
40 401-82265 BKR-FDFLOATLEFTECABLEASM 1
41 401-29070 BANKUPSENSORCABLEASM 1
42 401-82818 BKR-BANKAIRSWRELAYCABLEASM 1
43
#03
401-29069 BKR-BANKAIRSWCABLEASM 1
44
#03
PV-0151250-00 MANUALVALVE 1
45 402-09677 RBKR-OPSWRELAYCABLEASM 1
46 401-90601 STARTSWCABLEASM 1
47 401-90602 STOPSWCABLEASM 1
48
#03
401-29023 CONSOLESWCABLEASM 1
49 401-29025 EMGSWCABLEASM 1
50 401-29151 RBKR-AIR(N)RELAYCABLEASM 1
51 401-83784 ELECBANKR-SIDEPCBASM 1
52 401-83783 ELECBANKL-SIDEPCBASM 1
53 401-82228 EBANKSERIALCABLEASM 1
54 401-69473 BANKIDPCB(RF)ASM 1
55 401-82213 BANKCABLE(IFS-NX)ASM 1
56 401-82212 EBANKPCB-ECUTTERIFCABLEASM 1
57 400-84835 CUTOPENSENSASM 1
58 400-84839 CUTCLOSESENSASM 1
59 400-84836 CUTSVCABLEASM 1
60 402-43227 BANKCABLE(33_34-EB2CN3)ASM 1
61 402-43228 BANKCABLE(35_36-EB2CN4)ASM 1
62 402-43229 BANKCABLE(37_38-EB2CN5)ASM 1
63 402-43230 BANKCABLE(39_40-EB2CN6)ASM 1
64 402-43231 BANKCABLE(41_42-EB2CN7)ASM 1
65 402-43232 BANKCABLE(43_44-EB2CN8)ASM 1
66 402-43233 BANKCABLE(45_46-EB2CN9)ASM 1
67 402-43234 BANKCABLE(47_48-EB2CN10)ASM 1
68 402-43235 BANKCABLE(49_50-EB2CN11)ASM 1
69 402-43236 BANKCABLE(51_52-EB2CN12)ASM 1
70 402-43237 BANKCABLE(53_54-EB2CN13)ASM 1
71 402-43238 BANKCABLE(55_56-EB2CN14)ASM 1
72 401-82210 CANJAMPERCABLEASM 1
73 402-43211 BANKCABLE(1_2-EB1CN3)ASM 1
74 402-43212 BANKCABLE(3_4-EB1CN4)ASM 1
75 402-43213 BANKCABLE(5_6-EB1CN5)ASM 1
76 402-43214 BANKCABLE(7_8-EB1CN6)ASM 1
77 402-43215 BANKCABLE(9_10-EB1CN7)ASM 1
78 402-43216 BANKCABLE(11_12-EB1CN8)ASM 1
79 402-43217 BANKCABLE(13_14-EB1CN9)ASM 1
80 402-43218 BANKCABLE(15_16-EB1CN10)ASM 1
81 402-43219 BANKCABLE(17_18-EB1CN11)ASM 1
82 402-43220 BANKCABLE(19_20-EB1CN12)ASM 1
83 402-43221 BANKCABLE(21_22-EB1CN13)ASM 1
84 402-43222 BANKCABLE(23_24-EB1CN14)ASM 1
85 402-43223 BANKCABLE(25_26-EB1CN15)ASM 1
86 402-43224 BANKCABLE(27_28-EB1CN16)ASM 1
87 402-43225 BANKCABLE(29_30-EB1CN17)ASM 1
88 402-43226 BANKCABLE(31_32-EB1CN18)ASM 1
89 401-98339 FEEDERAIRBLOWCABLEASM 1
90 401-98338 AIRBLOWSVCABLEASM 1
91
#03
HA-0055200-40 SWITCH 1
92
#03
HA-0055200-30 SWITCH 1
93
#03
HA-0055200-1C SWITCH 1
94
#03
HA-0053400-70 SWITCH 1