RS-1_RS-1-XL_RS-1R-Rev20 - 第240页
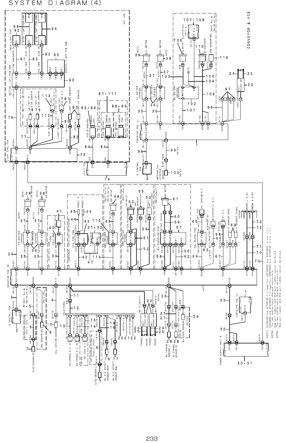
- - 117.SYSTEMDIAGRAM(4 )

- -
REF.NO NOTE PARTNO DESCRIPTION Qty
1 401-28872 SAFETYPCBASM 1
2 401-82246 RBKR-SFCABLEASM 1
3 401-82245 SF-YRTOPSENSORRELAYCABLEASM 1
4 401-65028 XYLMTSENSORASM 1
5 400-02254 COVEROPENSWCABLEASM 1
6 401-46405 COVERLOCKSVASM 1
7
#03
401-29010 MINISIGNALTOWERCABLEASM(OP) 1
8 402-58285 CONVEYORPCBASM 2
9
#01
401-83536 POWERSUPPLYUNITBASM 1
10
#02
401-87824 POWERSUPPLYUNITBASM_EN 1
11 401-82268 MTSI/FCABLEASM 1
12 401-84212 MTSI/FCABLE2ASM 1
13 EZ-1755690-11 RELAYPOWER(RJ1S-CLD-D24) 4
14 EZ-1755691-11 SOCKETRELAY(SJ1S-05B) 4
15 401-94686 MTS-MTCI/FCABLEASM 1
16 401-84382 MTSI/FJUMPERCABLEASM 2
17 401-29080 AIR(N)SENSORCABLEASM 1
18 401-84213 MTSI/FCABLE3ASM 1
19
#03
401-69048 MPC-CAN 1
20
#03
401-13666 RFIDBRANCH3CBLASM 1
21
#03
401-13667 RFIDBRANCH4CBLASM 1
22
#03
401-13668 RFIDMTSI/FCBLASM 1
23
#03
401-13669 RFIDMTCI/FCBLASM 1
24 402-08426 MTS/MTCIFBRCABLEASM 2
25 401-28871 IOCONTROLPCBASM 1
26 401-90371 IO-RBKRSERIALCABLEASM 1
27 401-28876 EBANKRELAYPCBASM 1
28
#03
401-87771 MPCCABLEASM(RS-1) 1
29 401-84107 CN1443/1444-RL4_6/10CABLEA 1
30 401-82296 EBKR-OUTLOADERSERIALCABLEASM2 1
31 401-82248 RBKREUTOPPWRCABLEASM 1
32 401-84380 CN1307/1407-CN1344/1444CABLEASM 1
33 HB-0018100-00 RELAY 1
34 HB-0004800-10 RELAY 1
35 HB-0002100-10 RELAYHOLOERPYC-A1 1
36 401-85779 BKR-FDFLOATECABLEASM 1
37
#04
401-86919 SEPARATESENSORASM 6
38
#05
401-54796 SEPARATESENSORRECEIVERASM 3
39
#05
401-54797 SEPARATESENSOREMISSIONASM 3
40 401-82265 BKR-FDFLOATLEFTECABLEASM 1
41 401-29070 BANKUPSENSORCABLEASM 1
42 401-82818 BKR-BANKAIRSWRELAYCABLEASM 1
43
#03
401-29069 BKR-BANKAIRSWCABLEASM 1
44
#03
PV-0151250-00 MANUALVALVE 1
45 402-09677 RBKR-OPSWRELAYCABLEASM 1
46 401-90601 STARTSWCABLEASM 1
47 401-90602 STOPSWCABLEASM 1
48
#03
401-29023 CONSOLESWCABLEASM 1
49 401-29025 EMGSWCABLEASM 1
50 401-29151 RBKR-AIR(N)RELAYCABLEASM 1
51 401-83784 ELECBANKR-SIDEPCBASM 1
52 401-83783 ELECBANKL-SIDEPCBASM 1
53 401-82228 EBANKSERIALCABLEASM 1
54 401-69473 BANKIDPCB(RF)ASM 1
55 401-82213 BANKCABLE(IFS-NX)ASM 1
56 401-82212 EBANKPCB-ECUTTERIFCABLEASM 1
57 400-84835 CUTOPENSENSASM 1
58 400-84839 CUTCLOSESENSASM 1
59 400-84836 CUTSVCABLEASM 1
60 402-43227 BANKCABLE(33_34-EB2CN3)ASM 1
61 402-43228 BANKCABLE(35_36-EB2CN4)ASM 1
62 402-43229 BANKCABLE(37_38-EB2CN5)ASM 1
63 402-43230 BANKCABLE(39_40-EB2CN6)ASM 1
64 402-43231 BANKCABLE(41_42-EB2CN7)ASM 1
65 402-43232 BANKCABLE(43_44-EB2CN8)ASM 1
66 402-43233 BANKCABLE(45_46-EB2CN9)ASM 1
67 402-43234 BANKCABLE(47_48-EB2CN10)ASM 1
68 402-43235 BANKCABLE(49_50-EB2CN11)ASM 1
69 402-43236 BANKCABLE(51_52-EB2CN12)ASM 1
70 402-43237 BANKCABLE(53_54-EB2CN13)ASM 1
71 402-43238 BANKCABLE(55_56-EB2CN14)ASM 1
72 401-82210 CANJAMPERCABLEASM 1
73 402-43211 BANKCABLE(1_2-EB1CN3)ASM 1
74 402-43212 BANKCABLE(3_4-EB1CN4)ASM 1
75 402-43213 BANKCABLE(5_6-EB1CN5)ASM 1
76 402-43214 BANKCABLE(7_8-EB1CN6)ASM 1
77 402-43215 BANKCABLE(9_10-EB1CN7)ASM 1
78 402-43216 BANKCABLE(11_12-EB1CN8)ASM 1
79 402-43217 BANKCABLE(13_14-EB1CN9)ASM 1
80 402-43218 BANKCABLE(15_16-EB1CN10)ASM 1
81 402-43219 BANKCABLE(17_18-EB1CN11)ASM 1
82 402-43220 BANKCABLE(19_20-EB1CN12)ASM 1
83 402-43221 BANKCABLE(21_22-EB1CN13)ASM 1
84 402-43222 BANKCABLE(23_24-EB1CN14)ASM 1
85 402-43223 BANKCABLE(25_26-EB1CN15)ASM 1
86 402-43224 BANKCABLE(27_28-EB1CN16)ASM 1
87 402-43225 BANKCABLE(29_30-EB1CN17)ASM 1
88 402-43226 BANKCABLE(31_32-EB1CN18)ASM 1
89 401-98339 FEEDERAIRBLOWCABLEASM 1
90 401-98338 AIRBLOWSVCABLEASM 1
91
#03
HA-0055200-40 SWITCH 1
92
#03
HA-0055200-30 SWITCH 1
93
#03
HA-0055200-1C SWITCH 1
94
#03
HA-0053400-70 SWITCH 1

- -
117.SYSTEMDIAGRAM(4)

- -
REF.NO NOTE PARTNO DESCRIPTION Qty
1 402-58285 CONVEYORPCBASM 2
2 401-28871 IOCONTROLPCBASM 1
3 401-82259 IO-RCNVSERIALCABLEASM 1
4
#05
402-09361 SIDE(R)CABLEASM 1
5
#04
401-82336 SIDE(R)/BU-ORGCABLEASM 1
6
#03
401-50822 IN/OUTSENSRLYCABLEASM 2
7 401-29046 SIDESENSORCABLEASM 2
8
#04
401-29042 AWC/BUORGSENSORCABLEASM 1
9 402-09547 CALVACSENSRELAYCABLEASM 1
10 401-29080 AIR(N)SENSORCABLEASM 1
11 401-82337 CNVRELAYCABLEASM 1
12 400-47908 SBL2CABLEASM 1
13 401-29051 BUCHANGELSVCABLEASM 1
14 401-29052 BUCHANGERSVCABLEASM 1
15
#02
401-29053 BULOCKSVCABLEASM 1
16 401-82338 SIDESENSOR(L)CABLEASM 1
17 401-61236 BUPINEMISSIONSENSASM 1
18 401-82339 BUPINDETECTSENSORCABLEASM 1
19 401-61237 BUPINRECEIVESENSASM 1
20 401-29056 CNVAUTOSET1WIREASM
1
21 401-29059 CNVAUTOSET2WIREASM 1
22 401-29060 CNVAUTOSET3WIREASM 1
23 401-81868 STOPSENSORCABLEASM 3
24 401-82350 FIBERSENSOR 3
25 HD-0010700-30 SENSOR 3
26 402-53401 BUUNITSENSORRELAYCABLEASM 1
27 402-08794 BUCHGSENSORRELAYCABLEASM 2
28 401-29048 BUCHANGECABLEASM 2
29
#02
402-53396 BULOCKSENSASM 1
30
#01
401-83536 POWERSUPPLYUNITBASM 1
31
#02
401-87824 POWERSUPPLYUNITBASM_EN 1
32 401-82328 CNVPWRCABLEASM 1
33 401-82329 CNVPWRRLYCABLEASM 1
34 401-82343 LTCTLSERIALCABLEASM 1
35 401-82344 MOTORDRIVERCABLEASM 4
36 401-54209 2PHASEDRIVERPCBASM 4
37 402-33824 MOTORCABLEASM 4
38 402-33823 2PHASESTEPPINGMOTORASM 4
39
#03
401-92311 LOADCELLANALOGCABLEASM 1
40
#03
401-33151 LOADCELLAMP 1
41
#03
401-33150 LOADCELL 1
42
#03
401-29043 CNV-CVSSERIALCABLEASM 1
43
#03
400-95117 CVSPCBASM 1
44
#03
401-95298 CVSPROBECABLEASM 1
45
#03
401-93042 CVSCONTACTCABLE(+)ASM 1
46
#03
401-93043 CVSCONTACTCABLE(-)ASM 1
47
#03
401-29044 EUTOP-CVSPWRCABLEASM 1
48
#07
401-99998 STEPPINGMOTOR 1
49
#07
401-82330 MOTORCABLEASM 1
50
#06
401-29002 NEARSENSORCABLEASM 1
51
#06
HM-0013200-00 MOTORDRIVER 1
52
#06
401-90409 AWCMOTOR(S)CABLEASM 1
53
#06
401-29040 AWCMOTORASM 1
54
#06
401-29041 AWCENC/ORGRELAY(S)CABLEASM 1
55
#06
E9433-729-0A0 BUENCASM. 1
56
#04
401-82331 BUAXISENCODERCABLEASM 1
57
#04
401-29636 BUAXISSERVOAMP 1
58
#04
401-29035 BUAXISCONTROLCABLEASM 1
59
#04
401-82332 BUMOTORPOWERCABLEASM 1
60
#04
401-82327 BUMOTORENCODERCABLEASM 1
61
#04
401-29637 BUAXISSERVOMOTOR 1
62
#04
401-29036 BUAXISPOWERCABLEASM 1
63 400-07376 CALBLOCKPCBASM 1
64 401-90372 CNV-ATC(R)/L-MSRELAYCABLEASM 1
65 401-29260 CAL-VACUUMSVCABLEASM 1
66 401-56969 STOPPERSVCABLEASM 1
67 401-82340 CNV-ATC(F)CABLEASM 1
68 401-29261 ATCSVCABLEASM 1
69 401-29062 PHOTOMICROSENSORASM 2
70 401-82342 CNV-SMEMALRELAY(F)CABLEASM
1
71 401-29029 CNV-SMEMARRELAY(F)CABLEASM 1
72 401-29031 SMEMACABLEASM 2
73 401-33013 LIGHTCONTROLFPOWERASM 1
74 401-90921 IP-X11SETGENASM(RS-1) 1
75 401-32991 LIGHTCONTROLPCBASM 1
76
#03
401-83434 VCSLIGHTCABLEASM 1
77
#03
401-82347 VCSSENSCABLEASM 1
78
#03
400-02146 VCSSTSENSASM 1
79
#03
400-02147 VCSOPSENSASM 1
80
#03
400-02148 VCSS.V.CABLEASM 1
81
#03
PV-1502093-00 5PORTELECTROMAGNETICVALVE 1
82
#03
401-82348 VCSUP-DOWNSENSCABLEASM 1
83
#03
401-65028 XYLMTSENSORASM 2
84
#03
401-33146 CAMERALINKCABLESS3M 2
85
#03
401-33149 VCSCAMERA 1
86
#03
401-09807 S_VCSLENSSTD 1
87
#03
401-09808 S_VCSLENSOPT 1
88
#03
401-88244 VCSCAMERA 1
89
#03
401-88312 VCS3LENS 1
90
#03
401-80852 BOTTOMLIGHTPCBASM 1
91
#03
401-09805 S_BACKLIGHTCABLEASM 1
92
#03
401-32986 BACKLIGHTPCBASM 1
93
#03
401-33015 SIDELIGHTCABLEASM 2
94
#03
401-80855 SIDELIGHTPCBASM 2
95
#03
401-80857 COAXIALLIGHTPCBASM 1
96 401-82334 CNVAUTOSETCABLEASM 1
97 401-82335 SHORTCONNTCTORASM 3
98 401-82333 IO-LCNVSERIALCABLEASM 1
99 402-53402 STOPSENSCABLEASM 1
100 402-53397 STOPPERSENSORASM 1
101
#05
402-00005 BUDRIVECABLEASM 1
102
#05
HX-0068900-00 UNIT 1
103
#05
402-00195 BUMOTORCABLEASM 1
104
#05
401-10035 BUDRVFGCABLEASM(EN) 1
105
#05
402-00006 BUDRIVEPWRCABLEASM 1
106
#05
400-48076 BACKUPMOTORASM 1
107
#01
402-00913 ELECTRICALUNITA 1
108
#02
402-00914 ELECTRICALUNITAEN 1
109 402-00007 BUENC/ORGRELAYCABLEASM 1
110
#05
E9433-729-0A0 BUENCASM. 1
111
#03
401-33149 VCSCAMERA 1
112
#03
400-02148 VCSS.V.CABLEASM 1
113
#03
PV-1502093-00 5PORTELECTROMAGNETICVALVE 1
114
#07
401-82344 MOTORDRIVERCABLEASM 1
115
#07
401-54209 2PHASEDRIVERPCBASM 1
116
#05
401-29042 AWC/BUORGSENSORCABLEASM 1