RS-1_RS-1-XL_RS-1R-Rev20 - 第243页
- - REF.NO N OTE PARTNO DESCRIPTION Qty 1 401-9 7864 SUPERIMPOSEBOARD 1 2 401-9 0921 IP-X11SETGENASM(RS-1) 1 3 E962 3-721-000 PORTRAITMONITORCABLE 1 4 EZ- 1468979-11 POWER (ENSP-300P-S20-11S)…

- -
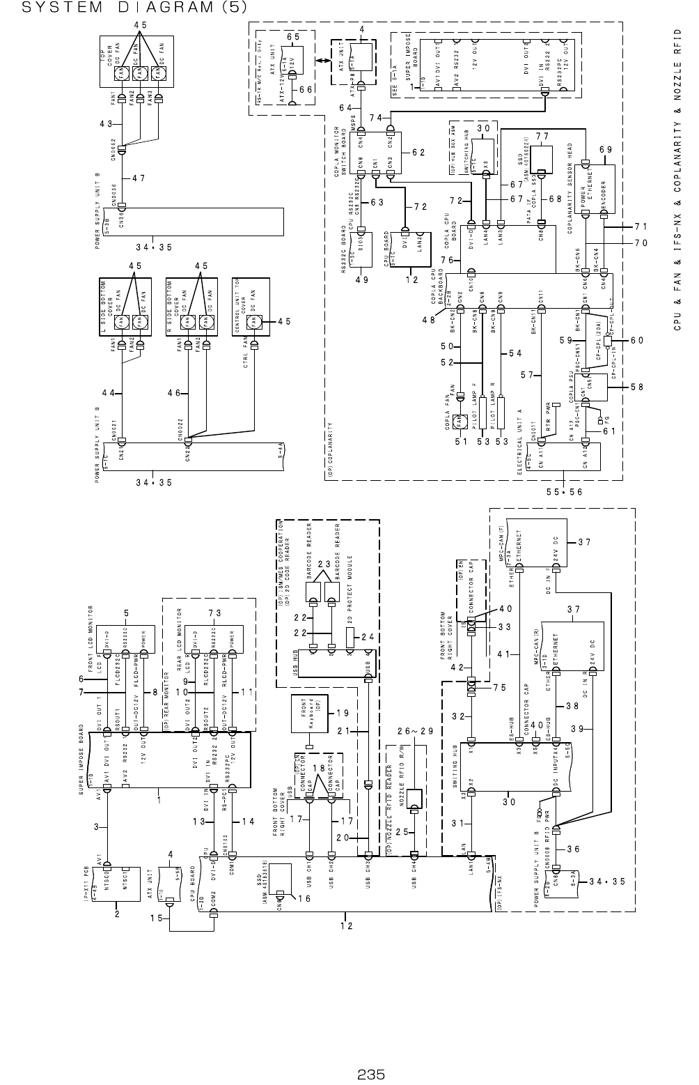
118.SYSTEMDIAGRAM(5)

- -
REF.NO NOTE PARTNO DESCRIPTION Qty
1 401-97864 SUPERIMPOSEBOARD 1
2 401-90921 IP-X11SETGENASM(RS-1) 1
3 E9623-721-000 PORTRAITMONITORCABLE 1
4 EZ-1468979-11 POWER(ENSP-300P-S20-11S) 1
5 401-58158 15INCHLCDMONITOR 1
6 401-29642 DVICABLEL2.5M 1
7 401-29084 SPIMP-FLCDSERIALCABLEASM 1
8 401-90366 SPIMP-FLCDPWRCABLEASM 1
9
#03
401-29643 DVICABLEL4.0M 1
10
#03
401-90369 SPIMP-RLCDSERIALCABLEASM 1
11
#03
401-90370 SPIMP-RLCDPWRCABLEASM 1
12 401-23242 CPUBOARD 1
13 401-91754 DVICABLEL1.3M 1
14 401-82263 CPU-SPIMPSERIALCABLEASM 1
15 401-82290 ATX232CCABLEASM2 1
16 402-23557 SSD16GB 1
17 402-34369 USBCABLE2M 2
18
#02
HX-0066700-00 DUSTCOVER 2
19
#03
402-73025 USBKEYBOARDASM 1
20
#03
401-73481 USBREPEATERCABLE 1
21
#03
401-98276 USBCABLE 1
22
#03
401-73482 USBBARCORDREADERCABLE(4M) 2
23
#03
EZ-1458644-11 READERBARCODE 2
24
#03
401-29932 2DPROTECTMODULE(USB) 1
25
#03
401-58554 USBCABLE 1
26
#03
402-19964 RFIDREADER/WRITER_JPNONLY 1
27
#03
402-19966 RFIDREADER/WRITER_CHNONLY 1
28
#03
402-19965 RFIDREADER/WRITER_USAONLY 1
29
#03
402-19967 RFIDREADER/WRITER_EUONLY 1
30
#03
400-73033 SWITCHINGHUB 1
31
#03
400-79652 RFIDLANCABLEASM 1
32
#03
400-73780 FX1RRFIDLANCABLE(1.65M)ASM 1
33 HK-0651200-80 MODULARKAPLA 1
34
#01
401-83536 POWERSUPPLYUNITBASM 1
35
#02
401-87824 POWERSUPPLYUNITBASM_EN 1
36
#03
401-87772 EU-HUB/MPCPWRRELAYCABLEASM 1
37
#03
401-69048 MPC-CAN 2
38
#03
401-68954 MPCLANCABLE2ASM 1
39
#03
401-87773 HUB/MPCPOWERCABLEASM 1
40
#02
HX-0066000-00 DUSTCOVER 2
41
#03
400-73738 RFIDLANCABLE(4.5M)ASM 1
42 HW-0018100-80 SHIELDEDCABLE 1
43 401-89244 TOPCOVERFANCABLEASM 1
44 401-89241 BASELFANRELAYCABLEASM 1
45 401-89090 DCFANASM 8
46 401-89242 BASERFANRELAYCABLEASM 1
47 401-89243 TOPCOVERFANRELAYCABLEASM 1
48
#03
401-32990 COPLACPUBACKBOARDPCBASM 1
49
#03
401-35433 8-PORTCOMBOARD 1
50
#03
401-33049 FANMOTORRLYCABLEASM 1
51
#03
401-33048 FANMOTORASM 1
52
#03
401-33039 PILOTLAMPCABLEFASM 1
53
#03
400-99903 PILOTLAMP 2
54
#03
401-96297 PILOTLAMPCABLERASM 1
55
#01
402-00913 ELECTRICALUNITA 1
56
#02
402-00914 ELECTRICALUNITAEN 1
57
#03
401-33037 OPTIONPWRCABLEASM 1
58
#03
HX-0070500-00 POWERSUPPLY 1
59
#03
401-93041 COPLACPUPWRCABLEASM 1
60
#03
HA-0052700-0E CIRCUITPROTECTOR 1
61
#03
401-92498 COPLAINPUTRLYCABLEASM 1
62
#03
400-97434 COPLAMONITORSWITCHBOARD 1
63
#03
401-33047 MONITORSWCOMCABLEASM 1
64
#03
401-58156 DVICHANGERPWRCABLEASM2 1
65
#04
401-46346 ATXPSU 1
66
#04
402-62698 ATX12VCABLEASM 1
67
#03
401-02830 LANCABLE(CAT6) 2
68
#03
401-02829 COPLASSDI/FCABLEASM 1
69
#03
400-97422 COPLANARITYSENSOR 1
70
#03
401-33042 COPLAPWRCABLEASM 1
71
#03
401-33043 COPLAENCCABLEASM 1
72
#03
401-29642 DVICABLEL2.5M 2
73
#03
401-58158 15INCHLCDMONITOR 1
74
#03
401-91754 DVICABLEL1.3M 1
75
#03
HK-0651200-80 MODULARKAPLA 1
76
#03
401-23242 CPUBOARD 1
77
#03
402-23557 SSD16GB 1

Notes