SM411F_Service Manual - 第149页
Softwar e NO. P ART NO. P ART N AME Q’TY TYPE REMARK 1 J4809054A VME BACKPLANE 1 DSOVME-12J1(REV .C) 2 J4801 1002A SBC 1 HICORE-I9451VLG 3 J4809054A VME BACKPLANE 1 DSOVME-12J1(REV .C) 4 J91741013A SM330_CAN_MASTER_BOARD…

Software
Chapter 3. Board Assembly
3.1. Required Materials for Board Assembly

Software
NO. PART NO. PART NAME Q’TY
TYPE REMARK
1
J4809054A VME BACKPLANE 1 DSOVME-12J1(REV.C)
2 J48011002A
SBC 1
HICORE-I9451VLG
3
J4809054A VME BACKPLANE 1 DSOVME-12J1(REV.C)
4
J91741013A SM330_CAN_MASTER_BOARD 1 VER2.0
5
J9060063E CAN CONVEYOR BOARD ASSY 1
CAN CONVEYOR
(REV1.4)
6
J91741037A SAMC-62 1 G420-U01(STW)
7 J9060413A SM411 VISION I/F BOARD
1
J9060413A
8
J91741012A SM330_TWIN_SERVO_BOARD 1
VER1.0
9
J91741014A X7043_SEDES_BOARD 1
VER1.0
10
J91741015A X7043_STEP_CONTROL_BOARD 1
VER1.0
11
J9060417A FR OPERATE BOARD 1 J9060417A
OPTION
12 J9060408A
SM411 HEAD ILL BOARD 1
J9060408A
13
J91741016A SM330_VME_IO_BOARD 1 VER1.0
14
J9060193B PCI IO BOARD 1 VER 2.0
15
J9060418A MVME 3100 1 MVME 3100
16 J9060409A
SM411 HEAD I/O BOARD 1
J9060409A
17 J9060412A SM411 VACUUM SENSOR BOARD
1
J9060412A
18 J9060338A FEEDER IO BOARD 2 Rev 1.1 NON DOCKING
19
J9060339A FEEDER INPUT EXTENSION BOARD 2 Rev 1.0
20
J91741026A SM330_AXIS_SENSOR_BOARD 1 VER1.0
21
J9060346A CONV SUB I/F BOARD 1 Rev 1.0
22 J91741025A MEGA_CAMERA_IO_BOARDD
1
VER1.0
23 J9060347B
FEEDER BASE LEFT BOARD, NON DOCKING
2 REV 2.1
24 J9060348B
FEEDER BASE RIGHT BOARD, NON DOCKING
2 Rev 2.1
25 J91741023A CONVEYOR PWR BORAD 1 VER1.0

Software
Electric Device
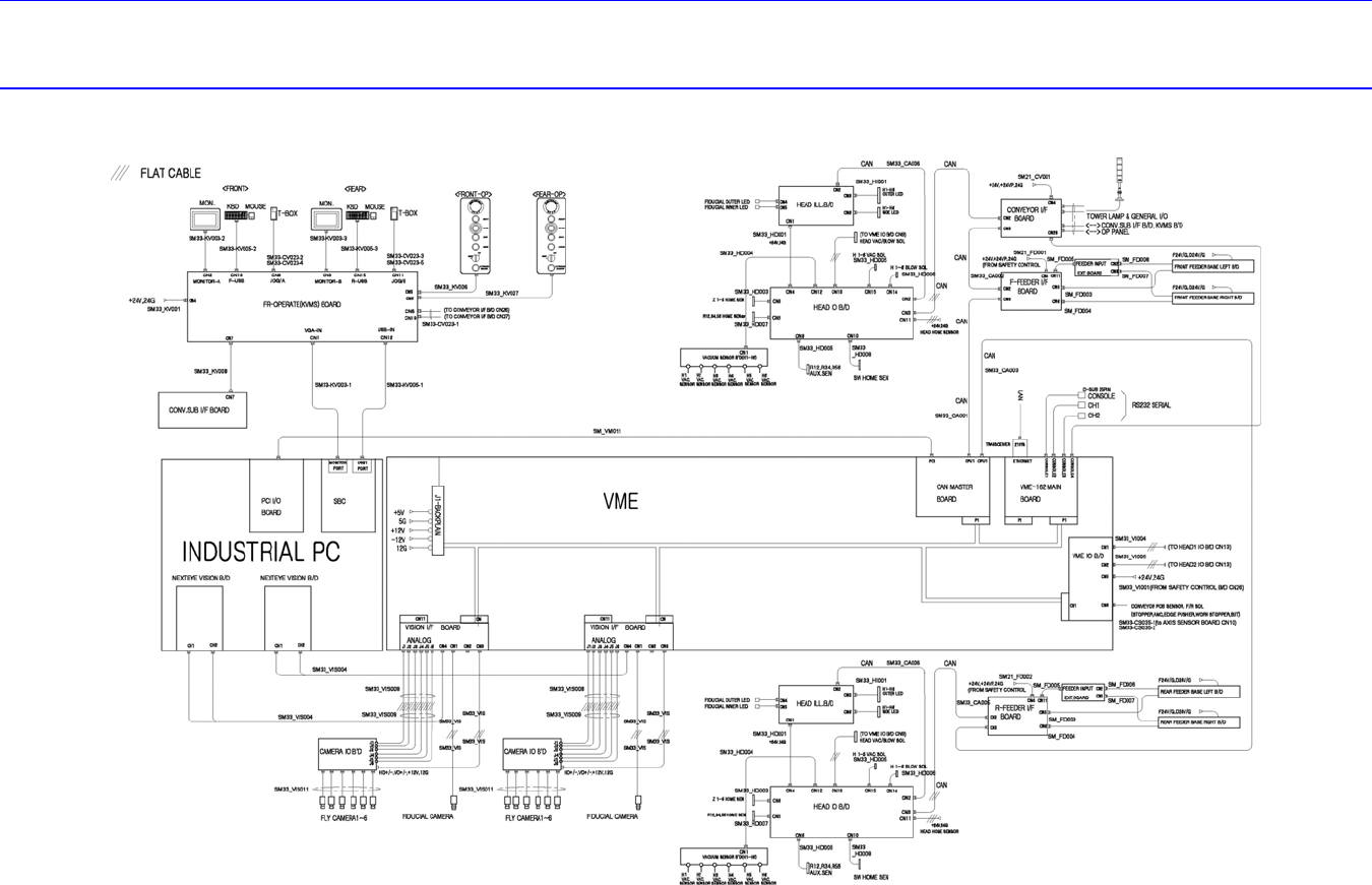
3.2. System Wiring Diagram