SM411F_Service Manual - 第184页
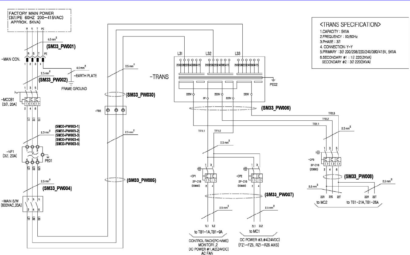
Electric Device Chapter 4. Electric Device 4.1. Electric Circuit Diagram

Electric Device
3.5.5.1. Replacement procedure for the board on the rear lower side of
machine
1. Turn Off the PC in normal way. Then turn off the main switch on the front side of
the machine.
2. Remove the front cover of the machine using the “+” shape tipped screw driver.
3. Remove the connector connected to the corresponding board.
Safety Control Board & DC Power Board
4. Unscrew the fixing screws to remove the corresponding board by using the screw
driver and replace it. (Then perform steps from No. 6 to No. 7)
Cover bolt positions (2
places)
Direction in which the
main switch is turned
off (counterclockwise)

Electric Device
Chapter 4. Electric Device
4.1. Electric Circuit Diagram

Electric Device