文档中心
/
SM411F_Service Manual
SM411F_Service Manual - 第186页
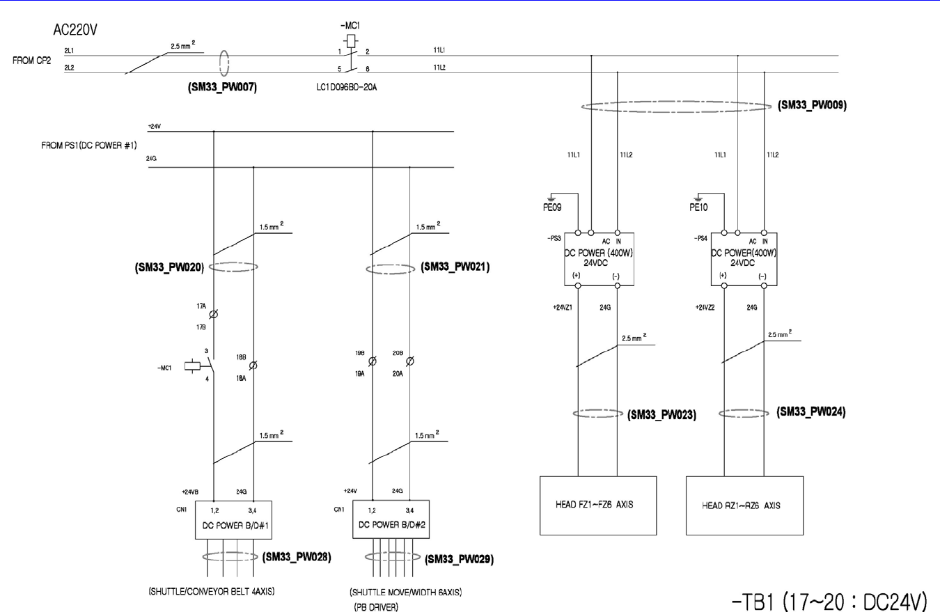
Electric Device
目录
100%
显示:宽度
宽度
1 / 245
回到旧版
旧版
?
Electric Device
Electric Device
Electric Device
该页面需要启用 JavaScript 才能进行交互式预览。