SM411F_Service Manual - 第189页
Electric Device

Electric Device

Electric Device

SW & Control Part
Chapter 1. Software
█ SM400 S/W file structure
Path Contents
C:₩SmartSM
SmartSM)
- DBEditor.exe: mdb(DB) edit file
- ErrorMsg.mdb: Error Code and its
message Database file
- Range.mdb: Item별 Min/Max/Default
Value
Database file
NO. PART NO. PART NAME Q’TY
TYPE REMARK
1
J90831072A CONTROL RACK POWER CABLE ASSY
SM33-PW010
2
J90831458A FRONT MONITOR POWER CABLE ASSY
SM33_PW025-1
3
J90831459A REAR MONITOR POWER CABLE ASSY
SM33_PW025-2
4
J90831073A TB1_PS1,PS2 POWER CABLE ASSY
SM33-PW011
5
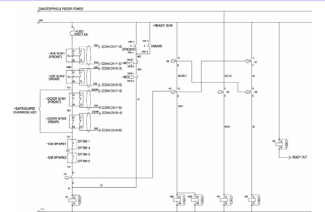
J90831089A PS1,PS2_SAFETY CONTROL B/D CABLE ASSY
SM33-PW027
6
J90831074A FAN POWER CABLE ASSY
SM33-PW012
7
J90831076A FAN CABLE ASSY
SM33-PW014
8
J90831075A SERVO FAN POWER CABLE ASSY
SM33-PW013
9
J90831088A SERVO FAN CABLE ASSY
SM33-PW026
10
J90831069A CP1_TB1,MC1 CABLE ASSY
SM33-PW007
11
J90831082A PS1_#1 DC POWER B/D CABLE ASSY
SM33-PW020
12
J90831083A PS1_#2 DC POWER B/D CABLE ASSY
SM33-PW021
13
J90831090A SHUTTLE,CONV BELT STEP POWER CABLE ASSY
SM33-PW028
14
J90831091A SHUTTLE,CONV WIDTH STEP POWER CABLE ASSY
SM33-PW029
15
J90831085A FZ1~FZ6 DC24V POWER CABLE ASSY
SM33-PW023
16
J90831086A RZ1~RZ6 DC24V POWER CABLE ASSY
SM33-PW024
17
J90831071A MC1_PS3,PS4 CABLE ASSY
SM33-PW009
18
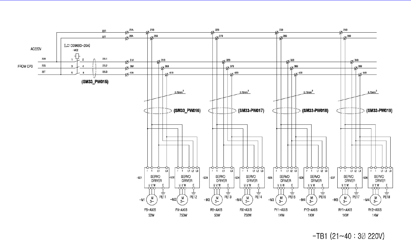
J90831077A MC2_TB1 CABLE ASSY
SM33-PW015
19
J90831078A FX,FS SERVO POWER CABLE ASSY
SM33-PW016
20
J90831079A RX,RS SERVO POWER CABLE ASSY
SM33-PW017
21
J90831080A FY1,FY2 SERVO POWER CABLE ASSY
SM33-PW018
22
J90831081A RY1,RY2 SERVO POWER CABLE ASSY
SM33-PW019