SM481_PLUS_TRM(Ver1.2_CS17.02) - 第120页
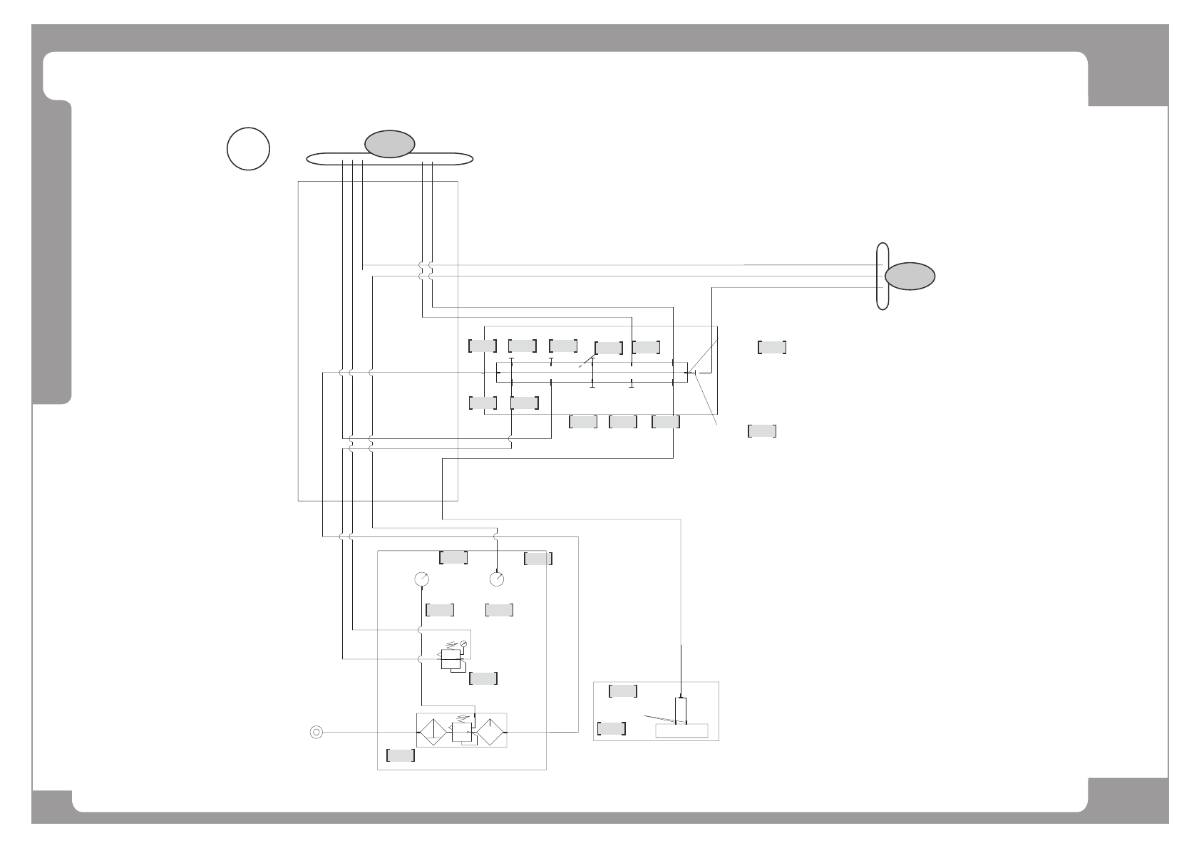
Page +$1:+$ 108 SM481 PLUS AIR Ass’y(3/5) B 7 LEFT C ABL E DU CT A SSY FRONT AIR PANEL ASS'Y FRONT FEEDER BASE ASS'Y (STANDARD) REAR 도 ST ANDARD 일 때 , 동일 구조 Feeder Base HP09-000007 KM11-08-12-10 VACUUM GENERA T…

Page
+$1:+$
107
SM481
PLUS
AIR Ass’y(2/5)
NO. Lev. PART NO. PART NAME Q'TY Old No. Supply Supply LT Reference

Page
+$1:+$
108
SM481
PLUS
AIR Ass’y(3/5)
B
7
LEFT CABLE DUCT ASSY
FRONT AIR PANEL ASS'Y
FRONT
FEEDER BASE ASS'Y (STANDARD)
REAR도
STANDARD일 때
, 동일 구조
Feeder Base
HP09-000007
KM11-08-12-10
VACUUM GENERATOR (AIR OPTION)
VAC
UUM PUMP (AIR OPTION)
MAIN MANIFOLD ASS'Y
U2-4-12*8, BLACK
U2-4-4*2.5, BLACK
U2-4-12*8, BLACK
U2-4-6*4, BLACK
U2-4-6*4, YELLOW
U2-4-6*4, BLACK, 1000mm
U2-4-6*4, BLACK
U2-4-12*8, BACLK
U2-4-4*2.5, BALCK
U2-4-6*4, BALCK
U2-4-6*4, YELLOW
U2-4-6*4, BLACK
U2-4-8*5, BLACK
U2-4-12*8, BLACK
U2-4-4*2.5, BLACK
U2-4-4*2.5, BLACK
U2-4-4*2.5, BLACK
U2-4-6*4, BLACK
HP06-900043
FITTING
KQ2F04-01
TE07-900096
ANALOG GAUGE (VACUUM)
GZ46-K-01-C1
HP09-001019
REGULATOR
ARP20-02BG-CJSZ1406
HP04-001016
AIR FILTER
AC30-03D-CJSZ2045
U2-4-12*8 U2-4-12*8
HP09-000150
DIGITAL GAUGE
SPABT-P10-R18-2N-K1-SA
U2-4-4*2.5
HP06-900255
FITTING
KQ2H04-M5
U2-4-4*2.5
HP06-900050
SQU04-06-W
U2-4-4*2.5
2-HP06-900027
KQ2L04-M5
HP06-000226
FITTING KQ2R10-12
(S
T OPTION
㢰
ᷱ㟤
KQ2P-10
㥐ᶤ䚌Ḕ
ⵤ㉔䚔 ᶷ)
FC14-900641
PLUG KQ2P-10
FC14-900644
PLUG KQ2P-08
FC14-900644
PLUG KQ2P-08
FC14-900644
PLUG KQ2P-08
FC14-900644
PLUG KQ2P-08
FC14-900644
PLUG KQ2P-08
HP06-900282
KQ2R06-08
HP06-900282
KQ2R06-08
HP06-900282
KQ2R06-08
HP06-900282
KQ2R06-08
A-B
B-C
1 1 1
2
3
3 3
1 1 3
4
5
6
8 9
10
11
13
12

Page
+$1:+$
109
SM481
PLUS
AIR Ass’y(3/5)
NO. Lev. PART NO. PART NAME Q'TY Old No. Supply Supply LT Reference
1 FC14-900644 PLUG KQ2P-08 5
2 HP09-000007 MANIFOLD;ET1:ETC. 1
3 HP06-900282 STRAIGHT FITTING [KQ2R06-08] 3
4 HP06-000226 FITTING-KQ2R10-12;STRAIGHT 1
5 FC14-900641 PLUG KQ2P10 1
6 HP09-000150 COMPONENTS,ELECTRIC-SPABT-P10-R18-2N-K1- 1
7 HP06-900043 JOINT KQ2F04-01 1
8 HP06-900255 STRAIGHT FITTING KQ2H04-M5/SQL04-M5-W 1
9 TE07-900096 METER GZ46-K-01-C1 1
10 HP09-001019 REGULATOR-ARP20-02BG-CJSZ1406;AIR,1.0MPA 1
11 HP04-001016 FILTER,AIR-AC30-03D-CJSZ2045 1
12 HP06-900050 UNION Y FITTING 1
13 HP06-900027 FITTING [KQ2L04-M5/PL4-M5M/SQL04-M5] 2