SM481_PLUS_TRM(Ver1.2_CS17.02) - 第127页
Page +$1:+$ 11 5 SM481 PLUS SM481 Harness Wiring Diagram 3C 8C 1D 9D TOWER LAMP FL Y CAM1~5 SM471_VIS011 G LOCK R S T M E E CHANGE F/FEEDER RESET 0N STOP START READY E O P C N Y RESET F/FEEDER CHANGE STOP START READY P O…

Page
+$1:+$
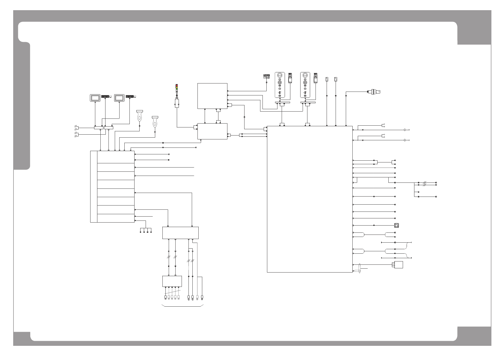
114
SM481
PLUS
Electric Control Part

Page
+$1:+$
115
SM481
PLUS
SM481 Harness Wiring Diagram
3C
8C
1D
9D
TOWER LAMP
FLY CAM1~5
SM471_VIS011
G
LOCK
R
S
T
M
E
E
CHANGE
F/FEEDER
RESET
0N
STOP
START
READY
E
O
P
C
N
Y
RESET
F/FEEDER
CHANGE
STOP
START
READY
P
O
T
S
Y
N
C
E
E
E
M
R
G
<FRONT-OP> <REAR-OP>
LOCK
0N
INDUSTRIAL PC
COM1USBMON LAN1
PC-232
SBC
<FRONT>
<REAR>
PCIE ADAPTER #1
PCIE X1
AXIO B/D #1-CN1
MON분배기
SM411_KV003-1
SM471_KV003-3
USB HUB
SM471-PC005
SM471-PC006
SAMC-ME #1
PC RACK 12V
SM471_PC003
SM471_KV003-2
SAFETY CONTROL B/D
CN30
CN3
F-OP
CN31
CN3
R-OP
[SC]
CN34
T-BOX
SM48-CV034
FRONT
CN36
T-BOX
REAR
SM33_CV023-5
SM48_FD101-1
P1 P2
COM1
COM2
COM3
COM4
COM5
CN9
PWR
SM48_VIS012
SM400 VISION IF B/D
CN1
FID.CAM
SM400 CAMERA IO B/D#1
[FID1]
CN6CN8
SM471_VIS007
CN10
SM471_VIS010
IT MASTER
12V
SM471_VIS000
SM471_VIS006
HEAD
CN11
CN1
CN2
입력
입력
CN10
CN11
CN20
CN21
CN22
CN23
CN27
CN25
CN26
CN7
SCANNER
CN5
CONV I/F B/D
[CV]
CN33
CN26
SM48_CV132
[SUB]
CONV.SUB I/F B/D
CN32
CN27
CN28
SM33_CV003
CN6
CN1
CN18
CN3
SM421_CV113
CN17
CN2
START,FFD,RFD
CN7
SM48_PW120
PS#1
PS#2
CN4
CN2
SM421_OP103
START,STOP,RESET,FFD
CN5
SM421_OP104
START,STOP,RESET,FFD
CN2
SM33_OP005
SM33_OP005
CN7
CN13
SM48_CV004
CN8
SM48_CV026
M
1
2
OUT
AIR SENSOR
SM48_SC001
CN3
CN1
CN4
CN1
CN6
CN13
EM,READY,DOOR,FSO
[VIS]
CN24
RY11-14/13
1234 5
RY1-6
RY1-4
SM48_PW032
(+24V)
(+24V)
RY2-6
RY2-4
SM48_PW033
(+24V)
(+24V)
CN18
MC1
+A1
-21
-A2
-22
CN19
SM48_CV026-1
J1R-3
J1R-4
SM33_CV023-4
SM471_OP001
SM471_OP001
SM471_PC003-1
SM48_PW120
T1L(3.4)
T1L(1.2)
SM471_PW067
PWR
PWR
CN35
SM48_SC201
J1R-2
SM48_CV035
SM48_SC002
SM471_SC105
SM471_SC105-1
SAFEGUARD OVERRIDE KEY
SM33_SC008
SM33_SC009
R DRIVER-PW
SM41_SC006
21/22
JUMPER
SM48_VM111 SM41_VM111-1
REAR PANEL LAN PORT
RFD-CN4
CV-CN4
SM48_PW044
FFD-CN4
AX-CN1
SM471_IT005
PWR
PS#2
SM471_IT004
CAN
CAN_CH1_L
CAN_CH2_R
CAN_CH3_L
CAN_CH4_R
FIX.CAM
BS1 DRV CN1
SM41_SC012
CN12
BS2 DRV CN1
COM5
COM6
TF1
TF2
CN14
SM421_VM101-2
CN15
AXIO#1-CN2
SM48_SC007
CN28
HD-PW-EXT
FL1-#12
HEAD IF CN1
FL2-#1
X_SEN.
FIX_ILL-CN1
SM48_SC008
CN29
J1R-1
R-SC-CN12/32
AM03-000084
CN6
SM471_PW020
SM471_PW022
STEP/HEAD DRIVER FAN
PCIE ADAPTER #2
PCIE X1
AXIO B/D #2-CN1
SM471_VIS009
#2F-FL13.14
#1F-FL-13.14
#1F-FL-15
SM471_VIS002-1
#2F-FL-15
12
SM471_VIS002-2
SM481_VIS001
1
SM48_VIS002
2
AXIO#2-CN2
SM481_SC009
CN6
SM48_SC201
SM48_FD101
SM41_AX001
SM41_IT003
SM41_SC011
SM48_CV101
SM481_AX006
#2F-1-1
SM48_VM101
SM48_VM102
SM471_PW068
AXIO#1-CN7
AX-CN2
SM481_AX005
SC-CN15-EXT [R]
SC-CN14-EXT [R]
TF-CH1
TF-CH2
PMC1-EXT
PMC2-EXT
COM5
COM6
SM48_VM101
SM48_VM102
SM421_VM101-1
SM421_VM102-1
Serial1 Serial2
<FRONT>
BARCODE READER
<REAR>
SM471_IT001
SM411_IT002

Page
+$1:+$
116
SM481
PLUS
SM481 Harness Wiring Diagram
CN11 CN13
SM41_MD038
SM48_PW019
SM48_VM003
CN12 CN14
CN1
PCIE X1
PCIE ADAPTER #1
Panasonic AC servo
SET
MODE
Panasonic AC servo
SET
MODE
SM48_MD010
SM48_MD009
SM481_VM004
(750W)
X
CN1
BOARD
SM421 AXIS SENSOR
CN10
AP5 AXIS IO BOARD #1
[AXIO#1]
CN6
SM481_AX005-1
[AX]
CN7
CN9
PWR
SM481_AX005
SM48_PW018
WD-ENWD-PW
SM48_MD023
SM48_MD022
WD
(100W)
#1F-1,2
SM481_AX006
CN2
SM421_AX103
CN3
SM421_AX104
CN4
SM41_AX006
Y1-HM,PL,ML
WD-HOME SENSOR
WD-HOME-EXT
SM421_AX104-1
PCB SENSOR
SM41_CV007
SM421_CV140
FSEN-T1
FSEN-R2
FSEN-T2
FSEN-R1
RSEN-T1
RSEN-R2
RSEN-T2
RSEN-R1
CN12
CN2
PWR
SACO-CN28
SM48_SC007
SACO-CN27
SC-CN23
CN15
WB1 WB2
CN17
CB3 CB4
CN16
CB12
BW12
CB34
CN3
CN2
CN3
CN2
CN3
CN2
SM41_MD015
CN1
SM421_MD109 SM421_MD109-1
SM481_VM008
SM481_VM009
SM41_SC012
CN1
SC-CN11
SC-CN12
CN4
CN4
CN4
SM421_MD209 SM421_MD209-1
SM41_MD016
SM421_MD108 SM421_MD108-1
SM421_MD208 SM421_MD208-1
CB1 CB2
SM41_MD013
SM41_MD014
SM421_MD110 SM421_MD110-1
SM421_MD210 SM421_MD210-1
SM41_MD017
SM41_MD018
CN5
SM481_AX008-1
#1F-FL-11
AXIO#2-CN5
SM471_VI006
#2F-FL-11
HD-CN5
HD-CN4
R-HD-SOL
R-HD-SOL
H7H10-VAC
H1H6-VAC
SM481_AX008
SM41_AX001
#2F-1-1
SM481_AX002
X HOME
X ML
HD-PW-EXT
SM471 HEAD IF BD
(HEAD MODULE)
#1F-FL12
SM421_CV043
SM421_CV044
SM481_AX006-1
(1KW)
Y2
(1KW)
Y1
SM41_MD036 SM41_MD037
PW48_PW020
SM48C_MD008_90
SM48_MD005_90
SM48C_MD006_90
SM48_MD007_90
PW48_PW019