Vision Module_20211117_100444 - 第5页
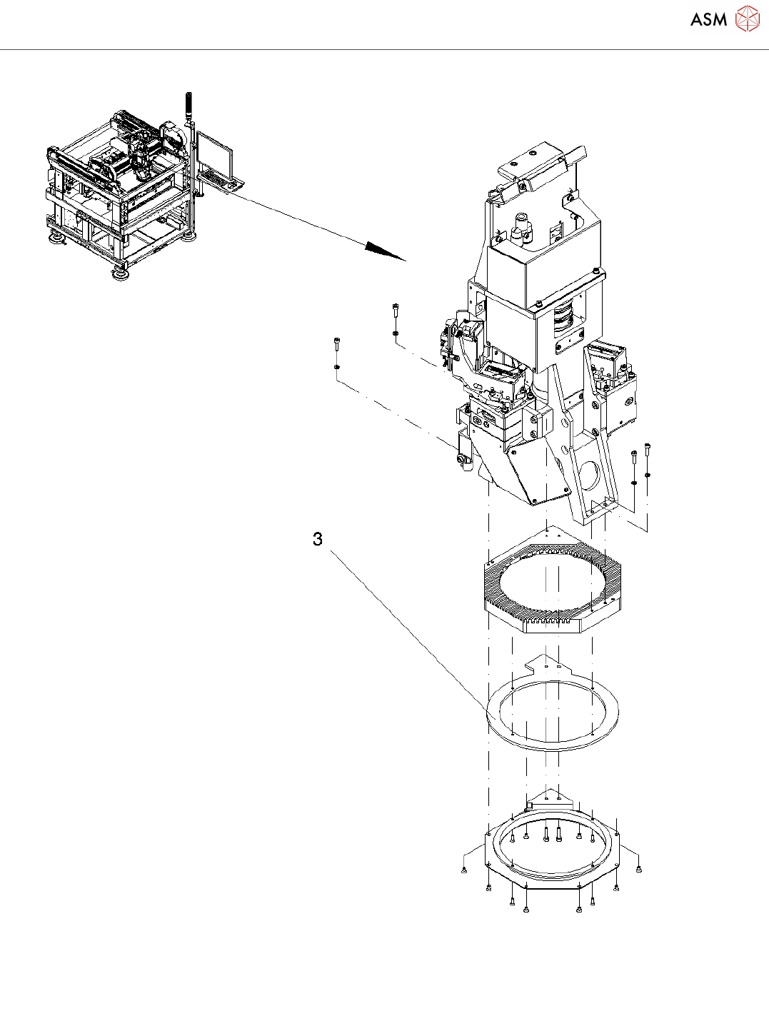
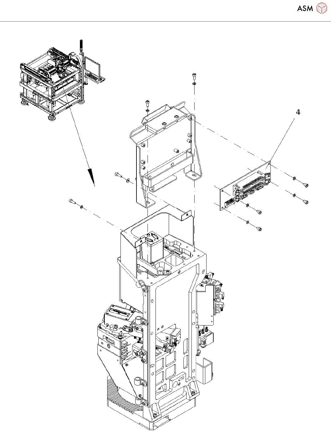
Vision Module Page 5 / 5 17.11.2021 Pos. Item no. Description 1 03122959-01 VISION MODULE 2 03122924-01 PCBA HIGH RING LIGHT BOARD 3 03122925-01 PCBA LOW RING LIGHT BOARD 4 03125274-01 CART SPI2 PCB-1 DISTRIBUTION BOARD …

Vision Module
Page 3 / 5 17.11.2021

Vision Module
Page 4 / 5 17.11.2021
