YS24X(SL_DL)_KKT_cwd_je - 第15页
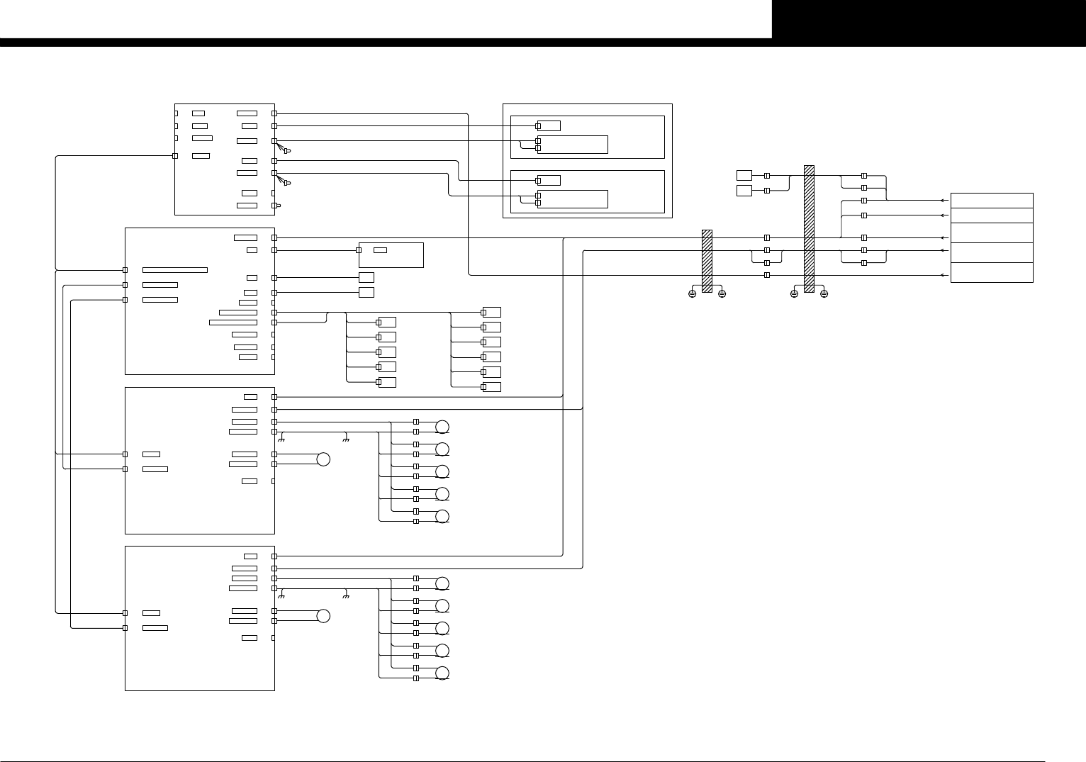
Confidential & P roprietary P A G E SRVB See Page 2 CONTROL B OX CN12 See Page 3 POWER CIR CUIT I/O CONVE YOR BOARD I/O CONVE YOR BOARD See Page 2 CONTROL B OX VISION BO ARD DC48V,0V 48 POW/EMG CN1 VAC CN1 V AC VAC S…

Confidential & Proprietary
PAGE
SRVB
See Page 2
CONTROL BOX
CN43
CN12
See Page 3
POWER CIRCUIT
I/O CONVEYOR BOARD
I/O CONVEYOR BOARD
SRV A1
SRV A2
See Page 2
CONTROL BOX
SQ001
YA-AXIS ORG
YA-AXIS OVER TRAVEL
SQ003
HA+24V
HA EMG
YAOT
YAORG
QF51,XT31
INTERFACE BOARD 1
VISION BOARD
FLEXIBLE
DUCT YA
CAM2
HA+48V
DC48V,0V48POW/EMG CN1
VAC
CN1 VAC
VAC SENSOR BRD ASSY
CN5AD
P051
I/O CN5
I/O CN1
SQ301
CN7OT
ORG CN8
XA-AXIS ORIGIN
SQ303
XA-AXIS OVER TRAVEL
N002D002
N002D001
CN2 SRV POW1 SRV POW2 CAMERA
CN3 SRV SIGNAL 2
SRV SIGNAL 1
I/O CN2
HEAD I/O BOARD ASSY P041
CN4
CN9SPARE
CN10
I/O CN10 J0312
HEAD1(VACUUM/BLOW)
HEAD2(VACUUM/BLOW)
HEAD3(VACUUM/BLOW)
HEAD4(VACUUM/BLOW)
HEAD5(VACUUM/BLOW)
YV301
HEAD6(VACUUM/BLOW)
HEAD7(VACUUM/BLOW)
HEAD8(VACUUM/BLOW)
HEAD7(VACUUM/BLOW)
SH BLOW SHAFT BLOW
YV303
YV305
YV307
YV309
YV311
YV313
YV315
YV317
YV319
YV321
HEAD 1
HEAD 2
HEAD 3
HEAD 4
HEAD 5
HEAD 6
HEAD 7
HEAD 8
HEAD 9
HEAD 10
CN11
I/O CN11
CN12
CN13
LINER IN
ENC OUT
CN348V
HS2 CN3
HS2 CN6
SERVO IF CN6
CN1
CN8
Zaxis MO
Zaxis ENC
HS2 CN1
HS2 CN8
J0314
J0322
Raxis MO
Raxis ENC
R1P
R1M
M32
RA1-AXIS 15W
□42 MAX 2000rpm
CN9CPLD
CN4
CN5
POWER
DI/DO/AD
HS2 CN4
HS2 CN5
CN348V
SERVO IF CN6
HS1 CN3
HS1 CN6
CN4
CN5
POWER
DI/DO/AD
CN1
CN8
Zaxis MO
Zaxis ENC
Raxis MO
Raxis ENC
□42 MAX 2000rpm
CN9CPLD
J0308
I/O CN3
I/O CN4
J0328
J0326
FIDUCIAL CAMERA RIGHT is standard,FIDUCIAL CAMERA LEFT is option .
・In case that conveyer's fixation is rear side and PCB's transportation is R>L,
FIDUCIAL CAMERA RIGHT is standard,FIDUCIAL CAMERA LEFT is option .
・In case that conveyer's fixation is rear side and PCB's transportation is L>R,
FIDUCIAL CAMERA LEFT is standard,FIDUCIAL CAMERA RIGHT is option .
HEAD SERVO BOARD ASSY 2 P046
HS1 CN4
HS1 CN5
HS1 CN1
HS1 CN8
R2M
R2P
RA2-AXIS 15W
M33
J0316
J0324
HEAD10(VACUUM/BLOW)
T003C401/T003C403
T003C001/T003C003
T003C000/T003C002
T002CC01/T002CC03
T002CC00/T002CC02
T002C801/T002C803
T002C401/T002C403
T002C400/T002C402
T002C804
T002C001/T002C003
T002C000/T002C002
HEAD SERVO BOARD ASSY 1 P045
J0310
N0100981
N0100980
M21
M20
M19
M18
M17
ZA1-AXIS 10W
ZA2-AXIS 10W
ZA3-AXIS 10W
ZA4-AXIS 10W
ZA5-AXIS 10W
MAX 1m/s
MAX 1m/s
MAX 1m/s
MAX 1m/s
MAX 1m/s
MAX 1m/s
MAX 1m/s
MAX 1m/s
MAX 1m/s
MAX 1m/s
ZA6-AXIS 10W
ZA7-AXIS 10W
ZA8-AXIS 10W
ZA9-AXIS 10W
ZA10-AXIS 10W
M12
M13
M14
M16
M15
CAMERA SELECTOR P082
CN5
CN4
CN7
CN6
CN9
CN8
CN10
CN11
LIGHT3
J0306
CAMOUT
CAM1
CAM2
LIGHT1
LIGHT2
J0300
J0505
J0507
J0509
J0302
DC24V
VACUUM/BLOW 2
VACUUM/BLOW/SHAFT
J0162
J0521
J0021
J0523
J0024
J0195
J0503
J0092
・In case that conveyer's fixation is front side and PCB's transportation is R>L,
FIDUCIAL CAMERA LEFT is standard,FIDUCIAL CAMERA RIGHT is option .
・In case that conveyer's fixation is front side and PCB's transportation is L>R,
See Page 6
See Page 17
D.CAM1
CN1
CN2
FID.LIGHT BRD. ASSY
EL01
FIDUCIAL CAMERA RIGHT
CN1
CN2
FID.LIGHT BRD. ASSY
FIDUCIAL CAMERA LEFT
P091
P093
D.CAM2
FCAM R
FIDUCIAL CAMERA RIGHT
FIDUCIAL CAMERA LEFT
FCAM R
FCAM L
FCAM L
FIDUCIAL LIGHT LEFT
FIDUCIAL LIGHT RIGHT
EL02
See NOTE2
NOTE2:
YAORG
YAOT
FLEXIBLE
DUCT XA
J0026
J0525
J0094
CAM2
HA S2
HA POW/EMGPOW/EMG
HA S1
LIGHT1
LIGHT2
J0302(NOTE2)
J0300(NOTE2)
CN2
CN7
CN2
CN7
SPARE CN16
CN1
CN2
CN3 RS232C
FPGA
CPU CAMOUT
CAM1
LIGHT1
CAM2
LIGHT2
CAM3
LIGHT3
DC24V
Z1M
Z1P
Z2M
Z2P
Z5P
Z5M
Z4P
Z4M
Z3P
Z3M
Z10P
Z10M
Z9P
Z9M
Z8P
Z8M
Z7P
Z7M
Z6P
Z6M
I/O A CN8
I/O A CN7
J0022
CC.V2
12
HEAD A
YS24X(SL/DL)

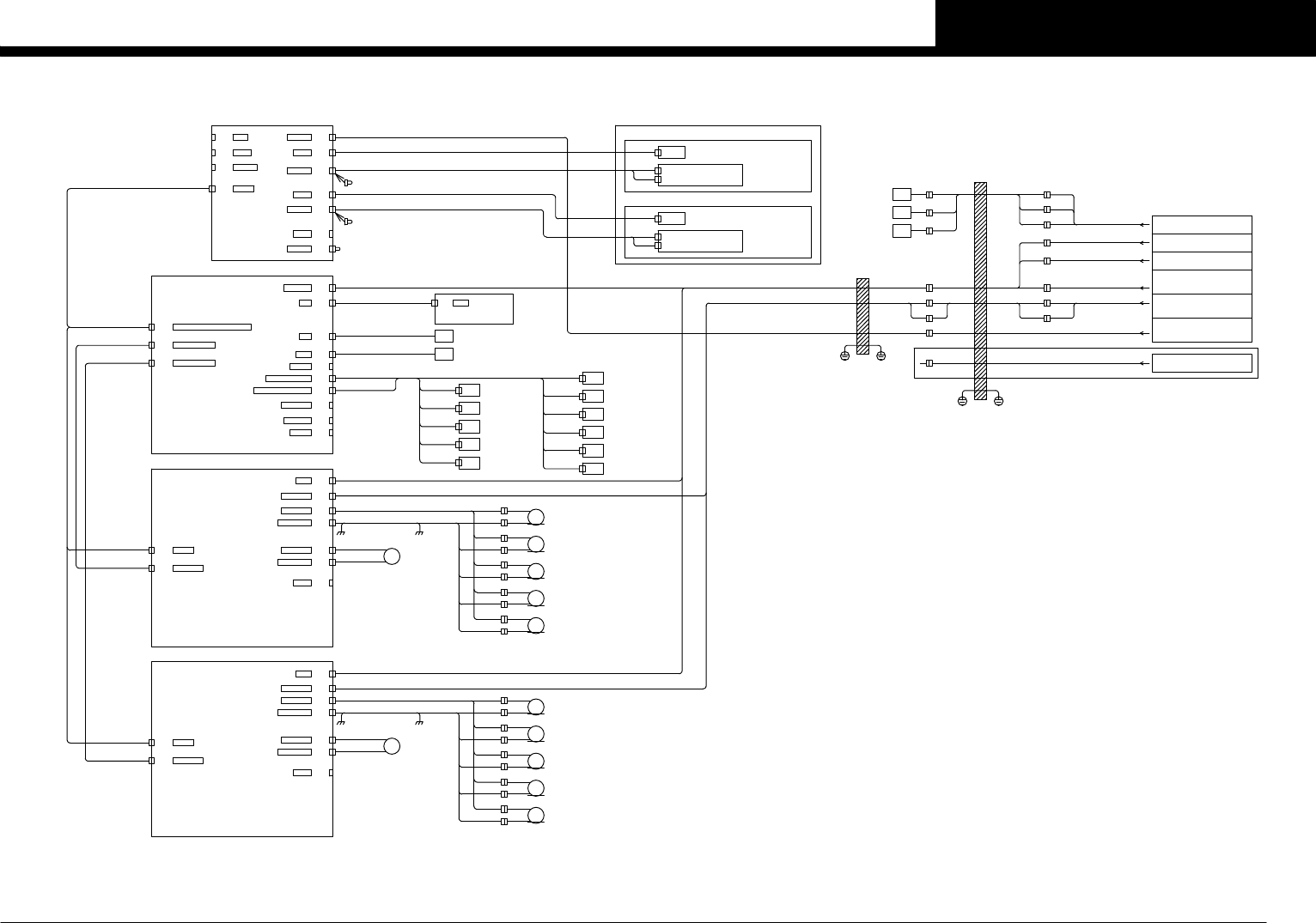
Confidential & Proprietary
PAGE
SRVB
See Page 2
CONTROL BOX
CN12
See Page 3
POWER CIRCUIT
I/O CONVEYOR BOARD
I/O CONVEYOR BOARD
See Page 2
CONTROL BOX
VISION BOARD
DC48V,0V48POW/EMG CN1
VAC
CN1 VAC
VAC SENSOR BRD ASSY
CN5AD
I/O CN5
I/O CN1
CN7OT
ORG CN8
N002D002
N002D001
CN2 SRV POW1 SRV POW2 CAMERA
CN3 SRV SIGNAL 2
SRV SIGNAL 1
I/O CN2
CN4
CN9SPARE
CN10
I/O CN10
HEAD1(VACUUM/BLOW)
HEAD2(VACUUM/BLOW)
HEAD3(VACUUM/BLOW)
HEAD4(VACUUM/BLOW)
HEAD5(VACUUM/BLOW)
HEAD 1
HEAD 2
HEAD 3
HEAD 4
HEAD 5
CN11
I/O CN11
CN12
CN13
LINER IN
ENC OUT
CN348V
HS2 CN3
HS2 CN6
SERVO IF CN6
CN1
CN8
Zaxis MO
Zaxis ENC
HS2 CN1
HS2 CN8
Raxis MO
Raxis ENC
R1P
R1M
□42 MAX 2000rpm
CN9CPLD
CN4
CN5
POWER
DI/DO/AD
HS2 CN4
HS2 CN5
CN348V
SERVO IF CN6
HS1 CN3
HS1 CN6
CN4
CN5
POWER
DI/DO/AD
CN1
CN8
Zaxis MO
Zaxis ENC
Raxis MO
Raxis ENC
□42 MAX 2000rpm
CN9CPLD
I/O CN3
I/O CN4
・In case that conveyer's fixation is front side and PCB's transportation is R>L,
FIDUCIAL CAMERA LEFT is standard,FIDUCIAL CAMERA RIGHT is option .
・In case that conveyer's fixation is front side and PCB's transportation is L>R,
FIDUCIAL CAMERA RIGHT is standard,FIDUCIAL CAMERA LEFT is option .
・In case that conveyer's fixation is rear side and PCB's transportation is R>L,
FIDUCIAL CAMERA RIGHT is standard,FIDUCIAL CAMERA LEFT is option .
・In case that conveyer's fixation is rear side and PCB's transportation is L>R,
FIDUCIAL CAMERA LEFT is standard,FIDUCIAL CAMERA RIGHT is option .
HS1 CN4
HS1 CN5
HS1 CN1
HS1 CN8
R2M
R2P
T003C401/T003C403
T003C001/T003C003
T003C000/T003C002
T002CC01/T002CC03
T002CC00/T002CC02
RB2-AXIS 15W
RB1-AXIS 15W
FLEXIBLE
DUCT YB
YBORG
YBOT
YB-AXIS OVER TRAVEL
YB-AXIS ORG
I/O CONVEYOR BOARD
CN48
See Page 6
HB+48V
HB EMG
HB+24V
CN45
See Page 6
QF52,XT31
INTERFACE BOARD 2
CAM4
CN6
CAMERA SELECTOR
See Page 9
J0315
J0323
M34
J0317
J0325
HEAD SERVO BOARD ASSY 1 P047
HEAD SERVO BOARD ASSY 2 P048
J0327
J0329
J0309
Y-AXIS SAFE
SQ002
SQ004
SQ005
YV302
YV304
YV306
YV308
J0313
SQ302
SQ304
XB-AXIS OVER TRAVEL
XB-AXIS ORIGIN
P052
J0311
HEAD I/O BOARD ASSY P042
M35
N01009B7
N01009E0
N01009E4
MAX 1m/s
MAX 1m/s
MAX 1m/s
MAX 1m/s
MAX 1m/s
ZB5-AXIS 10W
ZB4-AXIS 10W
ZB3-AXIS 10W
ZB2-AXIS 10W
ZB1-AXIS 10W
M31
M30
M29
M28
M27
MAX 1m/s
MAX 1m/s
MAX 1m/s
MAX 1m/s
MAX 1m/s
M22
M23
M24
M25
ZB10-AXIS 10W
ZB9-AXIS 10W
ZB8-AXIS 10W
ZB7-AXIS 10W
ZB6-AXIS 10W
M26
CN5CAMOUT
CN4CAM1
CN7LIGHT1
CN6
CN9
CAM2
LIGHT2
CN8
CN10
CAM3
LIGHT3
CN11 DC24V
LIGHT3
CAMOUT
CAM1
CAM2
LIGHT1
LIGHT2
DC24V
CAMERA SELECTOR P083
J0301
J0303
J0510
J0508
J0506
J0307
CN1
CN2
FID.LIGHT BRD. ASSY
FIDUCIAL CAMERA RIGHT
CN1
CN2
FID.LIGHT BRD. ASSY
FIDUCIAL CAMERA LEFT
FCAM R
FIDUCIAL CAMERA RIGHT
FIDUCIAL CAMERA LEFT
FCAM R
FCAM L
FCAM L
FIDUCIAL LIGHT LEFT
FIDUCIAL LIGHT RIGHT
P092
P094
EL04
D.CAM3
D.CAM4
EL03
J0093
J0524
J0025
J0162
J0021
J0163
J0522
J0023
J0504
J0504
CAM 4(3D CO-PLANARITY CHECKER spec.)
VACUUM/BLOW 2
VACUUM/BLOW/SHAFT
HEAD6(VACUUM/BLOW)
HEAD7(VACUUM/BLOW)
HEAD8(VACUUM/BLOW)
HEAD7(VACUUM/BLOW)
SH BLOW SHAFT BLOW
HEAD 6
HEAD 7
HEAD 8
HEAD 9
HEAD 10 HEAD10(VACUUM/BLOW)
T002C801/T002C803
T002C401/T002C403
T002C400/T002C402
T002C804
T002C001/T002C003
T002C000/T002C002
YV312
YV314
YV316
YV318
YV320
YV322
See Page 17
YV310
NOTE3:
See NOTE3
YSAFE
LIGHT1
LIGHT2
J0303(NOTE3)
J0301(NOTE3)
SPARE CN16
CN1
CN2
CN3 RS232C
FPGA
CPU
Z1M
Z1P
Z2M
Z2P
Z5P
Z5M
Z4P
Z4M
Z3P
Z3M
Z10P
Z10M
Z9P
Z9M
Z8P
Z8M
Z7P
Z7M
Z6P
Z6M
I/O B CN7
I/O B CN8
YBORG
YBOT
YSAFE
CN2
CN7
CN2
CN7
HB S1
HB S2
CAM4
CAM4
FLEXIBLE
DUCT XB
J0027
J0526
J0095
J0196
POW/EMG HB POW/EMG
SRV B1
SRV B2
CC.V2
13
HEAD B
YS24X(SL/DL)

Confidential & Proprietary
PAGE
FRONT DIGITAL MULTI CAMERA
CN28
J0501
CN4
CONTROL BOX
I/O CONVEYOR BOARD
See Page 5
REAR DIGITAL MULTI CAMERA
LED DRIVER POWER
CN8
CN4
POCL
+24V
SQ701
SQ702
CN8
CN4
POCL
+24V
SQ703
SQ704
MULTI CAM.SUB ASSY
MULTI CAM.SUB ASSY
L+24V R
L+24V F
CAM3
CAM1
DC24V
DC24VCN11 CN10LIGHT3
CN8CAM3
LIGHT2 CN9
CAM2 CN6
LIGHT1 CN7
CAM1 CN4
LIGHT2
LIGHT3
J0557
J0558
CSEL.3
CN8
CN4
POCL
+24V
MULTI CAM.SUB ASSY
L+24V CO.
CSEL.2
CN5
CAMOUT A
CAMOUTCAM4
See Page 2
CONTROL BOX
VISION BOARD
I/O CONVEYOR BOARD
See Page 5
CAMERA SELECTOR POWER
CN36
CAMERA SELECTOR P081
LIGHT1
J0559
J0060
J0552
J0180
I/O CONVEYOR BOARD
LDC UPPER/LOWER
See Page 3
J0502
J0043
N01009B3
N01009B2
N01009B1
N01009B0
MULTI CAM2 BRD.ASSY
P060
MULTI CAM2 BRD.ASSY
MULTI CAM2 BRD.ASSY
P080
P070
J0504
HEAD B
CAMERA SELECTOR
See Page 8
CAM OUT
VISION BOARD
See Page 2 CAM3
CAM1
J0556
MULTI-CAM2 UPPER
MULTI-CAM2 LOWER
MULTI-CAM1 LOWER
MULTI-CAM1 UPPER
CN1
CN2
CN3 RS232C
FPGA
CPU
CO.PLA
3D CO-PLANARITY CHECKER
3D CO-PLANARITY CHECKER(OPTION)
UP
UP
LOWLOW
LDC2 UP
LDC1 UP
LOWLOW
CC.V2
14
CAMERA UNIT SEL.
YS24X(SL/DL)