YS24X(SL_DL)_KKT_cwd_je - 第26页
PA G E 24 Con fi dential & Proprietary Y S 2 4 X ( S L ) YS24X(SL) H014151 Air circuit FES24 1/2

Confidential & Proprietary
PAGE
2
3
4
5
6
7
8
9
10
1
2
3
4
5
6
7
8
9
10
1
11
12
11
12
CN48
1
2
3
1
2
3
1
2
3
1
2
3
1
2
3
1
2
3
1
2
3
1
2
3
SQ005
Y SAFE
+24VS3
EMG1
+24VB2
EMG3
EMG2
EMG1
EMG0
RL1
2
3
4
5
6
7
8
9
10
1
2
3
4
5
6
7
8
9
10
11
2
3
1
2
3
1
2
3
1
2
3
1
2
1
2
HA EMG
1
2
1
2
HB EMG
RL2
SAFE0
SAFE1
RL2
SAFE0
SAFE1
XB OT
(LOW ACTIVE)
(LOW ACTIVE)
XA OT
+5V
+5V
1
2
3
1
2
3
+24VA
CN7
I/O HEAD BOARD ASSY A P041
1
2
3
1
2
3
+24VA
CN7
I/O HEAD BOARD ASSY B P042
XB0T
XAOT
SAFE0
SAFE0
SAFE1
SAFE1
A1
B1
A2
B2
A3
B3
A4
B4
A5
B5
A6
B6
A7
B7
A8
B8
A9
B9
A10
B10
A11
B11
A12
B12
A13
B13
A14
B14
A15
B15
A16
B16
A17
B17
A18
B18
A19
B19
A20
B20
A21
B21
A22
B22
A23
B23
A24
B24
A25
B25
A26
B26
A27
B27
A28
B28
A29
B29
A30
B30
A1
B1
A2
B2
A3
B3
A4
B4
A5
B5
A6
B6
A7
B7
A8
B8
A9
B9
A10
B10
A11
B11
A12
B12
A13
B13
A14
B14
A15
B15
A16
B16
A17
B17
A18
B18
A19
B19
A20
B20
A21
B21
A22
B22
A23
B23
A24
B24
A25
B25
A26
B26
A27
B27
A28
B28
A29
B29
A30
B30
EMG3
EMG4
EMG5
EMG6
EMG7
EMG8
EMG9
EMG10
EMG11
EMG12
+24VS3
0V
+24VS3
0V
EMG5
EMG6
E12A
EMG11
EMG6
E11A
E13A
EMG16
E12A
E13A
E11A
E12A
+24E
+24VB2
0V
EMG12
EMG13
EMG14
EMG15
EMG16
EMG17
EMG18
EMG19
EMG20
EMG21
EMG22
+24VS3
+24E
FRONT COVER SW
SPARE
SPARE
SPARE
SPARE
SPARE
+24VB2
1
2
1
2
F EMG EMG
1
2
1
2
EMG
1
2
1
2
F COVER COVER
1
2
1
2
COVER
EMG
1
・
8
9
1
・
8
9
1010
FET
1
2
CN33
1
2
9
8
・
1
9
8
・
1
1
2
FDR EMG
EMG
1
・
8
9
1
・
8
9
1010
FET
1
2
CN33
1
2
9
8
・
1
9
8
・
1
F2 FDR EMG
P104
FDR CTRL BOARD ASSY F2
1
2
FDR EMG
FES24 FRONT-2 FEEDER
EMG
1
・
8
9
1
・
8
9
1010
FET
1
2
CN33
1
2
9
8
・
1
9
8
・
1
1
2
FDR EMG
EMG
1
・
8
9
1
・
8
9
1010
FET
1
2
CN33
1
2
9
8
・
1
9
8
・
1
1
2
FDR EMG
1
2
1
2
1
2
1
2
T32
T31
T22 EMG22
T12 EMG22
T11 EMG0
A2 0V24
T32
T31
T22
T12
T11
A2
A1 +24VA1
13 +24V
23 +24V
33 +24V
14
24 +24E
34 +24B
14
24
34 33
23
13
42 41
CH1CH2
K1K2
LOGIC
DC
AC
+24E
0V
0V
DI
EMG22
T31
T32B
EMG0
EMG22
EMG22
2
3
4
5
6
7
8
9
10
11
12
13
14
15
16
1
2
3
4
5
6
7
8
9
10
11
12
13
14
15
16
1
+24VB3
READY OUT
SERVO ON
RL2
+24VB2
+24VB4
+24E
T0100037
KM10
A2 0V24A1
U52
V52
W52
1121 T32B
1153 +24B
CONV+24V
U54
V54
W54
1122 T32A
1154+24C
CONV+24E
A1
13
1/L1
3/L2
5/L3
21
53
63
73
83
A2
14
2/T1
4/T2
6/T3
22
54
64
74
84
KM11/KM11A
A2A1
1/L1
3/L2
5/L3
21
2/T1
4/T2
6/T3
22
A1 A2 0V24
+48A
1221 T32A 1222 T32
+48V
+48V
+48V
+48A
+48A
KM12/KM12A
EMG0
I/O CONVEYOR BOARD ASSY P025
FES24 REAR-2 FEEDER
R2 FDR EMG
FDR CTRL BOARD ASSY R2
CUNET R2 CUNET
CUNET
CUNET
CUNETCUNET F1
FDR CTRL BOARD ASSY F1
P103
FES24 FRONT-1 FEEDER
F1 FDR EMG
CUNET F2
CUNET R1
FES24 REAR-1 FEEDER
SPARE
SPARE
R2 FEEDER EMG
R1 FEEDER EMG
F2 FEEDER EMG
F1 FEEDER EMG
REAR COVER SW
REAR EMG SW
FRONT EMG SW
XB OT
CONTROLLER
+24VS3
YAOT
XAOT
YAOTYAOTYAOT
SQ003
SQ004
FRONT EMG SW
SB31
FRONT COVER SW
SQ101
1
2
3
1
2
3
GOOD
1
2
3
1
2
3
GOOD
GOOD
GOOD
CONTROL BOX ASSY A1
1
2
3
1
2
3
GOOD
GOOD
1
2
3
1
2
3
GOOD
GOOD
1
2
3
1
2
3
GOOD
GOOD
SERVO1
SERVO2
SERVO3
1
2
3
1
2
3
GOOD
GOOD
INTERFACE 2
INTERFACE 1
SRV1 GOOD
SRV2 GOOD
SRV3 GOOD
SRV4 GOOD
I/F1 GOOD
I/F2 GOOD
SQ102
SB32R EMG
R COVER
REAR COVER SW
REAR EMG SW
YBOT YBOT YBOT
1
2
1
2
C/R GOOD
N01009B6
N0100996
N0100997
N01009A0
N01009A1
N01009A2
N01009A3
N01009A4
N01009A5
N01009A6
N01009A7
N0100995
N0100994
N0100993
N0100992
N0100991
N0100990
N0100987
N0100986
N0100985
N0100984
N0100983
N0100982
1
2
EMG
FOR STD.
1
2
EMG
FOR STD.
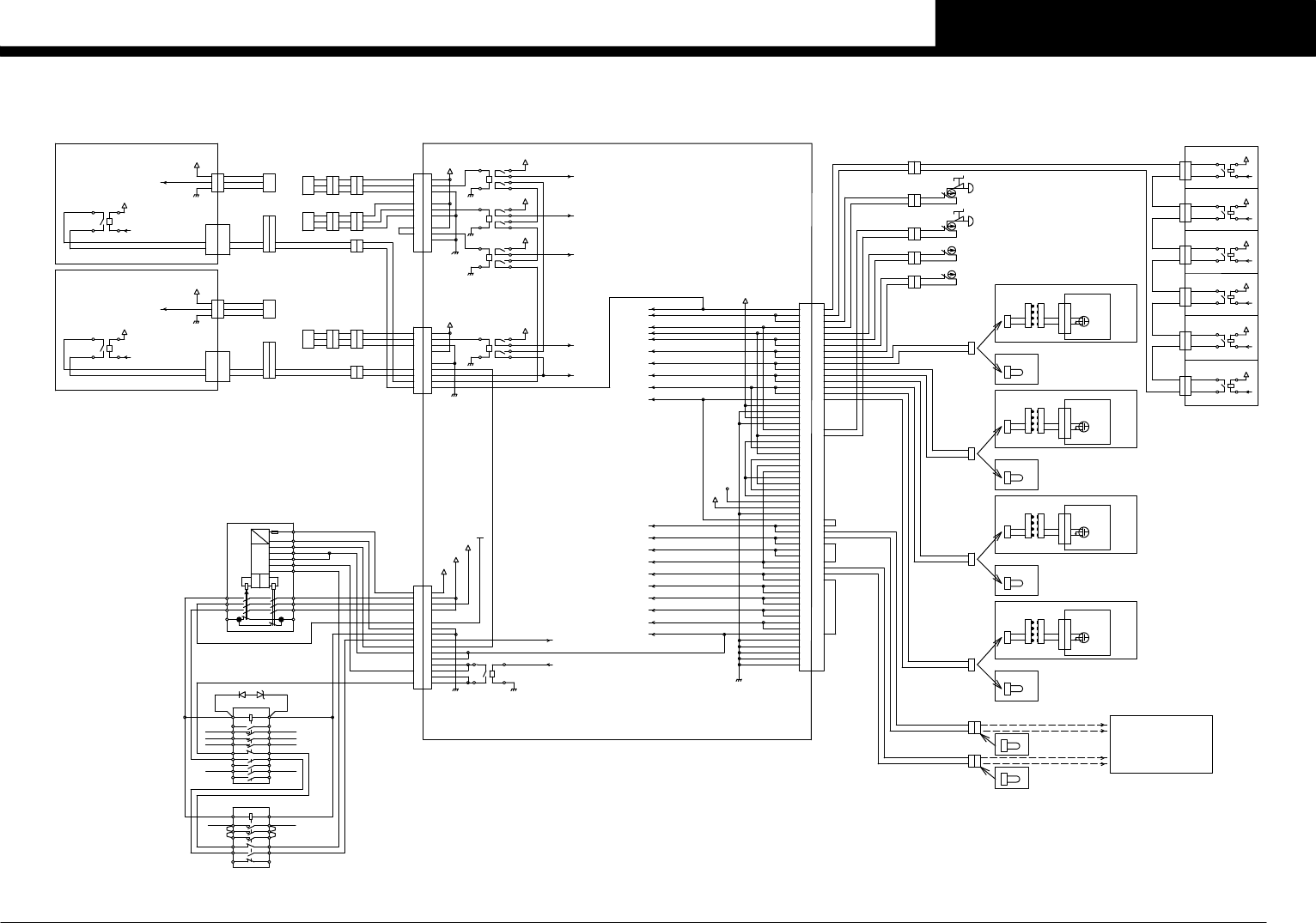
INTERCONNECTION DIAGRAM
R1 FDR EMG
FIX24 FRONT-1 FEEDER
FIX24 FRONT-2 FEEDER
FIX60 & FIX24 & FIX14 REAR-1 FEEDER
SATS SAFE
TF EMG
S-ATS SAFE
S-ATS EMG
YSAFEYSAFE
1
22
33
4
5
6
4
5
6
1
POW/EMG
XAOT
SQ303
1
22
33
4
5
6
4
5
6
1
POW/EMG
XBOT
SQ304
I/O A CN7
I/O B CN7 CN48
CN12
CN13
CN12
CN13
CN11 CN11
+24VB3
+24VB2
+24VB2
+24VB4
S10
1233 +24C
SPARE
SATS SAFE
TF EMG
P105
P106
FDR CTRL BOARD ASSY R1
FIX60 & FIX24 REAR-2 FEEDER,S-ATS II SPEC.
See S-ATS II
S-ATS II(OPTION)
※S-ATS II SPEC.SERVO4
N102D002
N002D002
A5
B5 B5
A5
A5A5
B5 B5
・・
・ ・
A1A1
CN1 CN1
A1A1
CN1 CN1
3433
41 42
1234 SRV ON
+24VB2
+24VB2
+24VB2
RL7
RL8
RL9
EMG1-1
EMG1-2
EMG1-3
SPARE
YSAFE
YBOT
N01009E1
N01009E5
N01009E7
CC.V2
23
EMERGENCY CIRCUIT
YS24X(SL/DL)

PAG E
24
Confi dential & Proprietary
YS24X(SL)
YS24X(SL)
H014151
Air circuit FES24 1/2

PAG E
25
Confi dential & Proprietary
YS24X(SL)
YS24X(SL)
H014151
Air circuit FES24 2/2