YS24X(SL_DL)_KKT_cwd_je - 第27页
PA G E 25 Con fi dential & Proprietary Y S 2 4 X ( S L ) YS24X(SL) H014151 Air circuit FES24 2/2

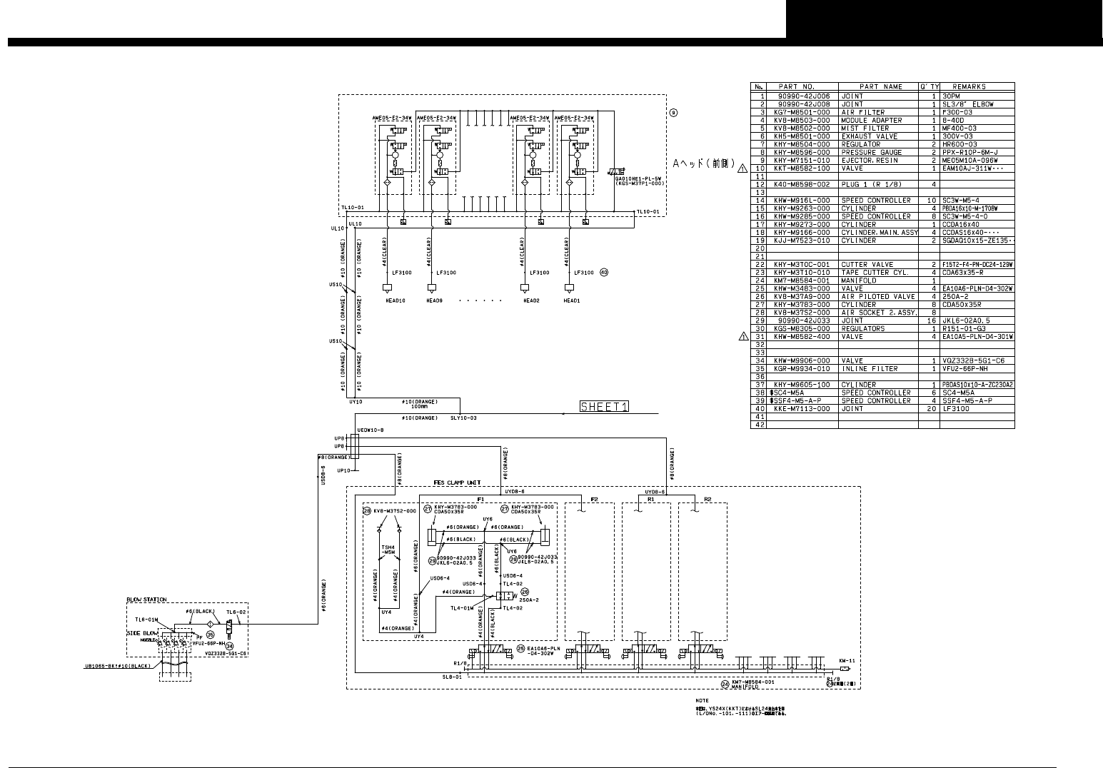
PAG E
24
Confi dential & Proprietary
YS24X(SL)
YS24X(SL)
H014151
Air circuit FES24 1/2

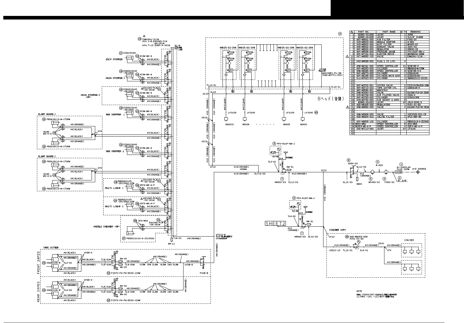
PAG E
25
Confi dential & Proprietary
YS24X(SL)
YS24X(SL)
H014151
Air circuit FES24 2/2

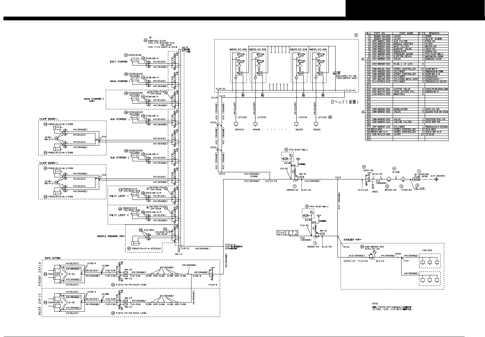
PAG E
26
Confi dential & Proprietary
YS24X(SL)
YS24X(SL)
H014151
Air circuit FIX24 1/2