KMX-000-2102YSM20接线图 - 第28页
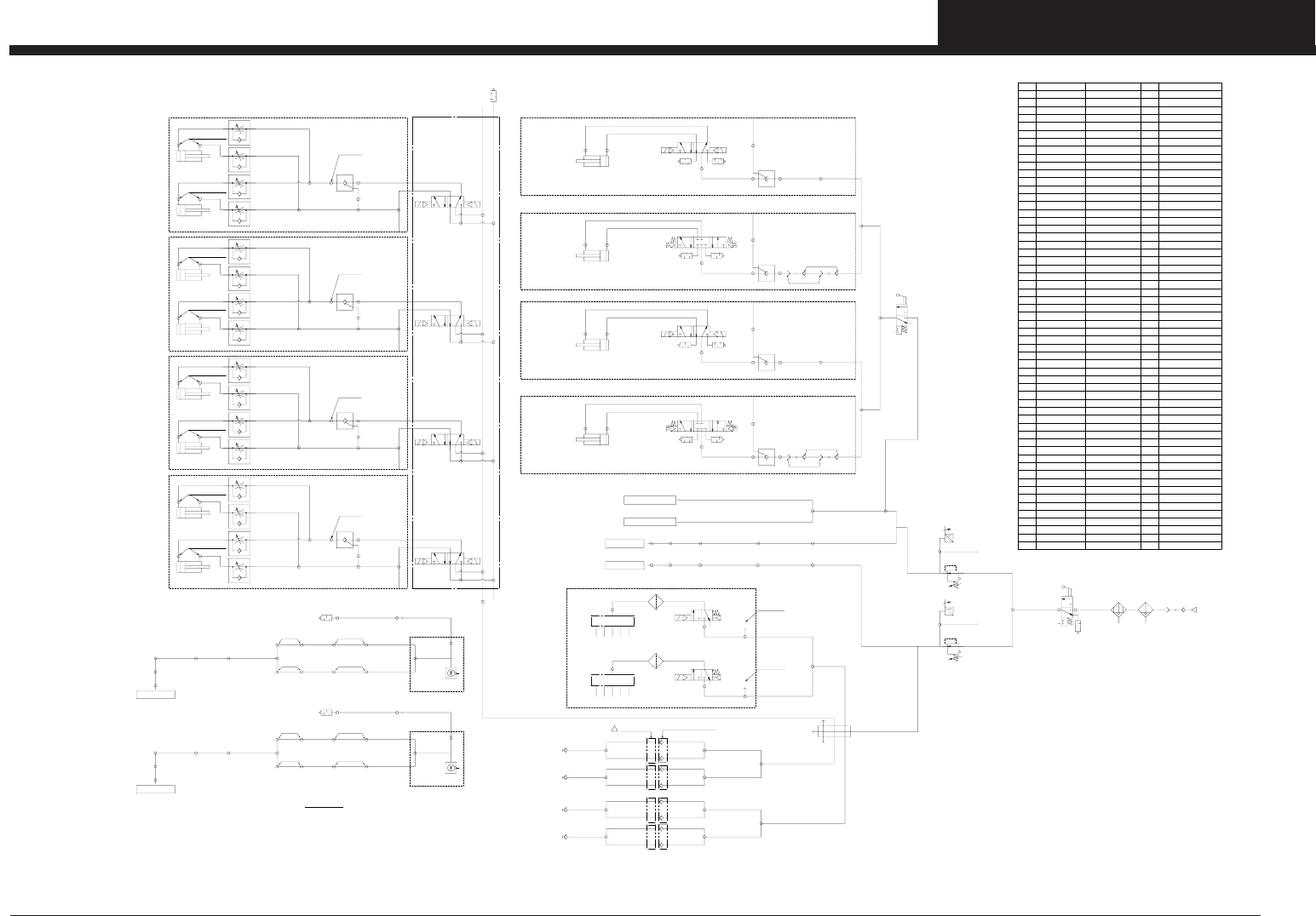
P AGE 25 Condential & Proprietary YRM20 YRM20 H027280 Air circuit (2-Beam FES) (R1)5 3(R2) 1 (P) 2(B) (A)4 (R1)5 3(R2) 1 (P) 2(B) (A)4 (R1)5 3(R2) 1 (P) 2(B) (A)4 (R1)5 3(R2) 1 (P) 2(B) (A)4 PA PA PA PA (A)4 2(B) 1 …

Confidential & Proprietary
PAGE
Voltage Supply : 200V
TM11:The selection of POWER SOURCE 5.18KVA
Voltage Supply : 380V
R2
PRI.1PRI.2
U
220V
208V
200V
190V
0V
240V
220V
208V
200V
190V
0V
240V
PRI.1PRI.2
220V
208V
200V
190V
0V
240V
220V
208V
200V
190V
0V
240V
PRI.1PRI.2
220V
208V
200V
190V
0V
240V
220V
208V
200V
190V
0V
240V
VW
S2
T2
U50
V50
W50
U60
V60
W60
PRI.1PRI.2
U
220V
208V
200V
190V
0V
240V
220V
208V
200V
190V
0V
240V
PRI.1PRI.2
220V
208V
200V
190V
0V
240V
220V
208V
200V
190V
0V
240V
PRI.1PRI.2
220V
208V
200V
190V
0V
240V
220V
208V
200V
190V
0V
240V
VW
R2
S2
T2
Voltage Supply : 208V Voltage Supply : 400V
PRI.1PRI.2
U
220V
208V
200V
190V
0V
240V
220V
208V
200V
190V
0V
240V
PRI.1PRI.2
220V
208V
200V
190V
0V
240V
220V
208V
200V
190V
0V
240V
PRI.1PRI.2
220V
208V
200V
190V
0V
240V
220V
208V
200V
190V
0V
240V
VW
PRI.1PRI.2
U
220V
208V
200V
190V
0V
240V
220V
208V
200V
190V
0V
240V
PRI.1PRI.2
220V
208V
200V
190V
0V
240V
220V
208V
200V
190V
0V
240V
PRI.1PRI.2
220V
208V
200V
190V
0V
240V
220V
208V
200V
190V
0V
240V
VW
T2
S2
R2
Voltage Supply : 220V Voltage Supply : 416V
PRI.1PRI.2
U
220V
208V
200V
190V
0V
240V
220V
208V
200V
190V
0V
240V
PRI.1PRI.2
220V
208V
200V
190V
0V
240V
220V
208V
200V
190V
0V
240V
PRI.1PRI.2
220V
208V
200V
190V
0V
240V
220V
208V
200V
190V
0V
240V
VW
PRI.1PRI.2
U
220V
208V
200V
190V
0V
240V
220V
208V
200V
190V
0V
240V
PRI.1PRI.2
220V
208V
200V
190V
0V
240V
220V
208V
200V
190V
0V
240V
PRI.1PRI.2
220V
208V
200V
190V
0V
240V
220V
208V
200V
190V
0V
240V
VW
T2
S2
R2
Voltage Supply : 240V
PRI.1PRI.2
U
220V
208V
200V
190V
0V
240V
220V
208V
200V
190V
0V
240V
PRI.1PRI.2
220V
208V
200V
190V
0V
240V
220V
208V
200V
190V
0V
240V
PRI.1PRI.2
220V
208V
200V
190V
0V
240V
220V
208V
200V
190V
0V
240V
VW
T2
S2
R2
220V
200V
200V
230V
220V
200V
230V
220V
230V
N W V U
U50
V50
W50
U60
V60
W60
220V
200V
200V
230V
220V
200V
230V
220V
230V
N W V U
U50
V50
W50
U60
V60
W60
220V
200V
200V
230V
220V
200V
230V
220V
230V
N W V U
U50
V50
W50
U60
V60
W60
220V
200V
200V
230V
220V
200V
230V
220V
230V
N W V U
U50
V50
W50
U60
V60
W60
220V
200V
200V
230V
220V
200V
230V
220V
230V
N W V U
U50
V50
W50
U60
V60
W60
220V
200V
200V
230V
220V
200V
230V
220V
230V
N W V U
U50
V50
W50
U60
V60
W60
220V
200V
200V
230V
220V
200V
230V
220V
230V
N W V U
Voltage Supply : 200V Voltage Supply : 380V
100
0V
200V
220V
208V
200V
190V
0V
240V
220V
208V
200V
190V
0V
240V
PRI.2 PRI.1
V20
U20
R2
S2
100
0V
200V
220V
208V
200V
190V
0V
240V
220V
208V
200V
190V
0V
240V
PRI.2 PRI.1
V20
U20
R2
S2
Voltage Supply : 208V Voltage Supply : 400V
100
0V
200V
220V
208V
200V
190V
0V
240V
220V
208V
200V
190V
0V
240V
PRI.2 PRI.1
V20
U20
R2
S2
100
0V
200V
220V
208V
200V
190V
0V
240V
220V
208V
200V
190V
0V
240V
PRI.2 PRI.1
V20
U20
R2
S2
Voltage Supply : 220V Voltage Supply : 416V
100
0V
200V
220V
208V
200V
190V
0V
240V
220V
208V
200V
190V
0V
240V
PRI.2 PRI.1
V20
U20
R2
S2
100
0V
200V
220V
208V
200V
190V
0V
240V
220V
208V
200V
190V
0V
240V
PRI.2 PRI.1
V20
U20
R2
S2
Voltage Supply : 240V
100
0V
200V
220V
208V
200V
190V
0V
240V
220V
208V
200V
190V
0V
240V
PRI.2 PRI.1
V20
U20
R2
S2
R2
S2
T2
T2
S2
R2
TC11:The selection of POWER SOURCE 2.00KVA
V3
24
POWER TRANSFORMER TERMINAL
YRM20-2

PAGE
25
Condential & Proprietary
YRM20YRM20
H027280
Air circuit (2-Beam FES)
(R1)5 3(R2)
1
(P)
2(B)(A)4
(R1)5 3(R2)
1
(P)
2(B)(A)4
(R1)5 3(R2)
1
(P)
2(B)(A)4
(R1)5 3(R2)
1
(P)
2(B)(A)4
PA
PA
PA
PA
(A)4 2(B)
1
(P)
3(R2)(R1)5
1 3
2
1 3
2
P
P
(R1)5
3(R2)
2(B)(A)4
1
(P)
(R1)5
3(R2)
2(B)(A)4
1
(P)
(R1)5 3(R2)
1
(P)
2(B)(A)4
PA
PA
PA
PA
⑦JCQ63-15
⑦JCQ63-15
φ4 ORANGE
φ4 BLACK
φ4 ORANGE
φ4 BLACK
φ4 BLACK
φ4 ORANGE
⑰KQ2L04-M5A
AUKM4-01
⑯AS1000P-4-4
⑯AS1000P-4-4
⑯AS1000P-4-4
⑯AS1000P-4-4
UY4 UT4
UY4
⑱KQ2L04-01NS
⑧AS2200-01S-X785
⑱KQ2L04-01NS
⑱KQ2L04-01NS
UT4
⑯AS1000P-4-4
UY4
φ4 BLACK
⑯AS1000P-4-4
φ4 ORANGE
⑯AS1000P-4-4
φ4 BLACK
⑯AS1000P-4-4
φ4 ORANGE
UY4
⑰KQ2L04-M5A
⑧AS2200-01S-X785
⑱KQ2L04-01NS
φ4 BLACK
φ4 ORANGE
AUKM4-01
⑱KQ2L04-01NS
⑱KQ2L04-01NS
⑦JCQ63-15
⑦JCQ63-15
⑦JCQ63-15
⑦JCQ63-15
⑦JCQ63-15
⑦JCQ63-15
⑱KQ2L04-01NS
⑱KQ2L04-01NS
⑱KQ2L04-01NS
⑱KQ2L04-01NS
φ4 ORANGE
φ4 BLACK
φ4 ORANGE
φ4 BLACK
⑯AS1000P-4-4
⑯AS1000P-4-4
⑯AS1000P-4-4
⑯AS1000P-4-4
UY4
UY4
UT4
⑧AS2200-01S-X785
⑰KQ2L04-M5A
⑱KQ2L04-01NS φ4 ORANGE
φ4 BLACK
AUKM4-01
UY4
UY4
UT4
⑱KQ2L04-01NS
⑧AS2200-01S-X785
⑰KQ2L04-M5A
AUKM4-01
φ4 ORANGE
φ4 BLACK
CLAMP UNIT F1
CLAMP UNIT F2
CLAMP UNIT R1
CLAMP UNIT R2
⑭SS0755-04-X147
KM-11
×
プラグ1/8
プラグ1/8
×
SL8-01
φ8 ORANGE
UP8
UP8
UP10
UEDW10-8
φ10 ORANGE
φ8 ORANGE
φ8 ORANGE
UYD8-6
UYD8-6
UYD6-4
φ4 ORANGE
φ4 ORANGE
φ6 ORANGE
φ4 ORANGE
φ4 ORANGE
C/U(F1,F2,R1,R2)
φ8 ORANGE
UYD8-6
BLOW ST.
FVU8-8
UY8
UYD8-6
φ6 ORANGE
AUK6
AUK6
φ6 ORANGE
φ6 ORANGE
φ6 ORANGE
φ6 ORANGE
⑪4GA130R-C4-E2-3
⑫4GA120R-C4-E2-3
⑫4GA120R-C4-E2-3
⑪4GA130R-C4-E2-3
TAPE CUTTER
φ4 ORANGE
φ4 ORANGE
φ4 ORANGE
φ4 ORANGE
φ4 BLACK
φ4 BLACK
φ4 BLACK
φ4 BLACK
CUTTER R2
CUTTER R1
CUTTER F2
CUTTER F1
⑳KQ2L04-02NS
⑳KQ2L04-02NS
⑳KQ2L04-02NS⑳KQ2L04-02NS
⑳KQ2L04-02NS⑳KQ2L04-02NS
⑳KQ2L04-02NS⑳KQ2L04-02NS
④SSD2-KL-63C-50-T2H-D
⑲KQ2L06-M5N
㉑AN05-M5
φ6 ORANGE
φ6 ORANGE
UT6
UT6
PL6-01
PL6-01
⑮VQZ232B-5G1-C6
⑮VQZ232B-5G1-C6
φ6 BLACKφ6 BLACK
φ6 BLACKφ6 BLACK
TS6-01M
TS6-01M
φ10 C.WHITE
(EXT.)
⑬ZFC54-X04
NOTE
1.本図は YRM20-2 (KMX 2ビーム) 32連台車仕様の空気圧回路図である。
2.コンベア部の空気圧回路図は以下を参照のこと。
コンベア仕様:DS KMX-M8500-200
UYD10-8
φ8 ORANGE
φ10 ORANGE
φ8 ORANGE
φ10 ORANGE
UYD8-6
φ6 ORANGE
φ6 ORANGE
AUS10
AUS10
φ10 ORANGE
φ12 ORANGE
AUY12
φ12 ORANGE
φ12 ORANGE
AUS10
TO CONVEYOR R
TO CONVEYOR L
TO HEAD B
UY4
UY4
UC4
UC4
φ4 ORANGE
φ4 ORANGE
⑩IR2220-02H-R-A-X1001
⑩IR2220-02H-R-A-X1001
⑨ISE30A-C4L-B-MD
⑨ISE30A-C4L-B-MD
φ4 ORANGE
φ4 ORANGE
②VHS30-03B-S
φ12 ORANGE
①AC30X-03D-6-A-X2649A
⑤KK3P-06H
⑥KK3S-06E
⑬ZFC54-X04
プラグ1/8
×
プラグ1/8
×
φ4 ORANGE
φ4 ORANGE
φ6 ORANGE
φ6 ORANGE
φ6 ORANGE
φ6 ORANGE
㉑AN05-M5
㉑AN05-M5 ㉑AN05-M5
㉑AN05-M5 ㉑AN05-M5
㉑AN05-M5 ㉑AN05-M5
ATL12-03ATL12-03
⑲KQ2L06-M5N
⑲KQ2L06-M5N
⑲KQ2L06-M5N
④SSD2-KL-63C-50-T2H-D
④SSD2-KL-63C-50-T2H-D
④SSD2-KL-63C-50-T2H-D
φ8 ORANGE
φ8 ORANGE
⑥KK3S-06E
⑤KK3P-06H
ANC(OP.)
ANC(OP.)
UYD6-4
φ4 ORANGE
φ4 ORANGE
UYD6-4
UYD6-4
φ6 ORANGE
φ4 ORANGE
φ4 ORANGE
FES ASSY.
TO HEAD A
USD16-12
ULA12
ULA12
PW16-12
φ16 YELLOWφ12 WHITE
TO HEAD A
RM/HM/FM
RM/HM/FM
RM
USD16-12
USD16-12
φ16 YELLOW
φ12 WHITE
φ12 WHITE
φ16 YELLOW
φ12 WHITE
φ12 WHITE
TBLY12-03
KH12-03-1
➂KHD200A-307-G1
ANB1-C10
USD12-10 UP12(PUMP無し時)
φ12 C.BLUEφ10 C.BLUE
VACUUM PUMP
φ10 C.BLUE
ULA12
φ12 WHITE
ANB1-C10
USD12-10
USD16-12
φ12 WHITE
PW16-12
TBLY12-03
USD16-12
KH12-03-1
USD16-12
φ16 YELLOW
φ16 YELLOW
UP12(PUMP無し時)
ULA12
φ12 WHITE
φ12 C.BLUE
φ16 YELLOW
➂KHD200A-307-G1
φ12 WHITE
VACUUM PUMP
UL16
UL16
真空系配管
φ10 C.WHITE
(EXT.)
UP6
UP6
AUK10
AUK10
UY4
φ4 ORANGE
φ4 ORANGE
φ4 ORANGE
㉒PSM4M-4
φ4 ORANGE
φ4 ORANGE
φ4 ORANGE
φ4 ORANGE
φ4 ORANGE
φ4 ORANGE
φ4 ORANGE
φ4 ORANGE
φ4 ORANGE
UY4
UY4
UY4
㉒PSM4M-4
㉒PSM4M-4
㉒PSM4M-4
UY4
テープカッターへ
テープカッターへ
UY4
テープカッターへ
UY4
UY4
テープカッターへ
φ4 ORANGE
φ4 BLACK
⑯AS1000P-4-4
⑯AS1000P-4-4
⑯AS1000P-4-4
φ4 BLACK
φ4 ORANGE
⑯AS1000P-4-4
φ4 BLACK φ4 BLACK
φ4 ORANGE
φ4 BLACK
φ4 ORANGE
φ4 BLACK
φ4 BLACK φ4 BLACK
φ4 ORANGE
φ4 BLACK φ4 BLACK
φ4 ORANGE
1
φ6 ORANGE
AUKM6-01
⑧AS2200-01S-X785
PL6-01
UYD8-6
φ6 ORANGE
⑧AS2200-01S-X785
⑧AS2200-01S-X785
⑧AS2200-01S-X785
AUKM6-01PL6-01
PL6-01
AUKM6-01
φ6 ORANGE
φ6 ORANGE
φ4 ORANGE
クランプから
クランプから
φ4 ORANGE
φ4 ORANGE
クランプから
PL6-01
AUKM6-01
φ4 ORANGE
クランプから
⑰KQ2L04-M5A
⑰KQ2L04-M5A
⑰KQ2L04-M5A
⑰KQ2L04-M5A
UL12
ULA12
AUK12
UL12
TO HEAD B
AUK12
φ12 WHITE
RM
ULA12
ULA10
AUK10
φ10 ORANGEφ10 ORANGE
ULA10
φ10 ORANGE
AUS10
AUS10
AUK10
AUS10
φ10 ORANGE
φ6 ORANGE
NO. PARTS NO. PARTS NAME QTY. DESCRIPTION
1 KLW-M8502-010 FILTER ASSY. 1 AC30X-03D-6-A-X2649A
2 LF3-M8501-000 VALVE,EXHAUST 1 VHS30-03B-S
3 KMX-M8501-000 PUMP VACUUM 2 KHD200A-307-G1
4 KMX-M3T40-000 CYL.,TAPE CUTTER 4 SSD2-KL-63C-50-T2H-D
5 KLW-M8T0J-000 COUPLER,PLUG 4 KK3P-06H
6 KLW-M3T0H-000 COUPLER,SOCKET 4 KK3S-06E
7 KMK-M3J06-000 CYLINDER,C/U 8 JCQ63-15
8 KMK-M3J37-000 PILOT VALVE 8 AS2200-01S-X785
9 KKX-M8596-000 PRESSURE GAUGE 2 ISE30A-C4L-B-MD
10 KMC-M8504-000 REGULATOR 2 IR2220-02H-R-A-X1001
11 KMK-M3TV1-000 VALVE,CUTTER 2 4GA130R-C4-E2-3
12 KMX-M3TV1-100 VALVE,CUTTER 2 4GA120R-C4-E2-3
13 KLW-M99B5-000 INLINE FILTER 2 ZFC54-X04
14 KMX-M8582-000 VALVE 1 SS0755-04-X147
15 KLW-M99V1-000 VALVE 2 VQZ232B-5G1-C6
16 $AS1000P-4-4 SPEED CONTROLLER 16 AS1000P-4-4
17 KYB-M702S-000 PIPE_FITTINGS 8 KQ2L04-M5A
18 LE6-M5J3H-000 JOINT 20 KQ2L04-01NS
19 90990-42J052 JOINT 4 KQ2L06-M5N
20 90990-42J053 JOINT 8 KQ2L04-01NS
21 90990-65J003 SILENCER 8 AN05-M5
22 90990-42J047 JOINT 4 PSM4M-4
23 $ANB1-C10 MUFFLER 2 ANB1-C10
24 $ATL12-3 JOINT 2 ATL12-3
25 $AUK6 JOINT 2 AUK6
26 $AUK10 JOINT 4 AUK10
27 $AUK12 JOINT 2 AUK12
28 $AUKM4-01 JOINT 4 AUKM4-01
29 $AUKM6-01 JOINT 4 AUKM6-01
30 $AUS10 JOINT 6 AUS10
31 $AUY12 JOINT 1 AUY12
32 $FVU8-8 JOINT 1 FVU8-8
33 $KH12-03-1 JOINT 2 KH12-03-1
34 $KM-11 MUFFLER 1 KM-11
35 $PL6-01 JOINT 6 PL6-01
36 $PW16-12 JOINT 2 PW16-12
37 $SL8-01 JOINT 1 SL8-01
38 $TBLY12-03 JOINT 2 TBLY12-03
39 $TS6-01M JOINT 2 TS6-01M
40 $UC4 JOINT 2 UC4
41 $UEDW10-8 JOINT 1 UEDW10-8
42 $ULA10 JOINT 2 ULA10
43 $ULA12 JOINT 10 ULA12
44 $UL12 JOINT 2 UL12
45 $UL16 JOINT 2 UL16
46 $UP6 JOINT 2 UP6
47 $UP8 JOINT 2 UP8
48 $UP10 JOINT 1 UP10
49 $UP12 JOINT 2 UP12
50 $UT4 JOINT 4 UT4
51 $UT6 JOINT 2 UT6
52 $USD12-10 JOINT 2 USD12-10
53 $USD16-12 JOINT 10 USD16-12
54 $UY4 JOINT 18 UY4
55 $UY8 JOINT 1 UY8
56 $UYD6-4 JOINT 4 UYD6-4
57 $UYD8-6 JOINT 6 UYD8-6
58 $UYD10-8 JOINT 1 UYD10-8

PAGE
26
Condential & Proprietary
YRM20YRM20
MTX0097
Air circuit (2-Beam FIX)
P
P
真空系配管