KMX-000-2102YSM20接线图 - 第3页
YRM20 (2-beam) T able of contents /目次 Over view / 全体接続図 Power circuit -1- / 電源回路図 -1- Power circuit -2- / 電源回路図 -2- Emergency circuit -1-(STD Spec.) / 非常停止回路図 -1- (標準) Emergency circuit -2-(STD Spec.) / 非常停止回路図 -2- (標準) …

Safety.
To replace the purchased parts safely, be sure to comply with the following items.
However the following cannot cover all items regarding safety in detail. So it is
extremely important that the worker or person handling the machine make correct
decisions regarding safety.
CAUTION Machine operation of operator•Work is limited to maintenance and
safety skill.
Be sure to turn off the machine’s power supply before doing the exchange work.
Be sure to push the emergency stop SW, and do adjustment work under the
emergency stop condition.
Refer to the manual for the replacement work of each consumable part.
*
Safety alert symbols and signal words
CAUTION
Indicates a potentially hazardous situation which, if not avoided, may result in minor
injury, or material loss or damage to the machine. These points are important for
protecting the safety of the machine and data, etc.
安全について
お買い上げいただいたパーツを安全に交換していただくために、下記の事項は必ず守って作
業を行ってください。しかしながら、下記に全ての安全性に関する項目を細部にわたり網羅
することは困難です。従って作業者自身の安全に対する正確な判断が非常に大切な要素とな
りますことをご留意ください。
注意 作業者は本機の動作・メンテナンスに習熟していて安全に作業を行える方に限り
ます。
①交換作業は、マシンの電源を切ってから必ず行ってください。
②調整作業は、非常停止 SW を押し、非常停止状態で必ず行ってください。
③消耗品の交換、各メンテナンス作業についてはマニュアルをご参照ください。
※安全標記の 注意は取り扱いを誤った場合、傷害に至る可能性または物的損害の発生
が想定される内容を示しています。本体およびデータなどの損傷を防ぐために重要な注
意事項です。
YRM20
(2-beam)
Table of contents
/目次
Over view / 全体接続図
Power circuit -1- / 電源回路図 -1-
Power circuit -2- / 電源回路図 -2-
Emergency circuit -1-(STD Spec.) / 非常停止回路図 -1- (標準)
Emergency circuit -2-(STD Spec.) / 非常停止回路図 -2- (標準)
Control box -1- /コントローラー接続図 -1-
Control box -2- /コントローラー接続図 -2-
Control box -3- /コントローラー接続図 -3-
Conv.Driver(DS1 Spec.) / コンベアードライバー (DS1) 接続図
I/O conveyor -1- / I/O コンベアー接続図 -1-
I/O conveyor -2- / I/O コンベアー接続図 -2-
I/O conveyor -3- / I/O コンベアー接続図 -3-
I/O conveyor -4- / I/O コンベアー接続図 -4-
I/O conveyor -5- / I/O コンベアー接続図 -5-
Safety Unit (STD Spec.) / 安全装置 接続図 (標準)
Conveyor Unit(DS1 Spec.) / コンベアーユニット (DS1) 接続図
Y/X Unit / Y/X ユニット
RM Head / RM ヘッド
HM Head / HM ヘッド
FM Head / FM ヘッド
Parts Supply(YS FIX32 Spec.) / 部品供給 (YS 32 連固定 ) 接続図
Front Parts Supply(YS FES32 Spec.) / 前側部品供給 (YS 32 連台車 ) 接続図
Rear Parts Supply(YS FES32 Spec.) / 後側部品供給 (YS 32 連台車 ) 接続図
Power transformer Terminal / 電源トランスターミナル接続
Air circuit (2-Beam FES) / エアー回路図 (2-Beam 台車 )
Air circuit (2-Beam FIX) / エアー回路図 (2-Beam 固定 )
Air circuit (DS1 Conveyor) / エアー回路図 (DS1 Conveyor)
Air circuit (RM HEAD) / エアー回路図 (RM HEAD)
Air circuit (HM HEAD) / エアー回路図 (HM HEAD)
Air circuit (FM HEAD) / エアー回路図 (FM HEAD)
Wiring parts list / 配線部品表
P.1
P.2
P.3
P.4
P.5
P.6
P.7
P.8
P.9
P.10
P.11
P.12
P.13
P.14
P.15
P.16
P.17
P.18
P.19
P.20
P.21
P.22
P.23
P.24
P.25
P.26
P.27
P.28
P.29
P.30
P.31
Condential & Proprietary

Confidential & Proprietary
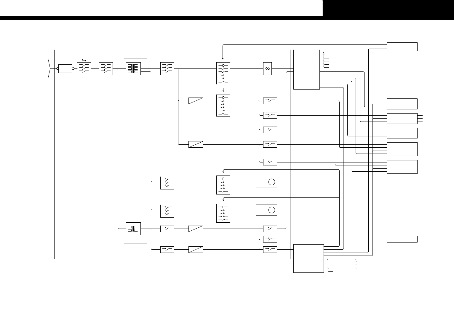
PAGE
Terminal
XB11
QS11 40A
Main Switch
QF11 30A
Main Breaker
USB MEMORY
TOUCH LCD
CAMERA UNIT
BARCODE READER(Option)
USB KEYBOARD(Option)
MOTOR
LAN
LAN
LAN
LAN
COM
COM
CONTROL BOX
See Page 4,5
EMERGENCY CIRCUIT
POWER CIRCUIT
See Page 2,3
QF43 15A
COM
FAN
SIGNAL TOWER
EMG SWITCH
COVER SWITCH
SENSOR
VALVE
FEEDER SET STATION(Option)
M82
VACUUM PUMP-2
I/O CONVEYOR
QF51 5A
MOTOR
VALVE
SENSOR
DC48V
DC24V
LAN
HEAD A
QF52 5A
DC48V
DC24V
LAN
MOTOR
VALVE
SENSOR
HEAD B
DC48V
DC24V
COM
SENSOR
MOTOR
CONV.DRIVER
QF41 7A
DC24V
DC48V
LAN
DC24V
QF42 7A
DC24V
DC48V
LAN
DC24V
M81
VACUUM PUMP-1
Rating 10.4KVA MAX.
200/208/220/240
380/400/416V
3∼ 50/60Hz
CN1-CN6
CN7-CN22
CN23-CN28
CN29-CN34
CN35-CN45
・・・
・・・
・・・
・・・
・・・
SAFETY UNIT
・・・
CONVEYER UNIT
・・・
FRONT PARTS SUPPLY
REAR PARTS SUPPLY
DS1
・・・
・・・
DS1
STD
STD
HM HEAD ・・・
HM HEAD ・・・
Page 10
Page 11
Page 12
Page 13
Page 14
Page 15
Page 16
See Page 6-8
See Page 9
See Page 7
・・・
・・・ See Page 18
See Page 18RM HEAD
See Page 19
See Page 19
RM HEAD
Noise
NF11
Filter
POWER TRANSFORMER
TERMINAL
TM11 5.18KVA
Transformer
Transformer
TC11 2.00KVA
Circuit
Protector
QF31 10A
Contactor
KM11/KM11A
Power Supply
Power Supply
GS22 648W 27A
Circuit
Protector
QF33 1.1A
Power Supply
GS31 600W 12.5A
Contactor
KM12/KM12A
GS21 300W 12.5A
Power Supply
Circuit
Protector
QF32 1.1A
QF21 4A
QF45 20A
QF53 5A
Contactor
KM14
Contactor
KM13
IONIZER ASSY(Option)
・・・
・・・
See Page 20
See Page 20FM HEAD
FM HEAD
・・・
・・・
YS FES32
YS FES32
・・・
・・・
See Page 21
YS FIX32
YS FIX32
See Page 22
See Page 23
See Page 24
CAMERA UNIT(Option)
QF22 5A GS23 1000W 42A
QF44 5A
See Page 21
V3
1
OVER VIEW
YRM20-2