00191327-01 - 第238页
5 Visionfunktionen Betriebsanleitung SIPLACE 80S-20/F4/F5 5.1 Übersicht über die Visionsys teme an den SIPLACE 80S-20/F4/F5 - Automaten Ausgabe 05/99 ab S oftwareversion SR.405.xx 5 - 6 Ei nric hter Eine Au swer teeinhe …

Betriebsanleitung SIPLACE 80S-20/F4/F5 5 Visionfunktionen
Ausgabe 05/99 ab Softwareversion SR.405.xx 5.1 Übersicht über die Visionsysteme an den SIPLACE 80S-20/F4/F5 - Automaten
Einrichter 5 - 5
In ihren Dimensionen zunehmend kleiner werdende Bauelemente, steigende Beinchenanschlußdichte,
zunehmende Bestückungsdichte und komplexer werdende Leiterplattenstrukturen stellen ständig höhere
Qualitätsanforderungen an die Bestückgenauigkeit von Automaten. Zur Lösung dieser Aufgaben werden an
den SIPLACE 80 S/F - Bestückautomaten optische Erkennungssysteme (Visionsysteme) sowohl für die Lei-
terplattenzentrierung (LP-Visionsystem) als auch für die Bauelementezentrierung (BE-Visionsystem) einge-
setzt.
5.1.1 Visionsysteme am SIPLACE 80S-20-Bestückautomaten
Am SIPLACE 80S-20 - Automaten mit seinem Doppelportalsystem und seinen zwei 12er Revolverbestück-
köpfen ist jeder Bestückkopf mit je einem CCD-Kamerasystem für die BE-Lageerkennung ausgestattet. An
der Unterseite eines jeden Portals befindet sich ein CCD-Kamerasystem für die LP-Lageerkennung (siehe
Abb. 5.1.2, Seite 5 - 5 und Abb. 5.1.3, Seite 5 - 6).
Abb. 5.1.2 Lage der 12er Revolverbestückköpfe am SIPLACE 80S-20 Bestückautomaten
- Legende zu Abb. 5.1.2
1 12er-Revolverbestückkopf / Portal 1 2 12er-Revolverbestückkopf / Portal 2
3 LP-Kameras unterhalb der Portale
Das Bauelementespektrum für die optische Zentrierung und Bestückung reicht von 0402 bis zu SO28-Bau-
elementen, d. h. die Bauelementegröße variiert zwischen 1,0 mm x 0,5 mm und max. 18,7 mm x 18,7 mm bei
einer Bauelementedicke von 0,3 mm bis 8,25 mm.
Das LP-Visionsystem für die 80S-20, 80F
4
und F
5
- Automaten zentriert standardmäßig Leiterplatten der
Größen von minimal 50 mm x 50 mm bis 460 mm x 460 mm, optional bis 508 mm x 460 mm. Die Leiterplat-
tendicke darf sich dabei im Bereich zwischen 0,5 mm und 4,5 mm bewegen.

5 Visionfunktionen Betriebsanleitung SIPLACE 80S-20/F4/F5
5.1 Übersicht über die Visionsysteme an den SIPLACE 80S-20/F4/F5 - Automaten Ausgabe 05/99 ab Softwareversion SR.405.xx
5 - 6 Einrichter
Eine Auswerteeinheit (ICOS MVS-System), im Steuereinschub des Automaten untergebracht (siehe Abb.
5.1.4, Seite 5 - 7), verarbeitet und wertet die Signale der Kamerasysteme (LP- und BE-Visionsysteme) eines
jeden Bestückkopfes aus. Aus den Sollwertabweichungen werden Korrekturwerte ermittelt, die wiederum in
die Neuberechnung der Bestückpositionen und Drehwinkel der zu bestückenden Bauelemente eingehen.
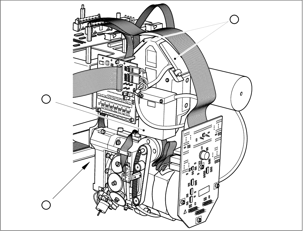
Abb. 5.1.3 Kamerasysteme für die LP- und BE-Lageerkennung an den 12er Revolverköpfen
- Legende zu Abb. 5.1.3
1 Umlenkspiegel und BE-Optik 2 BE-Kameraverstärker
3 LP-Kamera an der Portalunterseite
- Legende zu Abb. 5.1.4
1 Visionsystem, LP- und BE-Auswerteeinheit
2 COM1
3 COM2 4 Bildschirmanschluß
5 Kameraanschlüsse 6 Kameraanschlüsse
1 LP-Kamera, Portal 1 2 LP-Kamera, Portal 2
3 BE-Kamera, Portal 1 4 BE-Kamera, Portal 2
7 Batterie 8 Netzteil
008
008
2
3
1
008
008
2
3
1

Betriebsanleitung SIPLACE 80S-20/F4/F5 5 Visionfunktionen
Ausgabe 05/99 ab Softwareversion SR.405.xx 5.1 Übersicht über die Visionsysteme an den SIPLACE 80S-20/F4/F5 - Automaten
Einrichter 5 - 7
Abb. 5.1.4 Visionauswerteeinheit für Portal 1 und Portal 2 des SIPLACE 80S-20-Bestückautomaten