00191327-01 - 第245页
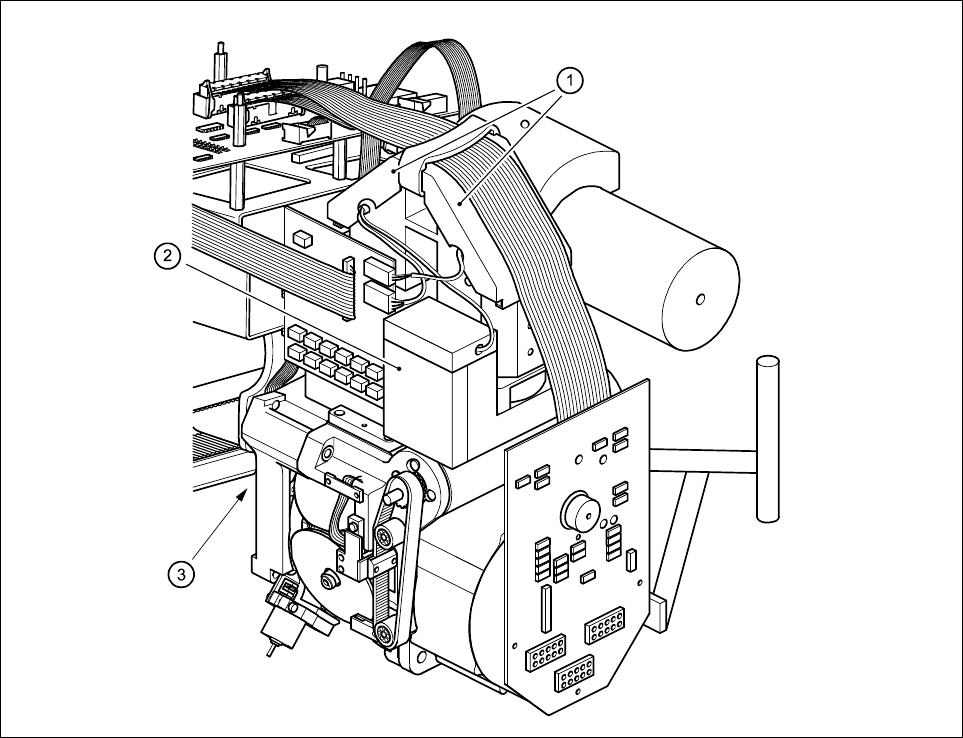
Betriebsanleitung SIPLACE 80S-20/F4/F5 5 Visionfunktionen Ausgabe 05/99 ab Softwareversion SR.405.xx 5.1 Übersicht über di e Visionsystem e an den SIPLACE 80S-20/F4/F5 - Automaten Einric hter 5 - 13 Abb. 5.1.10 Visionaus…

5 Visionfunktionen Betriebsanleitung SIPLACE 80S-20/F4/F5
5.1 Übersicht über die Visionsysteme an den SIPLACE 80S-20/F4/F5 - Automaten Ausgabe 05/99 ab Softwareversion SR.405.xx
5 - 12 Einrichter
Das Kamerasystem zur LP-Lageerkennung befindet sich auf der Portalunterseite. Es zentriert standardmäßig
Leiterplatten der Größen von minimal 50 mm x 50 mm bis 460 mm x 460 mm, optional bis 508 mm x 460 mm.
Die Leiterplattendicke darf sich dabei im Bereich zwischen 0,5 mm und 3 mm bewegen.
Abb. 5.1.9 Kamerasysteme für die LP- und BE-Lageerkennung am 6er Revolverkopf (mit Standard-BE-Visionsystem)
des F
5
-Bestückautomaten
- Legende zu Abb. 5.1.9
1 Umlenkspiegel und BE-Optik 2 BE-Kamera
3 LP-Kamera an der Portalunterseite
Die Auswerteeinheit (ICOS-MVS - System), im Steuereinschub des Automaten untergebracht (siehe Abb.
5.1.10, Seite 5 - 13) verarbeitet und wertet die Signale der LP- und BE-Kamerasysteme des 6er Revolver-
und IC-Bestückkopfes aus. Aus den Sollwertabweichungen werden Korrekturwerte ermittelt, die wiederum in
die Neuberechnung der Bestückpositionen und Drehwinkel der zu bestückenden Bauelemente eingehen.
- Legende zu Abb. 5.1.10
1 Visionsystem, LP- und BE- Vision-Auswerteeinheit 2 COM2
3 COM1 4 HS3L-Kommunikationsanschluß
5 Bildschirmanschluß (SVGA) 6 Trigger-Flashanschluß
7 Kameraanschlüsse 8 Kameraanschlüsse
1 LP-Kamera 2 IC-Kopf-Kamera
3 BE-Kamera 6er Revolverkopf 4 FC-Kamera, IC-Kopf
9 Netzteil 10 Batterie

Betriebsanleitung SIPLACE 80S-20/F4/F5 5 Visionfunktionen
Ausgabe 05/99 ab Softwareversion SR.405.xx 5.1 Übersicht über die Visionsysteme an den SIPLACE 80S-20/F4/F5 - Automaten
Einrichter 5 - 13
Abb. 5.1.10 Visionauswerteeinheit am SIPLACE 80F
5
- Bestückautomaten

5 Visionfunktionen Betriebsanleitung SIPLACE 80S-20/F4/F5
5.1 Übersicht über die Visionsysteme an den SIPLACE 80S-20/F4/F5 - Automaten Ausgabe 05/99 ab Softwareversion SR.405.xx
5 - 14 Einrichter
Abb. 5.1.11 Kamerasysteme für die LP- und BE-Lageerkennung am 6er Revolverkopf (mit BE-Visionsystem für Flip-Chips, Bare Dies
und Standardbauelementen) des F
5
-Automaten
- Legende zu Abb. 5.1.11
1 Umlenkspiegel und BE-Optik 2 BE-Kamera
3 LP-Kamera an der Portalunterseite
Die Auswerteeinheit (ICOS-MVS - System), im Steuereinschub des Automaten untergebracht (siehe Abb.
5.1.10, Seite 5 - 13) verarbeitet und wertet die Signale der LP- und BE-Kamerasysteme des 6er Revolver-
und IC-Bestückkopfes aus. Aus den Sollwertabweichungen werden Korrekturwerte ermittelt, die wiederum in
die Neuberechnung der Bestückpositionen und Drehwinkel der zu bestückenden Bauelemente eingehen.