00191327-01 - 第33页
Betriebsanleitung SIPLACE 80S-20/F4/F5 0 Einleitung Ausgabe 05/99 ab S oftwareversion SR.405.xx 0.4 Baugruppenübersicht 0 - 29 0.4.7 Übersicht 6 er-Revolverkopf mit BE-V isionsystem für Flip-Chip-BEs, Bare Dies und Stand…

0 Einleitung Betriebsanleitung SIPLACE 80S-20/F4/F5
0.4 Baugruppenübersicht Ausgabe 05/99 ab Softwareversion SR.405.xx
0 - 28
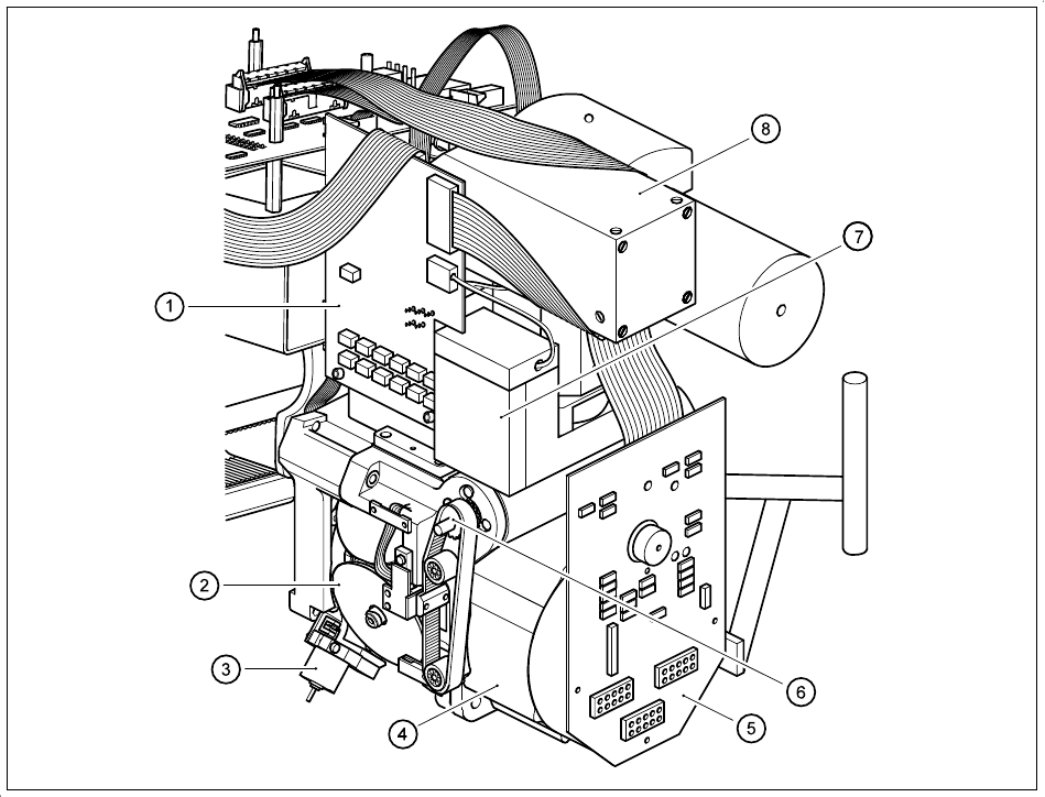
0.4.6 Übersicht 6 er-Revolverkopf mit Standard-BE-Visionsystem
Abb. 0.4.6 Übersicht 6 er-Revolverkopf mit Standard-BE-Visionsystem
- Legende zu Abb. 0.4.6
1 Platine für BE-Beleuchtungssteuerung 2 Pinolen (1 bis 6)
3 Stelleinheit für Abwurfposition 4 Sternantrieb
5 Zwischenverteilerplatine 6 Z-Achsenantrieb
7 BE-Kamera 8 Standard-BE-Beleuchtungssystem
5
6
7
1
4
2
3
8

Betriebsanleitung SIPLACE 80S-20/F4/F5 0 Einleitung
Ausgabe 05/99 ab Softwareversion SR.405.xx 0.4 Baugruppenübersicht
0 - 29
0.4.7 Übersicht 6 er-Revolverkopf mit BE-Visionsystem für
Flip-Chip-BEs, Bare Dies und Standard-BEs (DCA-Option)
Abb. 0.4.7 Übersicht 6 er-Revolverkopf mit BE-Kamera für Flip-Chips, Bare Dies und Standard-BEs
- Legende zu Abb. 0.4.7
1 Platine für BE-Beleuchtungssteuerung 2 Pinolen (1 bis 6)
3 Stelleinheit für Abwurfposition 4 Sternantrieb
5 Zwischenverteilerplatine 6 Z-Achsenantrieb
7 BE-Kamera 8 BE-Beleuchtungssystem für Flip-Chip-BEs,
Bare Dies und Standard-BEs (DCA-Option)

0 Einleitung Betriebsanleitung SIPLACE 80S-20/F4/F5
0.4 Baugruppenübersicht Ausgabe 05/99 ab Softwareversion SR.405.xx
0 - 30
0.4.8 Übersicht IC-Kopf
Abb. 0.4.8 Übersicht IC-Kopf
- Legende zu Abb. 0.4.8
1Pinole 2Vakuumdüse
3 Pipette 4 BE-Visionsystem
5 Flip-Chip-Visionsystem
1
2
3
4
5