00191327-01 - 第35页
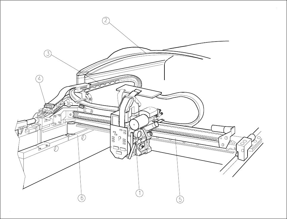
Betriebsanleitung SIPLACE 80S-20/F4/F5 0 Einleitung Ausgabe 05/99 ab S oftwareversion SR.405.xx 0.4 Baugruppenübersicht 0 - 31 0.4.9 Übersicht Portal Abb. 0.4.9 Übersicht Portal - Legende zu Abb. 0.4.9 1 R evolver kopf 2…

0 Einleitung Betriebsanleitung SIPLACE 80S-20/F4/F5
0.4 Baugruppenübersicht Ausgabe 05/99 ab Softwareversion SR.405.xx
0 - 30
0.4.8 Übersicht IC-Kopf
Abb. 0.4.8 Übersicht IC-Kopf
- Legende zu Abb. 0.4.8
1Pinole 2Vakuumdüse
3 Pipette 4 BE-Visionsystem
5 Flip-Chip-Visionsystem
1
2
3
4
5

Betriebsanleitung SIPLACE 80S-20/F4/F5 0 Einleitung
Ausgabe 05/99 ab Softwareversion SR.405.xx 0.4 Baugruppenübersicht
0 - 31
0.4.9 Übersicht Portal
Abb. 0.4.9 Übersicht Portal
- Legende zu Abb. 0.4.9
1 Revolverkopf 2 Schutzhaube
3 Kabelschlepp 4 Umsetzplatine-Portalachsen
5 X-Achse 6 Y-Achse

0 Einleitung Betriebsanleitung SIPLACE 80S-20/F4/F5
0.4 Baugruppenübersicht Ausgabe 05/99 ab Softwareversion SR.405.xx
0 - 32
0.4.10 Übersicht Leiterplattentransport
Abb. 0.4.10 Übersicht Leiterplattentransport
- Legende zu Abb. 0.4.10
1 Eingabetransport 2 Mittentransport
3 Ausgabetransport 4 Hubtisch
5 Breitenverstellung T LP-Transportrichtung
r