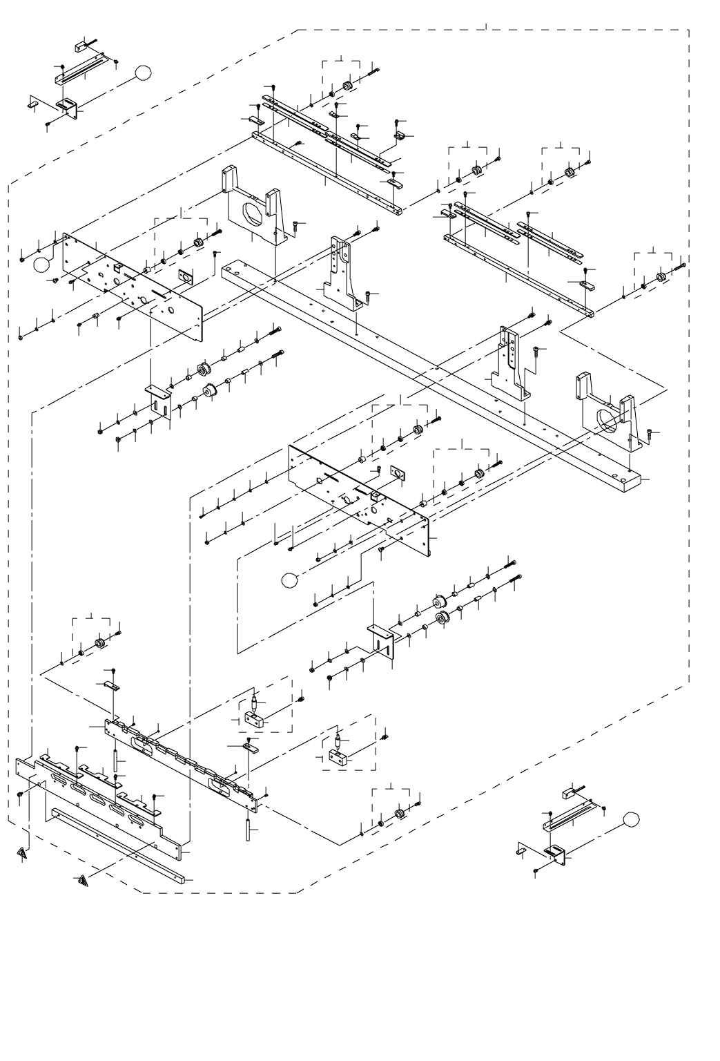
KE-750_KE-760-Rev07PDFA - 第107页
- 10 2 - NO TE ( 注記 ) # 01....F OR F RON T RE F ER E N CE 手前基準用 * INSTAL L AT IO N POSITI O N AN D D IRECT IO N VARY IF THE PWB T RAN SF ER R EFE REN CE IS D IF F ERE NT . 基板搬送基準が異なると取付位置、方向が変わります。 REF . NO N OTE PA RT N…

- 101 -
51.PWB CONVEYOR COMPONENTS (1)(M)
基板搬送関係(1)(M)
63
63
63
18
20
20
57
58
59
60
60
56
61
62
62
64
64
64
67
68
24
26
25
32
35
24
26
25
32
35
57
58
59
56
18
53
61
55
80
80
29
30
37
28
29
27
51
46
47
44
43
44
43
42
42
42
42
45
44
46
45
38
44
44
44
41
40
47
44
45
46
44
45
46
47
44
39
43
44
43
42
42
42
42
47
38
44
44
41
40
9
10
12
13
52
16
33
34
34
36
36
33
52
34
36
33
34
36
29
28
37
30
29
33
27
29
28
37
30
29
34
36
33
48
49
50
48
49
69
71
51
39
27
16
73
72
81
74
75
78
79
A
B
73
72
81
74
76
77
79
A
B
2
3
24
26
25
3
4
5
6
7
8
11
14
17
18
19
18
19
19
19
21
21
21
22
22
22
21
22
23
70
23
32
4
31
24
26
25
32
31
24
26
25
32
35
18
24
15
26
25
32
35
54
54
65
66
69
1
23
18
15
70
69

- 102 -
NOTE( 注記 ) #01....FOR FRONT REFERENCE 手前基準用
*INSTALLATION POSITION AND DIRECTION VARY IF THE PWB TRANSFER
REFERENCE IS DIFFERENT.
基板搬送基準が異なると取付位置、方向が変わります。
REF.NO NOTE PART NO D E S C R I P T I O N
品 名
Qty
1 E2040-725-0A0 CONVEYOR RAIL F ASM.
搬送レ−ル F 組
1
2 E2040-725-000 BASE BAR F ベースバー F (1)
3 E2180-721-000 RAIL STAND F
レールスタンド F
(2)
4 SL-6052092-TN SCREW
座金付き六角穴ボルト
(4)
5 E2061-725-000 RAIL STAND CL
レールスタンド CL
(1)
6 SL-6052092-TN SCREW
座金付き六角穴ボルト
(2)
7 E2062-725-000 RAIL STAND CR レールスタンド CR (1)
8 SL-6052092-TN SCREW
座金付き六角穴ボルト
(2)
9 E2048-725-000 RAIL PLATE FR
レールプレート FR
(1)
10 SM-0050801-SC SCREW
トラスねじ M 5 L =8
(4)
11 SL-6041492-TN SCREW
座金付き六角穴ボルト
(2)
12 E2047-725-000 RAIL PLATE FL レールプレート FL (1)
13 SM-0050801-SC SCREW
トラスねじ M 5 L =8
(4)
14 SL-6041492-TN SCREW
座金付き六角穴ボルト
(2)
15 E2049-725-000 CONVEYOR RAIL
搬送レール
(2)
16 SL-6031092-TN SCREW
座金付き六角穴ボルト
(2)
17 SL-6031492-TN SCREW 座金付き六角穴ボルト (1)
18 E2046-725-000 PWB INNER
PWB インナ
(6)
19 SL-6031092-TN SCREW
座金付き六角穴ボルト
(8)
20 SL-4031092-TN SCREW
なべ小ねじセムス
(4)
21 E2041-725-000 PWB GUIDE U
PWB ガイド U
(4)
22 E2042-725-000 PWB GUIDE L PWB ガイド L (4)
23 SL-6031092-TN SCREW
座金付き六角穴ボルト
(7)
24 E2111-715-0A0 CONVEYOR PULLEY ASM.
搬送プ−リ(組)
(10)
25 E2111-715-000 CONVEYOR PULLEY
搬送プーリ
(1)
26 SB-1040001-00 BEARING
ミニチュアベアリング
(1)
27 E2089-721-0A0 CONVEYOR PULLEY B ASM. 搬送プ−リ B 組 (10)
28 E2089-721-000 CONVEYOR PULLEY B ASM.
搬送プーリ B 組
(1)
29 SB-1040001-00 BEARING
ミニチュアベアリング
(2)
30 E2055-721-000 PULLEY SPACER
プーリスペーサ
(10)
31 SM-6042510-SC SCREW M4X0.7 L=25
平小ねじ M 4 X 0.7 L =25
(2)
32 WP-0430800-SC WASHER M4 平座金小形丸 M 4 (12)
33 WP-0430801-SC WASHER 4.3X9X0.8
平座金 4.3X9X0.8
(10)
34 WS-0410002-KN SPRING WASHER
ばね座金 M 4
(12)
35 SM-6040810-SC SCREW M4X0.7 L=8
平小ねじ M 4 X 0.7 L =8
(8)
36 NM-6040001-SC NUT M4
六角ナット M 4
(12)
37 SM-4042501-SC SCREW M4X0.7 L=25
なべ小ねじ M 4 X 0.7 L =25
(10)
38 E2050-725-000 PULLEY BRACKET プーリブラケット (2)
39 SL-6041092-TN SCREW
座金付き六角穴ボルト
(4)
40 E2157-721-000 PULLEY B
プーリ B
(2)
41 E2016-71 5-000 IDLER PULLEY
アイドラプーリ
(2)
42 E2017-71 5-000 M LINER BUSH
M ライナブッシュ
(8)
43 E2018-715-000 PULLEY SLEEVE プーリ スリーブ (4)
44 WP-0531001-SC WASHER
平座金みがき丸 M 5
(12)
45 WS-0510002-KN SPRING WASHER
ばね座金 5.1 X 9.2 X 1.3
(4)
46 NM-6050001-SC NUT M5
六角ナット M 5 X 0.8 1種
(4)
47 SM-6052502-TN HEXAGONAL-HOLE BOLT
六角穴ボルト
(4)
48 WP-0320500-SF WASHER 3.2X7X0.5 平座金小形丸 M 3 (4)
49 WP-0330516-SC WASHER 3.3X8X0.5
平座金 3.3X8X0.5
(4)
50 SM-6031002-TN BOLT M3 L=10
六角穴ボルト M 3 L =10
(2)
51 E2012-721-000 ADJUST PLATE
アジャストプレート
(2)
52 SL-6030692-TN BOLT
座金付き六角穴ボルト
(4)
53 E2043-725-000 RAIL GUIDE F レールガイド F (1)
54 SL-6041292-TN SCREW
座金付き六角穴ボルト
(4)
55 E2044-725-000 CONVEYOR RAIL FC
搬送レール FC
(1)
56 E2136-721-0A0 SHAFT SUPPORT ASM.
シャフトサポート組
(2)
57 E2136-721-000 SHAFT SUPPORT
シャフトサポート
(1)
58 E2111-721-000 BEARING ミニチュアストロークベアリング (1)
59 SL-6041092-TN SCREW
座金付き六角穴ボルト
(4)
60 SM-8030302-TP SCREW M3X0.5 L=3
止めねじ M 3 X 0.5 L =3
(2)
61 E2176-721-000 RAIL GUIDE SHAFT
レールガイドシャフト
(2)
62 SM-8040502-TP SCREW M4X0.7 L=5
止めねじ M 4 X 0.7 L =5
(2)
63 E2123-721-000 PWB GUIDE PLATE F PWB ガイドプレート F (3)
64 SL-6030892-TN SCREW
座金付き六角穴ボルト
(9)
65 E2090-725-000 WEIGHT SENSOR BLOCK
ウェイトセンサブロック
(1)
66 SL-6031492-TN SCREW
座金付き六角穴ボルト
(2)
67 E2045-725-000 GUIDE RAIL
ガイドレール
(1)
68 SL-6040842-TN SCREW M4 L=8 座金付き六角穴ボルト (4)
69 HX-0025600-00 FIXED BASE
固定ベ−ス
(3)
70 SL-6030692-TN BOLT
座金付き六角穴ボルト
(2)
71 SL-6030592-TN SCREW M3 L=5
座金付き六角穴ボルト
(1)
72
#01
SL-6031092-TN SCREW
座金付き六角穴ボルト
4
73 #01 E2095-725-000 SENSOR BRACKET B センサブラケット B 2
74 #01 SL-6031092-TN SCREW 座金付き六角穴ボルト 4
75
#01
E9463-725-0A0 IN SENSOR CABLE ASM.
IN センサケ−ブル組
1
76
#01
E9467-725-0A0 OUT SENSOR CABLE ASM.
OUT センサケ−ブル組
1
77
#01
SL-4031291-SC SCREW M3X12
なべ小ねじセムス M 3 X 0.5 L =12
1
78
#01
SL-4031291-SC SCREW M3X12
なべ小ねじセムス M 3 X 0.5 L =12
1
79 #01 E2093-725-000 BU SENSOR PLATE BU センサプレート 4
80 CM-3002000-03 ATTENTION LABEL
指けが注意シール(31.5)
2
81
#01
E2094-725-000 SENSOR BRACKET A
センサブラケット A
2

- 103 -
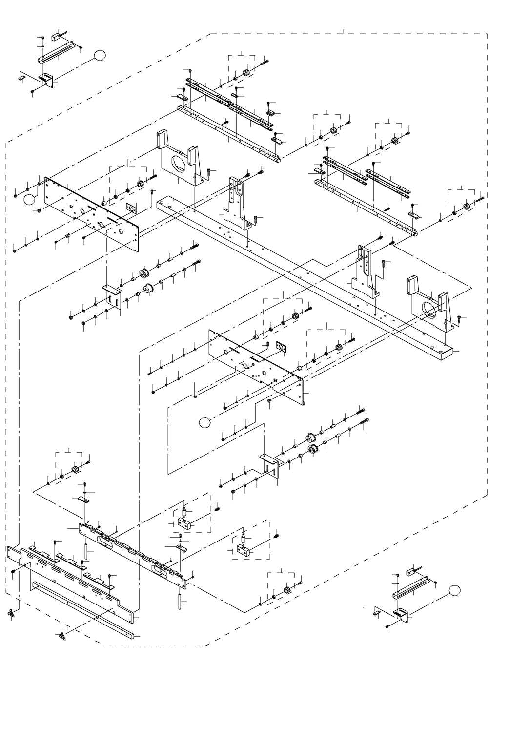
52.PWB CONVEYOR COMPONENTS (2)(L)
基板搬送関係(2)(L)
63
63
63
18
20
20
57
58
59
60
60
56
61
62
62
64
64
64
67
68
24
26
25
32
35
24
26
25
32
35
57
58
59
56
18
53
61
55
80
80
71
71
29
30
37
28
29
27
51
46
47
44
43
44
43
42
42
42
42
45
44
46
45
38
44
44
44
41
40
47
44
45
46
44
45
46
47
44
39
43
44
43
42
42
42
42
47
38
44
44
41
40
9
10
12
13
52
33
34
34
36
36
33
52
34
36
33
34
36
29
28
37
30
29
33
27
29
28
37
30
29
34
36
33
48
49
50
48
49
69
17
51
39
27
73
72
81
74
75
78
79
A
B
73
72
81
74
76
77
79
A
B
82
82
2
3
24
26
25
3
4
5
6
7
8
11
14
18
19
18
19
19
19
21
21
22
22
22
21
22
23
23
32
4
31
24
26
25
32
31
24
26
25
32
35
18
24
15
26
25
32
35
54
54
65
66
1
23
18
15
21
70
69
16
16