P223001e - 第107页
MEMO

MODEL TDM-3500E-2
0209-001
Key No. PART No. PART NAME Q’ty REMARKS
NOTE
104
6-1
51 411 119 1909 WASHER V 3X7X0.5 2 FW3 F
52 411 086 4408 WASHER SPR 3 2 SW3 F
53 411 041 8908 SCR PAN 3X6 2 M3X6 PAN
81 630 048 8821 PLATE(BELT CLIP) 1 687F--02B-019
82 630 000 7565 BOLT,HEX-SCT 4 M3X20
83 411 140 9905 NUT HEX 3 4 M3

MEMO

MODEL TDM-3500E-2
0209-001
106
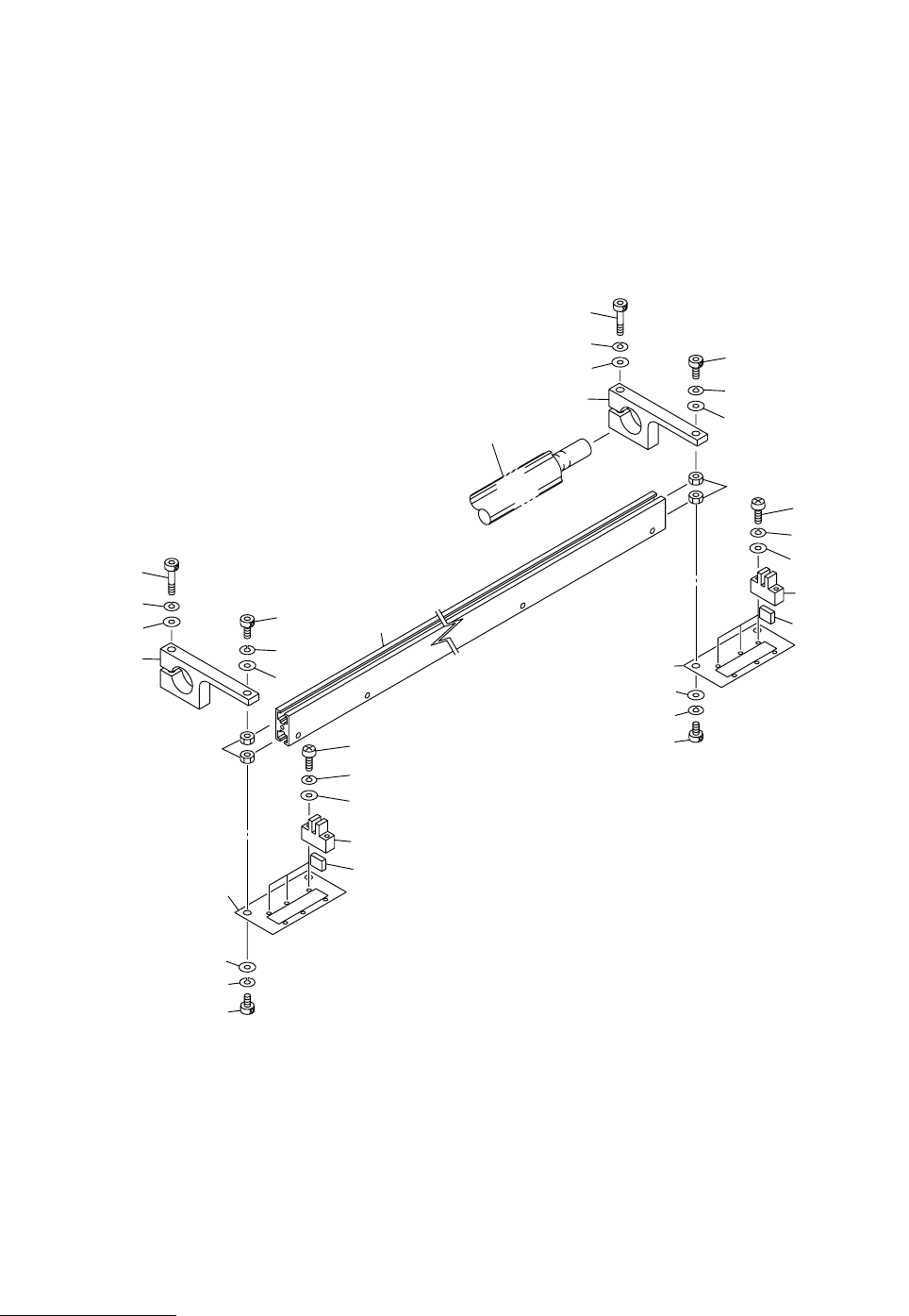
トランスファ部 TRANSFER SECTION
Fig. 6-2 送り位置検出部 Transfer Position Detector
1
2
3
4
5
8
7
6
9
10
10
12
13
14
15
16
19
18
17
Fig.6-2
See Fig.6-1
Key No.12
9
1
2
3
4
8
7
6
15
16
19
18
17
12
13
14
TDM-3500E-2