P223001e - 第117页
115 Key No. P AR T No. P AR T NAME Q’ty REMARKS NOTE MODEL TDM-3500E-2 0209-001 7-1 1 630 058 3212 P L A TE 1 687L--02B-007 2 4 1 1 14 1 4 1 0 7 WASHER V 5X10X1 2 FW5 3 4 1 1 1 41 67 05 WASHER SPR 5 2 SW5 4 630 000 7763 …

MODEL TDM-3500E-2
0209-001
114
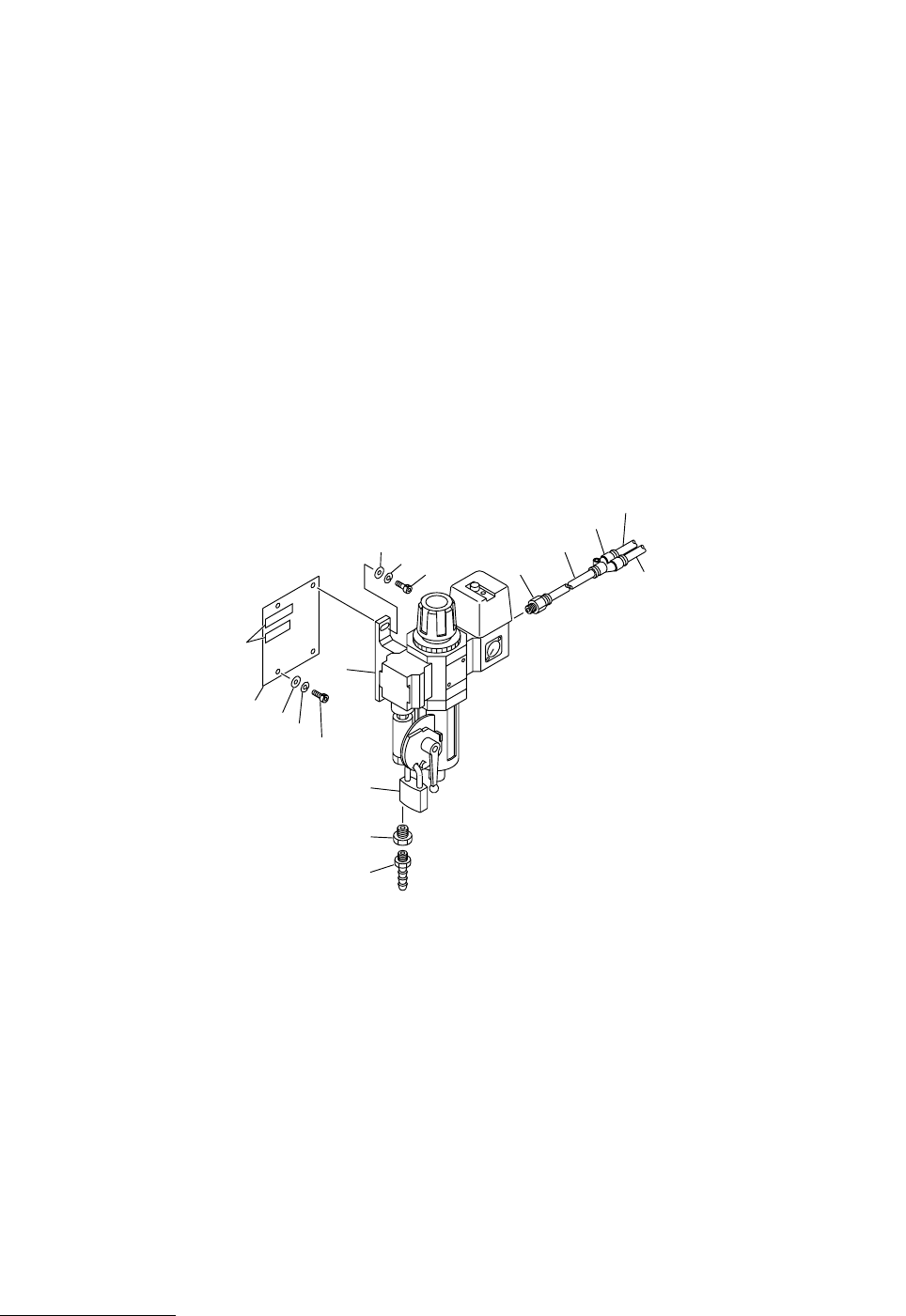
空圧制御部 PNEUMATIC SECTION
Fig. 7-1 エアポート配管 Air Port Piping
7
1
30
2
3
4
8
9
15
16
17
18
10
21
22
24
23
Fig.7-1
TDM-3500E-2

115
Key No. PART No. PART NAME Q’ty REMARKS
NOTE
MODEL TDM-3500E-2
0209-001
7-1
1 630 058 3212 PLATE 1 687L--02B-007
2 411 141 4107 WASHER V 5X10X1 2 FW5
3 411 141 6705 WASHER SPR 5 2 SW5
4 630 000 7763 BOLT,HEX-SCT 2 M5X16
7 630 057 9383 AIR LINE EQPT 1 PS1,#A3-211496- 687L--02H-004
8 630 003 8033 PIPE FITTINGS 1
9 630 008 0285 PIPE FITTINGS 1
10 630 003 7050 PIPE FITTINGS 1
15 411 141 4305 WASHER V 6X12.5X1.6 2 FW6
16 411 141 3001 WASHER SPR 6 2 SW6
17 630 000 7886 BOLT,HEX-SCT 2 M6X16
18 630 053 4917 MECH PARTS (PADLOCK) 1 687L--02H-005
22 630 062 4847 PIPE FITTINGS 1
30 630 061 6378 NAME PLATE,PARTS 1 687M--02D-004

MODEL TDM-3500E-2
0209-001
116
空圧制御部 PNEUMATIC SECTION
Fig. 7-2 エア配管1 Air Piping-1
Fig.7-2
TDM-3000E-2
TDM-3500E-2
1-3
1-2
1-4
1
2
3
4
11
12