P223001e - 第29页
27 Key No. P AR T No. P AR T NAME Q’ty REMARKS NOTE MODEL TDM-3500E-2 0209-001 2-4 1 630 058 4813 P L A T E 1 687K--02B-043 2 411 1 41 4 3 05 WASHER V 6X12.5X1.6 4 FW6 3 4 1 1 1 41 30 01 WASHER SPR 6 4 SW6 4 630 000 7909…

MODEL TDM-3500E-2
0209-001
26
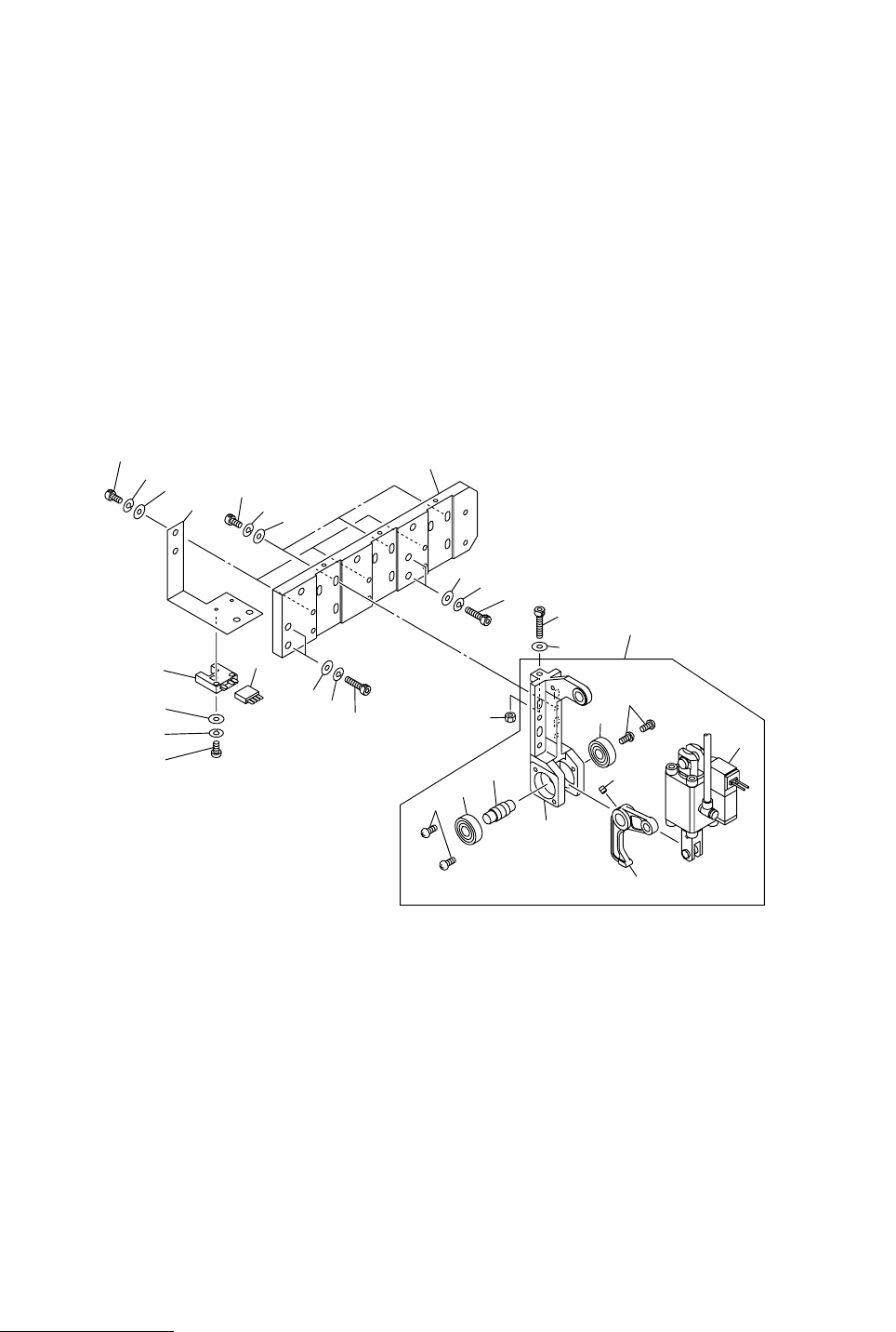
ヘッド部 HEAD SECTION
Fig. 2-4 SZ 軸ストッパ SZ Axis Stopper
1
2
3
4
2
3
4
33
31
32
34
35
11
21
22
23
18
19
20
17
13
15
15
12
38
37
36
30
14
16
16
10
Fig.2-4
TDM-3500E-2

27
Key No. PART No. PART NAME Q’ty REMARKS
NOTE
MODEL TDM-3500E-2
0209-001
2-4
1 630 058 4813 PLATE 1 687K--02B-043
2 411 141 4305 WASHER V 6X12.5X1.6 4 FW6
3 411 141 3001 WASHER SPR 6 4 SW6
4 630 000 7909 BOLT,HEX-SCT 4 M6X25
10 630 062 9330 ASSY,CYLINDER(STOPPER) 3
11 630 048 7244 BASE 1 687K--02B-066
12 630 055 2881 SHAFT 1 687K--02B-065
13 630 048 7275 LEVER 1 687K--02B-067
14 630 000 8944 SET SCREW 1 M5X6 SET
15 630 001 1272 BEARING,RADIAL 2 687K--02H-018
16 411 051 1708 SCR TRS 4X6 4 M4X6 TRS
17 630 055 2874 CYLINDER 1 SV1,SV2,SV100 687K--02H-017
18 411 141 0307 NUT HEX 4 3 M4
19 411 141 4008 WASHER V 4X9X0.8 3 FW4
20 630 000 7688 BOLT,HEX-SCT 3 M4X30
21 411 141 4107 WASHER V 5X10X1 9 FW5
22 411 141 6705 WASHER SPR 5 9 SW5
23 630 000 7770 BOLT,HEX-SCT 9 M5X20
30 630 054 7269 BRACKET 3 687K--02B-014
31 630 046 6843 SENSOR,PHOTO 3 PHS33,PHS34,PHS123
687K--02H-023
32 630 000 0269 SENSOR,PHOTO(CONNECTOR) 3 687K--02H-053
33 411 119 1909 WASHER V 3X7X0.5 6 FW3 F
34 411 086 4408 WASHER SPR 3 6 SW3 F
35 411 040 7803 SCR PAN 3X12 6 M3X12 PAN
36 411 141 4107 WASHER V 5X10X1 6 FW5
37 411 141 6705 WASHER SPR 5 6 SW5
38 630 000 7756 BOLT,HEX-SCT 6 M5X12

MODEL TDM-3500E-2
0209-001
28
ヘッド部 HEAD SECTION
Fig. 2-5 シリンジ部 Syringe Section
2
12
11
10
9
10
5
6
7
8
36
40
20
40
41
42
39
41
42
57
56
58
59
1
3
4
Fig.2-5
38
60
63
62
61
68
67
70
71
69
66
21
37
28
26
27
47
50
51
52
72
(Work Corresponding)
48
32
30
28-1
28-2
28-3
28-4
33
33-1
49
34
22
25
24
23
44
45
43
35
54
53
See Fig.2-2
Key No.13
73
75
75
75
DISPENSING NOZZLE
(Work Corresponding)
DISPENSING NOZZLE
(Work Corresponding)
DISPENSING NOZZLE
TDM-3500E-2