P223001e - 第55页
MEMO

MODEL TDM-3500E-2
0209-001
Key No. PART No. PART NAME Q’ty REMARKS
NOTE
52
3-3
63 630 064 8096 SHAFT 1 687J--02B-134
64 630 066 9046 PLATE 1 687J--02B-135
65 630 001 1609 BEARING,RADIAL 2 687J--02H-110
66 630 066 9220 COLLAR 1 687J--02B-217
67 630 066 9237 ROLLER 1 687J--02B-218
67 -1 630 066 8179 BEARING,RADIAL 1 687J--02H-201
68 630 066 9213 BOLT,HEX 1 687J--02B-216
69 630 058 3458 SPRING,TORSION 1 687J--02B-136
70 630 054 8884 SHAFT 1 687J--02B-137
71 630 054 8907 PLATE 1 687J--02B-138
72 411 141 0109 NUT HEX 3 1 M3-3
73 630 000 7558 BOLT,HEX-SCT 1 M3X16
74 630 000 7527 BOLT,HEX-SCT 1 M3X10
75 630 058 9061 COLLAR 1 687J--02B-156
76 630 087 3535 PLATE 1 687J--02B-133
77 630 042 2955 SPRING,TORSION 1 687J--02B-132
78 411 141 4107 WASHER V 5X10X1 1 FW5
78 -1 411 001 0003 RING E 4 1 687J--02H-129
79 630 000 7510 BOLT,HEX-SCT 1 M3X8
80 -1 630 074 2442 NUT 1 687J--02B-221
80 -2 630 066 9091 COLLAR 1 687J--02B-202
80 -3 630 000 7848 BOLT,HEX-SCT 1 687J--02H-202
81 630 064 6214 PLATE,LOCATE 1 687J--02B-151
82 630 064 6221 PLATE,LOCATE 1 687J--02B-152
83 411 141 3902 WASHER V 3X7X0.5 4 FW3
84 411 141 2806 WASHER SPR 3 4 SW3
85 630 000 7527 BOLT,HEX-SCT 4 M3X10
86 630 066 9077 GUIDE 1 687J--02B-153
87 411 141 4107 WASHER V 5X10X1 2 FW5
88 411 141 6705 WASHER SPR 5 2 SW5
89 630 000 7763 BOLT,HEX-SCT 2 M5X16
91 630 069 4208 PLATE 1 687J--02B-149
91 -1 630 069 4215 PLATE 1 687J--02B-150
94 411 141 3902 WASHER V 3X7X0.5 2 FW3
95 411 141 2806 WASHER SPR 3 2 SW3
96 411 141 0109 NUT HEX 3 2 M3-3
97 -1 630 074 2442 NUT 2 687J--02B-221
97 -2 630 066 9091 COLLAR 2 687J--02B-202
97 -3 630 000 7848 BOLT,HEX-SCT 2 687J--02H-202
98 630 069 3607 ROD 20 687UR-01R-001

MEMO

MODEL TDM-3500E-2
0209-001
54
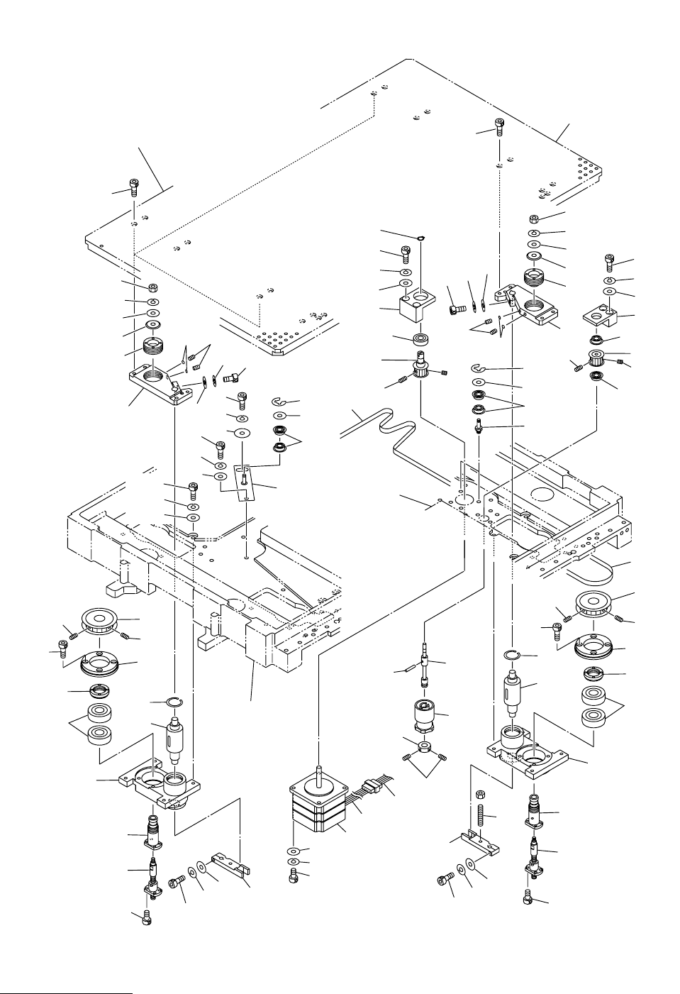
XYテーブル部 XY TABLE SECTION
Fig. 3-4 バックアップベース上下部 Back-up Base Leveller
Fig.3-4
TDM-3500E-2
See Fig.3-3
Key No.1
See Fig.3-3
Key No.51
See Fig.3-3
Key No.51
1
17
16
15
See Fig.3-3
Key No.1
14
2
4
3
5
5-1
6
7
8
9
10
11
11
18
28
27
26
24
47
49
48
19
20
21
12
23
22
1
17
16
15
14
2
4
3
5
6
7
8
9
10
11
11
18
28
27
26
24
19
20
21
13
23
22
38
25
5-1
38
55
54
53
51
56
50-1
50
29
29
60
59
58
57
34
33
32
31
31-1
37
31-1
35
39
36
40
41
64
63
62
61
68
67
66
68
67
65
69
69
30-1
30-2
30-3
120
121
46
52