RX-7-Rev07PDF - 第149页
B-2 B1 主電源・タ ッチパネル配線図 M ain power supply wiring diagram イラスト番号 Ref.No. 品番 Part Number Description 品名 個数 Q'ty 備考 Remarks 1 400-48032 P ANEL LINK CABLE 4.5M パネルリンクケーブル 4.5M 1 2 EZ1-970-005-1 1 HAR NESS (PC232CX-TP23…

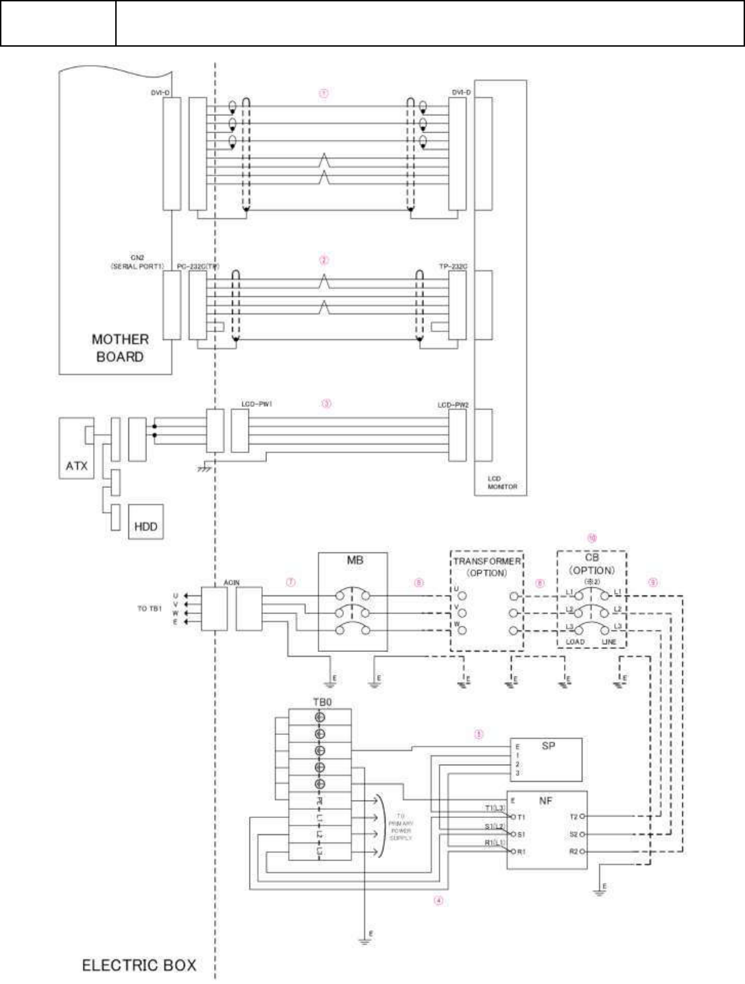
B-1
B1
主電源・タッチパネル配線図
Main power supply wiring diagram

B-2
B1
主電源・タッチパネル配線図
Main power supply wiring diagram
イラスト番号
Ref.No.
品番
Part Number
Description
品名
個数
Q'ty
備考
Remarks
1 400-48032
PANEL LINK CABLE 4.5M
パネルリンクケーブル 4.5M 1
2 EZ1-970-005-11
HARNESS (PC232CX-TP232CX)
ハ-ネス (PC232CX-TP232CX) 1
3 EZ1-970-004-12
HARNESS (LCDPW1T-LCDPW2T)
ハ-ネス (LCDPW1T-LCDPW2T) 1
4
EZ1-969-357-12
HARNESS (MAIN POWER1)
ハ-ネス (MAIN POWER1)
1 200V
EZ1-969-361-11
HARNESS (MAINPOWER UL/CE TB-NF)
ハ-ネス (MAIN POWER UL/CE TB-NF)
1 208-430V
5 EZ1-492-743-11
ABSORBER ASSY SURGE
ABSORBER ASSY SURGE
1
6
EZ1-969-358-13
HARNESS (MAIN POWER2)
ハ-ネス (MAIN POWER2) 1 200V
EZ1-969-364-11
HARNESS (MAIN POWER UL/CE T-MB)
ハ-ネス (MAIN POWER UL/CE T-MB) 1 208-430V
7 EZ1-969-359-13
HARNESS (MAIN POWER3)
ハ-ネス (MAIN POWER3) 1
8 EZ1-969-363-11
HARNESS (MAIN POWER UL/CE CB-T)
ハ-ネス (MAIN POWER UL/CE CB-T)
1 208-430V ONLY
9 EZ1-969-362-12
HARNESS (MAIN POWER UL/CE NF-CB
ハ-ネス (MAIN POWER UL/CE NF-CB)
1 208-430V ONLY
10
EZ1-523-276-11
BREAKER NO FUSE 15A
ノ-フユ-ズ遮断機(NF100-SRU 15A)(380V-430V)
1 380-430V
EZ1-523-276-21
BREAKER NO FUSE 20A
ノ-フユ-ズ遮断機(NF100-SRU 20A)(208V-240V)
1 208-240V

B-3
B2
電装 BOX 配線-1
Electrical box wiring diagram - 1