RX-7-Rev07PDF - 第151页
B-4 B2 電装 BOX 配線 -1 Electrical box wiring diagram - 1 イラスト番号 Ref.No. 品番 Part Number Description 品名 個数 Q'ty 備考 Remarks 1 EZ1-969-065-12 HARNESS (ACIN-TB1) ハ - ネス (ACIN-TB1) 1 2 EZ1-969-066-12 HARNESS (TB1-MC1) ハ - ネス…

B-3
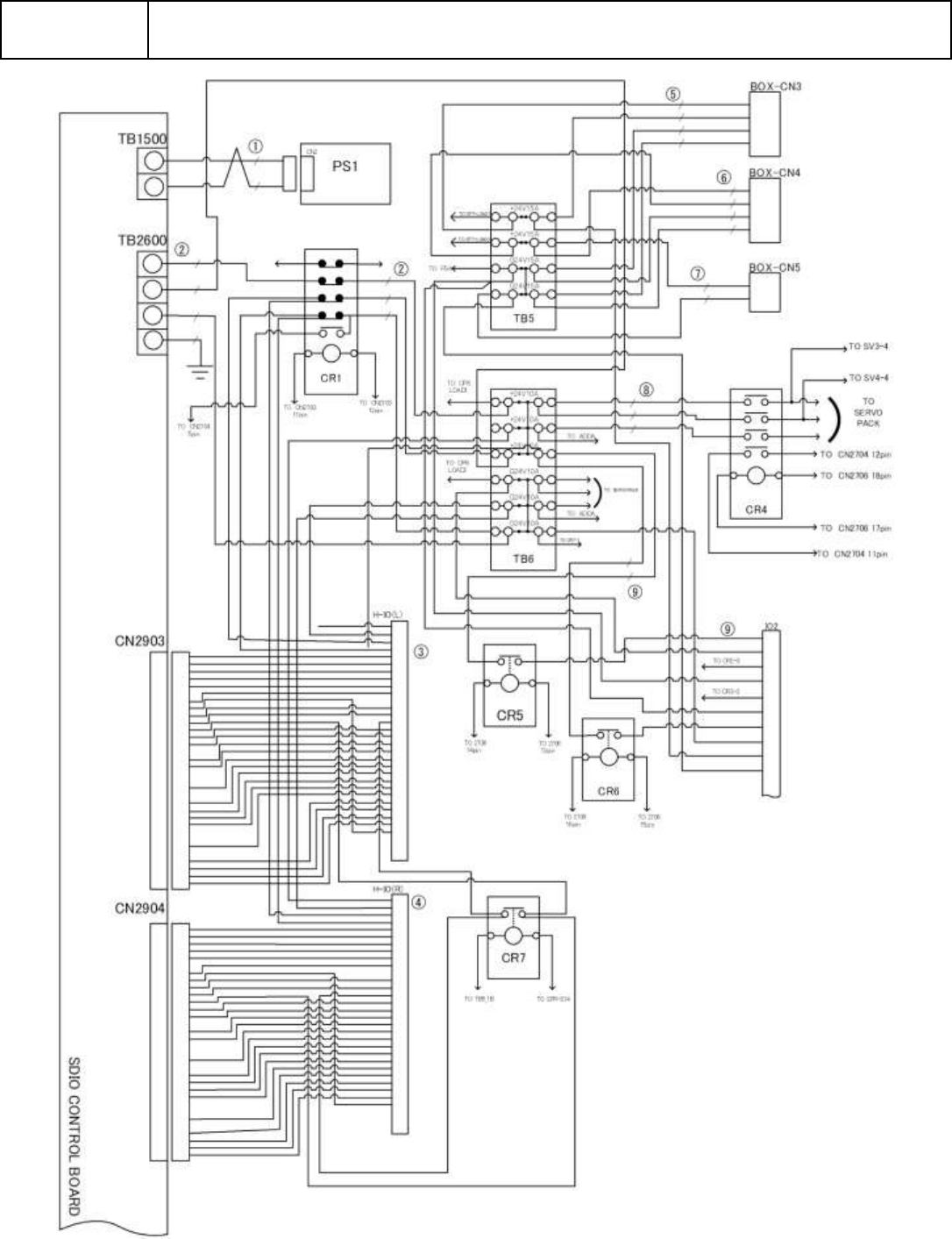
B2
電装 BOX 配線-1
Electrical box wiring diagram - 1

B-4
B2
電装 BOX 配線-1
Electrical box wiring diagram - 1
イラスト番号
Ref.No.
品番
Part Number
Description
品名
個数
Q'ty
備考
Remarks
1 EZ1-969-065-12 HARNESS (ACIN-TB1) ハ-ネス (ACIN-TB1) 1
2 EZ1-969-066-12 HARNESS (TB1-MC1) ハ-ネス (TB1-MC1) 1
3 EZ1-969-067-13 HARNESS (TB1-PS1) ハ-ネス (TB1-PS1) 1
4 EZ1-969-068-13 HARNESS (TB1-CP1)
ハ-ネス (TB1-CP1)
1
5 EZ1-969-069-12 HARNESS (CP1-ATX)
ハ-ネス (CP1-ATX)
1
6 EZ1-969-070-13 HARNESS (TB1-CP2)
ハ-ネス (TB1-CP2)
1
7 EZ1-969-071-13 HARNESS (CP2-TB3) ハ-ネス (CP2-TB3) 1
8 EZ1-969-072-12 HARNESS (TB3-FAN1) ハ-ネス (TB3-FAN1) 1
9 EZ1-969-072-22 HARNESS (TB3-FAN2) ハ-ネス (TB3-FAN2) 1
10 EZ1-969-072-32 HARNESS (TB3-FAN3)
ハ-ネス (TB3-FAN3)
1
11 EZ1-969-072-42 HARNESS (TB3-FAN4)
ハ-ネス (TB3-FAN4)
1
12 EZ1-969-073-12 HARNESS (MC1-MC2, TB2)
ハ-ネス (MC1-MC2, TB2)
1
13 EZ1-969-074-11 HARNESS (MC2-MC3) ハ-ネス (MC2-MC3) 1
14 EZ1-969-691-13 HARNESS (MC3-PS2 CP5) ハ-ネス (MC3-PS2,CP5) 1
15 EZ1-969-063-12 HARNESS (TB2-PS4) ハ-ネス (TB2-PS4) 1
16 EZ1-969-689-11 HARNESS (TB2-PS3)
ハ-ネス (TB2-PS3)
1
17 EZ1-969-064-13 HARNESS (TB2-CP4)
ハ-ネス (TB2-CP4)
1
18 EZ1-969-077-12 HARNESS (TB2-SV1)
ハ-ネス (TB2-SV1)
1
19 EZ1-969-077-22 HARNESS (TB2-SV2) ハ-ネス (TB2-SV2) 1
20 EZ1-969-078-13 HARNESS (CP5-SV1 SV2) ハ-ネス (CP5-SV1 SV2) 1
21 EZ1-969-079-13 HARNESS (CP4-SV1 SV2) ハ-ネス (CP4-SV1 SV2) 1
22 EZ1-969-080-13 HARNESS (TB2-MR1)
ハ-ネス (TB2-MR1)
1
23 EZ1-969-081-13 HARNESS (MR1-CP3)
ハ-ネス (MR1-CP3)
1
24 EZ1-969-092-12 HARNESS (CP3-VAC)
ハ-ネス (CP3-VAC)
1
25 EZ1-969-690-11 HARNESS (PS2-CP9) ハ-ネス (PS2-CP9) 1
26 EZ1-969-094-13 HARNESS (CP9-SV3, 4, 5) ハ-ネス (CP9-SV3, 4, 5) 1
27 EZ1-969-777-11 HARNESS (PS3, 4-CP6, CR3) ハ-ネス (PS3, 4-CP6, CR3) 1
28 EZ1-969-778-11 HARNESS (PS4-CP6,7,8,CR2,TB5)
ハ-ネス (PS4-CP6,7,8,CR2,TB5)
1
29 EZ1-969-711-11 HARNESS (CP7, 8-TB5, 6)
ハ-ネス (CP7, 8-TB5, 6)
1
30 EZ1-969-798-11 HARNESS (CR2 2-4)
ハ-ネス (CR2 2-4)
1
31 EZ1-969-798-21 HARNESS (CR3 2-4) ハ-ネス (CR3 2-4) 1
32 EZ1-969-520-11 HARNESS (TB3-EX FAN(F)) ハ-ネス (TB3-EX FAN(F)) 1
33 EZ1-969-521-12 HARNESS (BOX FAN (F)-FAN) ハ-ネス (BOX FAN (F)-FAN) 1
34 EZ1-969-387-12 HARNESS (TB3-EX FAN1)
ハ-ネス (TB3-EX FAN1)
1
35 EZ1-969-387-22 HARNESS (TB3-EX FAN2)
ハ-ネス (TB3-EX FAN2)
1
36 EZ1-969-994-11 HARNESS (TB3-EX FAN (CF))
ハ-ネス (TB3-EX FAN (CF))
1
37 EZ1-969-994-21 HARNESS (TB3-EX FAN (CR)) ハ-ネス (TB3-EX FAN (CR)) 1
38 EZ1-969-989-11 HARNESS (BOX FAN (CF)-FAN) ハ-ネス (BOX FAN (CF)-FAN) 1
39 EZ1-969-989-21 HARNESS (BOX FAN (CR)-FAN) ハ-ネス (BOX FAN (CR)-FAN) 1

B-5
B3
電装 BOX 配線-2
Electrical box wiring diagram - 2