RX-7-Rev07PDF - 第158页
B-1 1 B6 電装 BOX 配線 -5 Electrical box w iring diagram - 5

B-10
B5
電装 BOX 配線-4
Electrical box wiring diagram - 4
イラスト番号
Ref.No.
品番
Part Number
Description
品名
個数
Q'ty
備考
Remarks
1 EZ1-969-091-13 HARNESS (SDIO CN2700-SFR) ハ-ネス (SDIO CN2700-SFR) 1
2 EZ1-969-099-16 HARNESS (SDIO CN2800-2 ECT-IF) ハ-ネス (SDIO CN2800-2 ECT-IF) 1
3 EZ1-969-085-12 HARNESS (SDIO CN2701-IO1) ハ-ネス (SDIO CN2701-IO1) 1

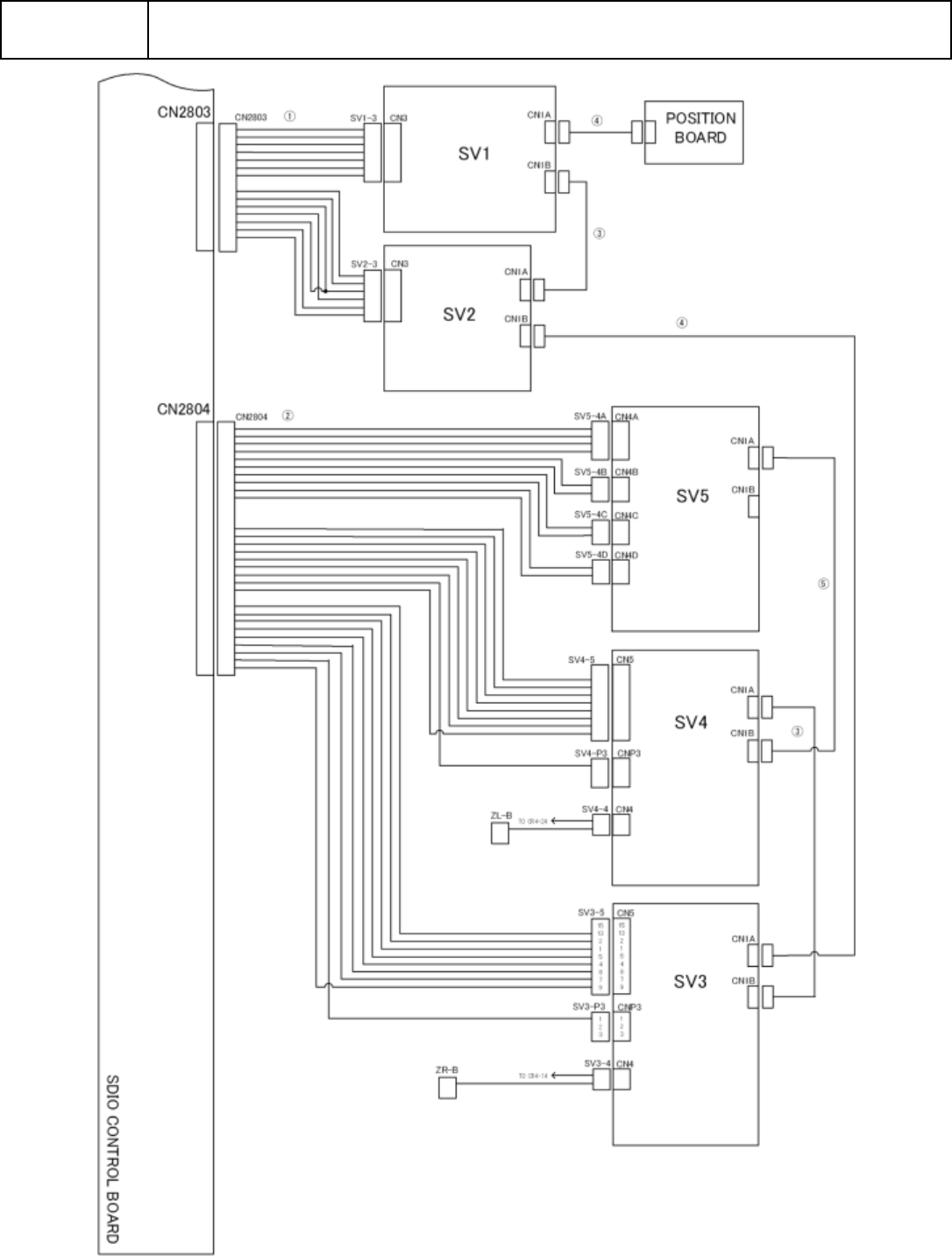
B-11
B6
電装 BOX 配線-5
Electrical box wiring diagram - 5

B-12
B6
電装 BOX 配線-5
Electrical box wiring diagram - 5
イラスト番号
Ref.No.
品番
Part Number
Description
品名
個数
Q'ty
備考
Remarks
1 EZ1-969-086-12 HARNESS (SDIO CN2803-YX CN3) ハ-ネス (SDIO CN2803-YX CN3) 1
2 EZ1-969-087-13 HARNESS (SDIO CN2804-MR-MD) ハ-ネス (SDIO CN2804-MR-MD) 1
3 400-44541 OPTICAL FIBER CABLE 0.15M ヒカリファイバケーブル 0.15M 2
4 401-18620 OPTICAL FIBER CABLE 1M
ヒカリファイバケーブル 1M
2
5 EZ1-846-588-21 CABLE, SSCNET3 (MR-J3BUS03M)
SSCNET3 ケ-ブル (MR-J3BUS03M)
1