RX-7-Rev07PDF - 第161页
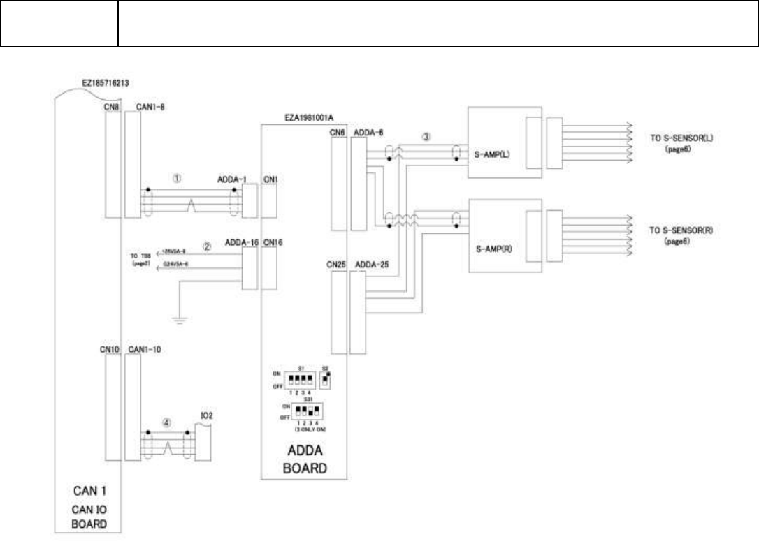
B-14 B7 電装 BOX 配線 -6 Electrical box wiring diagram - 6 イラスト番号 Ref.No. 品番 Part Number Description 品名 個数 Q'ty 備考 Remarks 1 EZ1-969-1 14-1 1 HARNESS (CAN-ADDA) ハ - ネス (CAN-ADDA) 1 2 EZ1-969-1 15-12 HARNESS (TB6-ADDA) ハ…

B-13
B7
電装 BOX 配線-6
Electrical box wiring diagram - 6

B-14
B7
電装 BOX 配線-6
Electrical box wiring diagram - 6
イラスト番号
Ref.No.
品番
Part Number
Description
品名
個数
Q'ty
備考
Remarks
1 EZ1-969-114-11 HARNESS (CAN-ADDA) ハ-ネス (CAN-ADDA) 1
2 EZ1-969-115-12 HARNESS (TB6-ADDA) ハ-ネス (TB6-ADDA) 1
3 EZ1-492-162-15 AMPLIFIER ASSY SENSOR センサ アンプ ASSY (ZX2-LDA11) 1
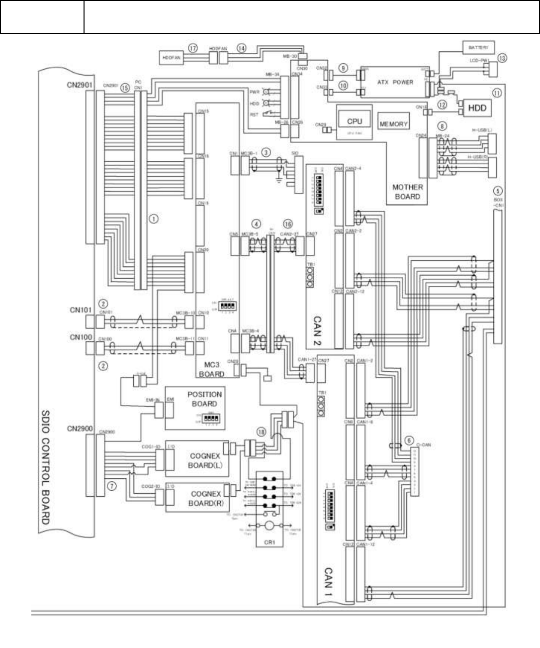
4 EZ1-969-099-16 HARNESS (SDIO CN2800-2 ECT-IF)
ハ-ネス (SDIO CN2800-2 ECT-IF)
1

B-15
B8
PC 配線
PC wiring diagram