RX-7-Rev07PDF - 第164页
B-17 B9 サーボモー ター配線 - 左ヘッド Wiring diagram servo motor - Lef t

B-16
B8
PC 配線
PC wiring diagram
イラスト番号
Ref.No.
品番
Part Number
Description
品名
個数
Q'ty
備考
Remarks
1 EZ1-969-088-12 HARNESS (PC CN1-MB, MC3B, CAN) ハ-ネス (PC CN1-MB, MC3B, CAN) 1
2 EZ1-969-784-11 HARNESS (SDIO CN100, 101-MC3B) ハ-ネス (SDIO CN100, 101-MC3B) 1
3 EZ1-837-828-11 CABLE, PC UNIT MC3 SERIAL
PC ユニツト MC3 シリアル ケ-ブル
1
4 EZ1-969-111-11 HARNESS (MC3B-MCAN) ハ-ネス (MC3B-MCAN) 1
5 EZ1-969-099-16 HARNESS (SDIO CN2800-2 ECT-IF) ハ-ネス (SDIO CN2800-2 ECT-IF) 1
6 EZ1-969-103-11 HARNESS (CAN1, 2-CONV) ハ-ネス (CAN1, 2-CONV) 1
7 EZ1-969-109-12 HARNESS SDIO CN2900-EMI, COG)
ハ-ネス (SDIO CN2900-EMI, COG)
1
8 EZ1-970-006-11 HARNESS (USB-MB24) ハ-ネス (USB-MB24) 1
9 EZ1-838-009-11 CABLE, ATX POWER (WH-M2424-500)
ATX デンゲン ケ-ブル (WH-M2424-500)
1
10 EZ1-833-193-11 CABLE, ATX POWER (WH-V0408-500) ATX デンゲン ケ-ブル (WH-V0408-500) 1
11 EZ1-838-010-11 CABLE, ATX POWER (WH-PS610-850)
ATX デンゲン ケ-ブル (WH-PS610-850)
1
12 EZ1-838-914-11 CABLE SATA (OWL-CBSATA-SS70#)
SATA ケ-ブル (OWL-CBSATA-SS70#)
1
13 EZ1-969-102-11 HARNESS (ATX-TP, POW) ハ-ネス (ATX-TP, POW) 1
14 EZ1-969-113-12 HARNESS (MB-HDDFAN)
ハ-ネス (MB-HDDFAN)
1
15 EZ1-969-110-15 HARNESS (SDIO CN2901-PC CN1)
ハ-ネス (SDIO CN2901-PC CN1)
1
16 EZ1-969-112-11 HARNESS (MCAN-CAN1, 2) ハ-ネス (MCAN-CAN1, 2) 1
17 EZ1-492-163-11 FAN ASSY (109P0912H4D01)
フアンクミ (109P0912H4D01)
1
18 EZ1-969-799-11 HARNESS (COG-CR1)
ハ-ネス (COG-CR1)
1

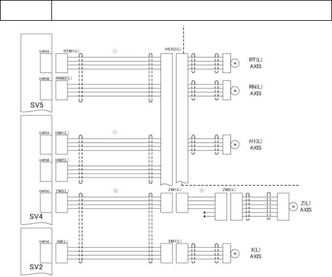
B-17
B9
サーボモーター配線-左ヘッド
Wiring diagram servo motor - Left

B-18