RX-7-Rev07PDF - 第166页
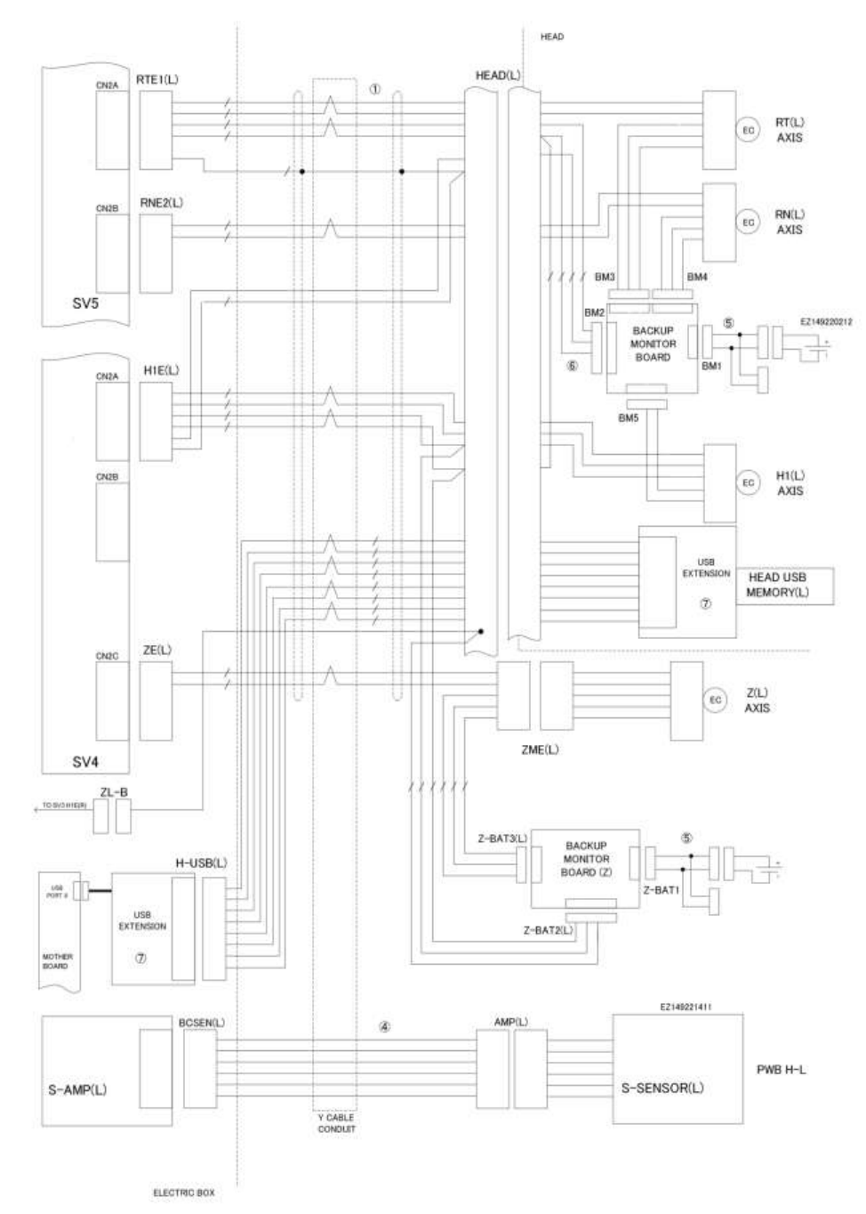
B-19 B9 サーボモーター配 線 - 左ヘッド Wiring diagra m servo motor - Left イラスト番号 Ref.No. 品番 Part Number Description 品名 個数 Q'ty 備考 Remarks 1 EZ1-969-129-16 HARNESS (HEAD,ETC-H1M,H1E,ETC) ハ - ネ ス (H E AD,ETC-H1M,H1E,ETC)(L) 1 2 EZ…

B-18

B-19
B9
サーボモーター配線-左ヘッド
Wiring diagram servo motor - Left
イラスト番号
Ref.No.
品番
Part Number
Description
品名
個数
Q'ty
備考
Remarks
1 EZ1-969-129-16 HARNESS (HEAD,ETC-H1M,H1E,ETC) ハ-ネス (HEAD,ETC-H1M,H1E,ETC)(L) 1
2 EZ1-969-127-12 HARNESS (YM YE ETC-YM1 YS ETC)
ハ-ネス (YM YE ETC-YM1 YS ETC)(L)
1
3 EZ1-969-122-13 HARNESS (ZM1-ZM2)
ハ-ネス (ZM1-ZM2)
1
4 EZ1-969-135-12 HARNESS (BCSEN-AMP) ハ-ネス (BCSEN-AMP) (L) 1
5 401-58057 HARNESS (BAT-BACKUP MONITOR 2)
ハ-ネス(BAT-BACKUP MONITOR 2)
2
6 EZ1-969-505-12 HARNESS (BACKUP MONITORING)
ハ-ネス (バツクアツプ モニタ-)
1
7 EZ1-458-773-11 USB EXTENSION (USB-EX50) USB EXTENSION (USB-EX50) 1