RX-7-Rev07PDF - 第172页
B-23 B1 1 ヘッド吸装着・真 空ポンプ配線 Wiring diagram Head/Pump

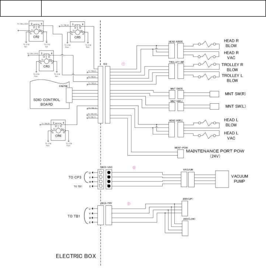
B-23
B11
ヘッド吸装着・真空ポンプ配線
Wiring diagram Head/Pump

B-24
B11
ヘッド吸装着・真空ポンプ配線
Wiring diagram Head/Pump
イラスト番号
Ref.No.
品番
Part Number
Description
品名
個数
Q'ty
備考
Remarks
1 EZ1-969-383-12 HARNESS (BOX IO2-AIRSUP, MNT) ハ-ネス (BOX IO2-AIRSUP, MNT) 1
2 EZ1-969-360-13 HARNESS (BOX VAC-VACUUM)
ハ-ネス (BOX VAC-VACUUM)
1
3 EZ1-969-783-12 HARNESS (200V OUTPUT)
ハ-ネス (200V OUTPUT)
1