RX-7-Rev07PDF - 第201页
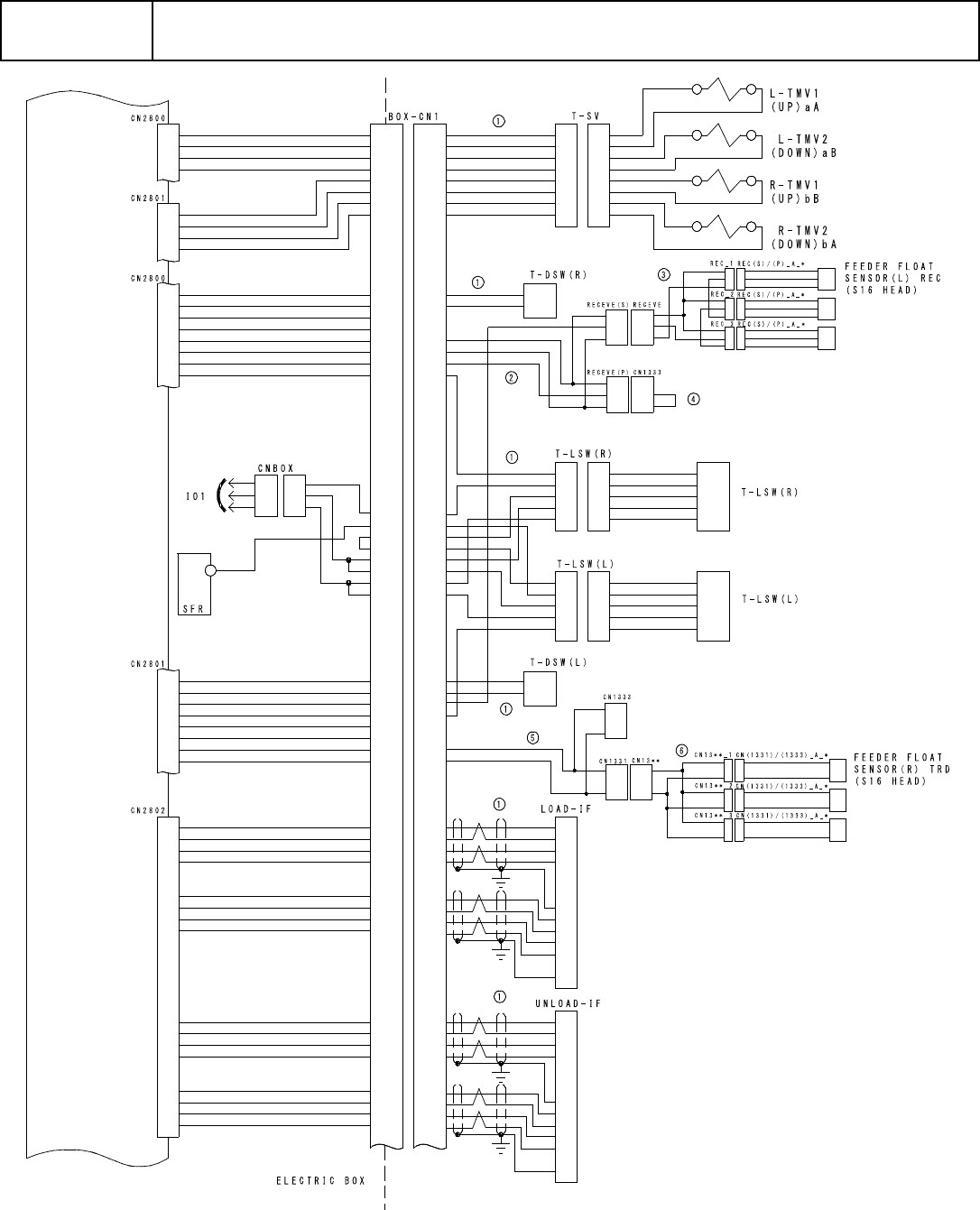
B-52 B2 5 I/O 配線 -1 Wiring diagra m I/O - 1 イラスト番号 Ref.No. 品番 Part Number Description 品名 個数 Q'ty 備考 Remarks 1 EZ1-969-295-15 HARNESS (BOX-TROLLEY I F) ハ - ネス (BOX-TROLLEY IF) 1 2 401-56752 FD-FLOA T(L)SENS CABLE2 AS…

B-51
B25
I/O 配線-1
Wiring diagram I/O - 1

B-52
B25
I/O 配線-1
Wiring diagram I/O - 1
イラスト番号
Ref.No.
品番
Part Number
Description
品名
個数
Q'ty
備考
Remarks
1 EZ1-969-295-15 HARNESS (BOX-TROLLEY IF) ハ-ネス (BOX-TROLLEY IF) 1
2 401-56752 FD-FLOAT(L)SENS CABLE2 ASM FD-FLOAT(L) センサ ケーブル 2 クミ 1
3 401-58789 FD-FLOAT(L)SENS CABLE2-2 ASM FD-FLOAT(L) センサ ケーブル 2-2 クミ 1
4 401-46050 FD-FLOAT(R)SENS SHORT WIRE ASM
フィーダウキ(R)センサショートソクセンクミ
1
5 401-56753 FD-FLOAT(R)SENS CABLE2 ASM
FD-FLOAT(R) センサ ケーブル 2 クミ
1
6 401-58790 FD-FLOAT(R)SENS CABLE2-2 ASM
FD-FLOAT(R) センサ ケーブル 2-2 クミ
1

B-53
B26
I/O 配線-2
Wiring diagram I/O - 2
P R E S S U R E S W
E L E C T R I C B O X
I O 1
C N 2 7 0 6
C N 2 7 0 1
S F R
T O
B O X - C N 1
S F R
B O X - C N 1
S / I
P R E S S
P S W O N
V A C U U M S W
H O U R M E T E R
P - O F F
P S W O F F
P - O N
E M G - S W
E M G - S W
D O O R - L S W
D - L O C K
D - L O C K - F B
D O O R - L O C K
D O O R - L S W
R - L I G H T
S I G
B U Z 1
I - C O V E R
R - L I G H T
L - L I G H T
L - L I G H T
S I G N A L
T O W E R
R
O
G
1
2
2
2
2
2
2
2
2
2
3