RX-7-Rev07PDF - 第211页
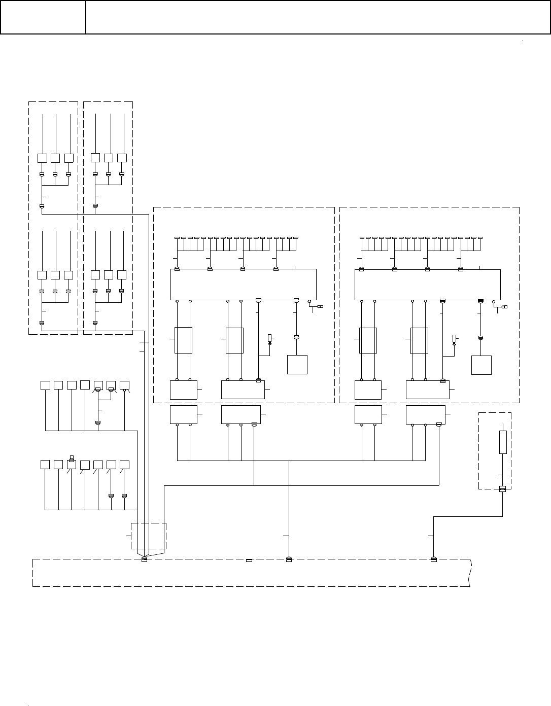
B-62 B3 0 ISLITE (ISM /MES 連携 ) 配線図 Sy st em diagram ISLITE (I SM / MES Cooperation) イラスト番号 Ref.No. 品番 Part Number Description 品名 個数 Q'ty 備考 Remarks 1 EZ1-969-295-15 HARNESS (BOX-TROLLEY I F) ハ - ネス (BOX-TROLLEY IF)…

B-61
B30
ISLITE (ISM/MES 連携)配線図
System diagram ISLITE (ISM/MES Cooperation)
B A R C O D E R E A D E R
B A R C O D E R E A D E R
R U S B - L
R U S B - R
E
F G
C N 1 9 L E F T 1 9
C N 1 8 L E F T 1 8
C N 1 7 L E F T 1 7
C N 1 6 L E F T 1 6C N 1 6 - 2 0
C N 1 5 L E F T 1 5
C N 1 4 L E F T 1 4
C N 1 3 L E F T 1 3
C N 1 2 L E F T 1 2
C N 1 1 L E FT 1 1C N 1 1 - 1 5
C N 1 0 L E F T 1 0
C N 0 9 L E F T 9
C N 0 8 L E F T 8
C N 0 7 L E F T 7
C N 0 6 L E F T 6C N 0 6 - 1 0
C N 0 5 L E F T 5
C N 0 4 L E F T 4
C N 0 3 L E F T 3
C N 0 2 L E F T 2
C N 0 1 L E F T 1C N 0 1 - 0 5
T B 2
T B 1
T B 4
E L E C B A N K
P C B A S M
T B 3
T B 2
T R O L L E Y C O N T A C T ( T ) A
T B 1
T B 2
T R O L L E Y C O N T A C T ( T ) B
T B 1
T B 2
T R O L L E Y C O N T A C T ( M ) A
T B 1
T B 2
T R O L L E Y C O N T A C T ( M ) B
T B 1
C N 1
E L E C T R O L L E Y R
C U T T E R U N I T
C N - C U T T E R
C N 3 0
C N 1 9 R I G H T 1 9
C N 1 8 R I G H T 1 8
C N 1 7 R I G H T 1 7
C N 1 6 R I G H T 1 6
C N 1 6 - 2 0
C N 1 5 R I G H T 1 5
C N 1 4 R I G H T 1 4
C N 1 3 R I G H T 1 3
C N 1 2 R I G H T 1 2
C N 1 1 R I G H T 1 1
C N1 1 - 1 5
C N1 0 R I G H T 1 0
C N 0 9 R I G H T 9
C N 0 8 R I G H T 8
C N 0 7 R I G H T 7
C N 0 6 R I G H T 6
C N 0 6 - 1 0
C N 0 5 R I G H T 5
C N 0 4 R I G H T 4
C N 0 3 R I G H T 3
C N 0 2 R I G H T 2
C N 0 1 R I G H T 1
C N 0 1 - 0 5
T B 2
T B 1
T B 4
E L E C B A N K
P C B A S M
T B 3
C N 2 9
T B 2
T R O L L E Y C O N T A C T ( T ) A
T B 1
T B 2
T R O L L E Y C O N T A C T ( T ) B
T B 1
T B 2
T R O L L E Y C O N T A C T ( M ) A
T B 1
T B 2
T R O L L E Y C O N T A C T ( M ) B
T B 1
F O R S 1 6
F O R P 8
R E Q _ 3
R E Q _ 2
R E Q _ 1
R E Q _ 3
R E Q _ 2
R E Q _ 1
C N 1 3 * * _ 3
C N 1 3 * * _ 2
C N 1 3 * * _ 1
C N 1 3 * * _ 3
C N 1 3 * * _ 2
C N 1 3 * * _ 1
F E E D F L O A T J A M
F E E D F L O A T J A M
F E E D F L O A T J A M
R E C E I V E ( S )
F E E D F L O A T J A M
F E E D F L O A T J A M
F E E D F L O A T J A M
R E C E I V E ( P )
F E E D F L O A T J A M
F E E D F L O A T J A M
F E E D F L O A T J A M
E M I S SI O N ( S )
F E E D F L O A T J A M
F E E D F L O A T J A M
F E E D F L O A T J A M
E M I S S I O N ( P )
L - T M V 1
L - T M V 2
T - DS W ( R )
T - DS W ( L )
R - T M V 1
R - T M V 2
P R E S S U R E S W
P R E S S
V A C U U M S W
T - L S W ( R )
T - L S W ( R )
L O A D - I F
C N 1
C N 1
B O X C N 2
U N L O A D - I F
S / I
H O U R M E T E R
T - L S W ( L )
T - L S W ( L )
B O X C N 1
E L E C T R I C
B O X
1 1 4 3 0
3 1
3 2
2
3 3
4 5
6
7 8
9
1 0 1 0
1 1 1 2 1 1
1 2 1 1 1 2
1 3 1 3
1 1 1 2 1 1
1 2 1 1 1 2
3 3
3 4
2 6 2 7 2 8 2 9
2 6 2 7 2 8 2 9
2 5 2 5
2 4
2 3
T R O L L E Y U S B M E M O R Y
2 2
2 1
E
C N 2 9
2 4
2 1
2 2
T R O L L E Y U S B M E M O R Y
2 3
C N 1
C N 3 0
C N - C U T T E R
C U T T E R U N I T
F G
2 0
1 9
2 0
1 9
E L E C T R O L L E Y L
1 8
1 6
1 7
1 5
1 7
1 5
1 6
1 8

B-62
B30
ISLITE (ISM/MES 連携)配線図
System diagram ISLITE (ISM/MES Cooperation)
イラスト番号
Ref.No.
品番
Part Number
Description
品名
個数
Q'ty
備考
Remarks
1 EZ1-969-295-15 HARNESS (BOX-TROLLEY IF)
ハ-ネス (BOX-TROLLEY IF)
1
2 EZ1-969-384-12 HARNESS (S/I JP)
ハ-ネス (S/I JP)
1
3 EZ1-771-841-11 SWITCH POWER (D2D-2000) デンゲン スイツチ (D2D-2000) 1
4 EZ1-492-199-22 SAFETY SW ASSY SAFETY SW ASSY (ダイシヤ) R 1
5 EZ1-492-199-32 SAFETY SW ASSY SAFETY SW ASSY (ダイシヤ) L 1
6 EZ1-969-294-12 HARNESS (PRESS-SW)
ハ-ネス (PRESS-SW)
1
7 EZ1-798-472-11 SWITCH PRESSURE (ISE30A-C6H)
アツリヨク スイツチ (ISE30A-C6H)
1
8 EZ1-798-473-11 SWITCH PRESSURE (ZSE30A-C6H)
アツリヨク スイツチ (ZSE30A-C6H)
1
9 EZ1-520-538-12 METER HOUR (H7ET-NFV-300) アワ- メ-タ- (H7ET-NFV-300) 1
10 401-58790 FD-FLOAT(R)SENS CABLE2-2 ASM FD-FLOAT(R)センサ ケーブル 2-2 クミ 1
11 401-58787 SENSOR ASSY A (FEEDER FLOAT JAM) SENSOR ASSY A (FEEDER FLOAT JAM) 1
12 401-58788 SENSOR ASSY B (FEEDER FLOAT JAM)
SENSOR ASSY B (FEEDER FLOAT JAM)
1
13 401-58789 FD-FLOAT(L)SENS CABLE2-2 ASM
FD-FLOAT(L)SENS CABLE2-2 クミ
1
14 EZ1-969-296-12 HARNESS (BOX-TROLLEY POW)
ハ-ネス (BOX-TROLLEY POW)
1
15 EZA-194-422-7B TROLLEY CONTACT(M)B MOUNT トロリー CONTACT(M)B MOUNT 1
16 EZA-194-422-6B TROLLEY CONTACT(M)A MOUNT トロリー CONTACT(M)A MOUNT 1
17 EZA-194-422-9B TROLLEY CONTACT(T)B MOUNT トロリー CONTACT(T)B MOUNT 1
18 EZA-194-422-8B TROLLEY CONTACT(T)A MOUNT
トロリー CONTACT(T)A MOUNT
1
19 401-42763 POWER CABLE ASM 2
電源ケーブル組 2
1
20 401-42757 POWER CABLE ASM
電源ケーブル組
1
21 401-42758 TROLLEY-IF CABLE ASM 台車 IF ケーブル組 1
22 EZ1-845-148-11 MEMORY USB USB メモリ (USM4GR B) 1
23 401-42756 TROLLEY-CUTTER CABLE ASM 台車カッターケーブル組 1
24 401-43435 E BANK FG CABLE ASM
E バンク FG ケーブル組
1
25 401-42764 ELEC BANK PCB ASM
エレキバンク基板組
1
26 401-42759 EF IF CBL 1-5 ASM
電動フィーダー IF 1-5 組
1
27 401-42760 EF IF CBL 6-10 ASM 電動フィーダー IF 6-10 組 1
28 401-42761 EF IF CBL 11-15 ASM 電動フィーダー IF 11-15 組 1
29 401-42762 EF IF CBL 16-20 ASM 電動フィーダー IF 16-19 組 1
30 401-73481 USB REPEATER CABLE
USB リピーターケーブル
1
31 EZ1-846-560-11 CABLE BARCODE READER
バーコードリーダケーブル (CAB-426E)
1
32 EZ1-458-644-11 READER BAR CODE
バ-コ-ド リ-ダ (GD4430-BK)
1
33 401-56753 FD-FLOAT(R) SENS CABLE2 ASM FD-FLOAT(R)センサ ケーブル 2-2 クミ 1
34 401-56752 FD-FLOAT(L) SENS CABLE2 ASM FD-FLOAT(L) センサ ケーブル 2 クミ 1

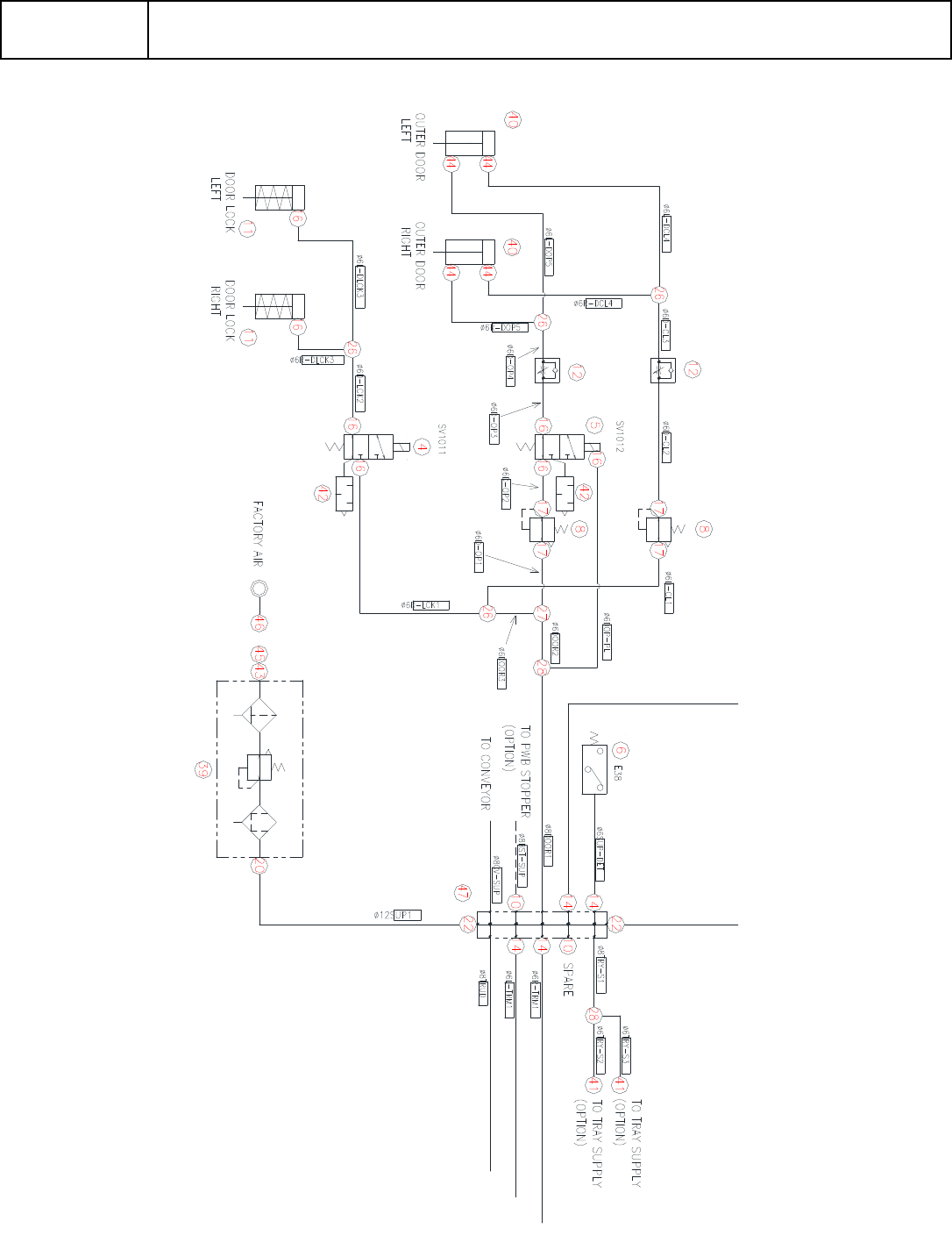
C-1
C1
全体配管図
Pipe diagram