文档中心
/
RX-7-Rev07PDF
RX-7-Rev07PDF - 第213页
C-2
目录
100%
显示:宽度
宽度
1 / 226
回到旧版
旧版
?
C-1
C
1
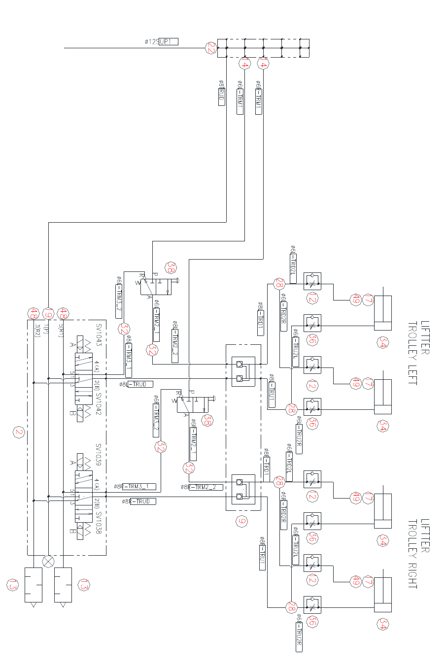
全体配管図
Pipe diagram
C-2
C-3
该页面需要启用 JavaScript 才能进行交互式预览。