RX-7-Rev07PDF - 第215页
C-4 C 1 全体配管図 Pipe diagra m イラスト番号 Ref.No. 品番 Part Number Description 品名 個数 Q'ty 備考 Remarks 1 EZ1-492-203-1 1 V ACUUM PUMP ASSY シンクウ ポンプ ASSY 1 2 EZ1-492-241-12 SOLENOID ASSY ( TROLLEY LOCK) ソレノイド ASSY ( ダイシャ ロッ…

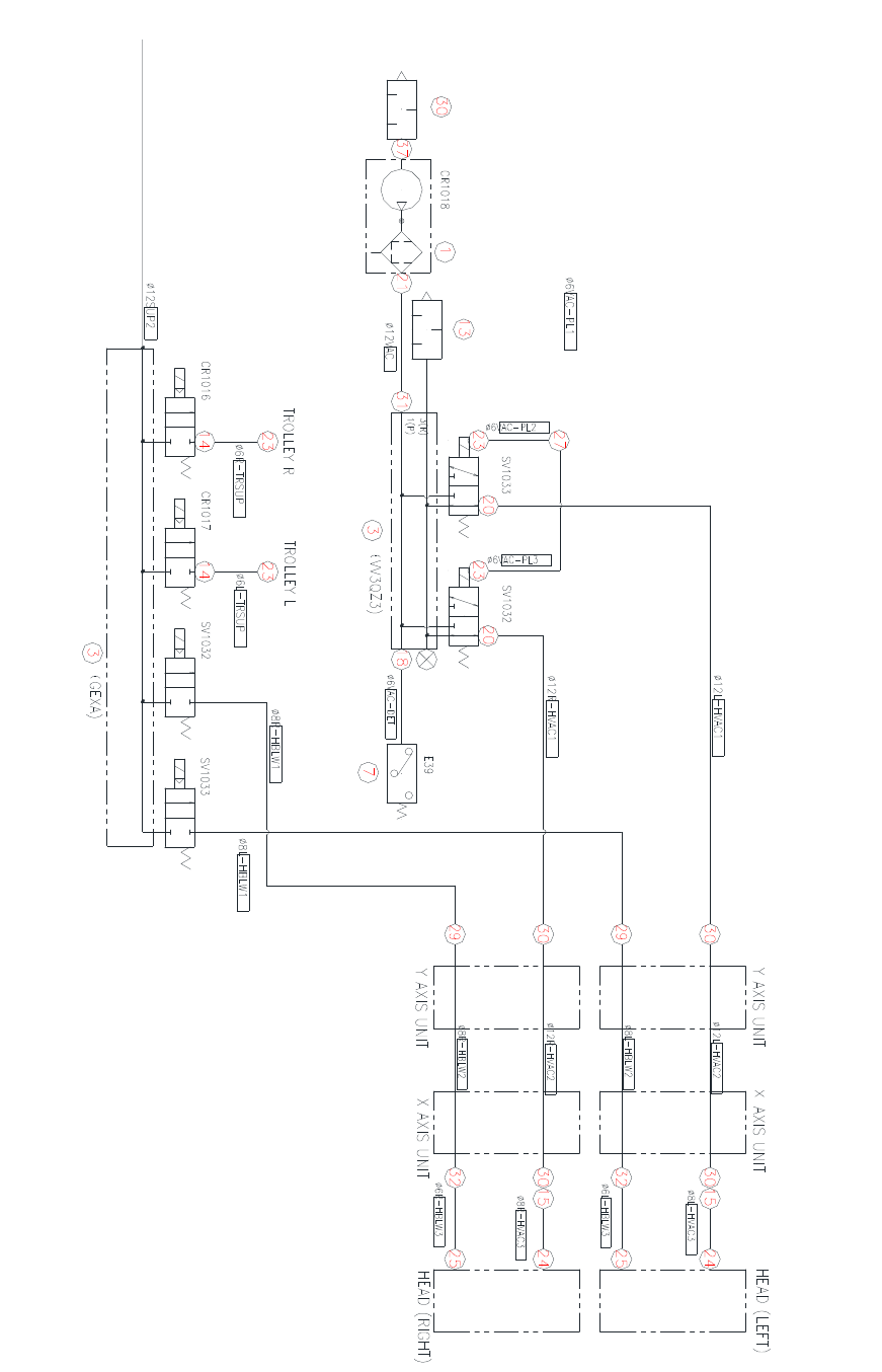
C-3

C-4
C1
全体配管図
Pipe diagram
イラスト番号
Ref.No.
品番
Part Number
Description
品名
個数
Q'ty
備考
Remarks
1 EZ1-492-203-11 VACUUM PUMP ASSY シンクウ ポンプ ASSY 1
2 EZ1-492-241-12 SOLENOID ASSY (TROLLEY LOCK) ソレノイド ASSY (ダイシャ ロック) 1
3 EZ1-492-242-13 SOLENOID ASSY (AIR SUPPLY) ソレノイド ASSY (AIR SUPPLY) 1
4 EZ1-492-357-11 ELECTROMAGNETIC ASSY
デンジベン ASSY (ドア ロック)
1
5 EZ1-492-358-11 ELECTROMAGNETIC ASSY
デンジベン ASSY (ウチ カバ- カイヘイ)
1
6 EZ1-798-472-11 SWITCH PRESSURE (ISE30A-C6H)
アツリヨク スイツチ (ISE30A-C6H)
1
7 EZ1-798-473-11 SWITCH PRESSURE (ZSE30A-C6H) アツリヨク スイツチ (ZSE30A-C6H) 1
8 EZ2-023-682-31 REGULATOR, PRECISION (IR1010-01-BG) セイミツ レギユレ-タ (IR1010-01-BG) 2
9 EZ2-108-828-01 MANIFOLD (VVQ2000-FPG-02-X9) マニホ-ルド(VVQ2000-FPG-02-X9) 1
10 EZ2-672-089-31 PLUG (KQ2P-08), BLANKING
ブランキング プラグ (KQ2P-08)
2
11 EZ4-271-381-01 CYLINDER (SSD-X-20-10), AIR
エア シリンダ (SSD-X-20-10)
2
12 EZ4-294-534-01 CONTROLLER (AS2002F-06) SPEED
スピ-ド コントロ-ラ (AS2002F-06)
6
13 EZ4-436-830-11 SILENCER (AN15-02) サイレンサ (AN15-02) 3
14 EZ4-446-715-21 REJUICER (KQ2R06-08A) レジユ-サ (KQ2R06-08A) 6
15 EZ4-446-715-51 REJUICER (KQ2R08-12A) レジユ-サ (KQ2R08-12A) 2
16 EZ4-447-053-11 UNION (KQ2H06-M5N) HALF
ハ-フ ユニオン (KQ2H06-M5N)
7
17 EZ4-447-063-21 UNION (KQ2L06-01AS), ELBOW
エルボ ユニオン (KQ2L06-01AS)
8
18 EZ4-447-063-31 UNION (KQ2L06-02AS), ELBOW
エルボ ユニオン (KQ2L06-02AS)
1
19 EZ4-447-063-51 UNION (KQ2L08-02AS), ELBOW エルボ ユニオン (KQ2L08-02AS) 1
20 EZ4-447-063-71 UNION (KQ2L12-02AS), ELBOW エルボ ユニオン (KQ2L12-02AS) 3
21 EZ4-447-063-91 UNION (KQ2L12-04AS), ELBOW エルボ ユニオン (KQ2L12-04AS) 1
22 EZ4-447-107-21 ELBOW (KQ2L12-99A), STREET
ストリ-ト エルボ (KQ2L12-99A)
2
23 EZ4-447-109-11 UNION (KQ2L06-M5A), ELBOW
エルボ ユニオン (KQ2L06-M5A)
4
24 EZ4-447-063-41 UNION (KQ2L08-01AS), ELBOW
エルボ ユニオン (KQ2L08-01AS)
2
25 EZ1-482-181-11 FERRITE CLAMP (GRFC-13) FERRITE CLAMP (GRFC-13) 2
26 EZ4-447-182-11 JOINT (KQ2T06-00A), TEE チ-ズ (KQ2T06-00A) 4
27 EZ4-447-186-11 WYE (KQ2U06-00A), UNION ユニオン ワイ (KQ2U06-00A) 2
28 EZ4-447-213-21 WYE (KQ2U06-08A), UNION
イケイ ユニオン ワイ (KQ2U06-08A)
6
29 EZ4-447-247-21 STRAIGHT (KQ2H08-00A)
ストレ-ト (KQ2H08-00A)
2
30 EZ4-447-247-41 STRAIGHT (KQ2H12-00A)
ストレ-ト (KQ2H12-00A)
2
31 EZ4-447-248-61 UNION (KQ2H12-02AS), HALF ハ-フ ユニオン (KQ2H12-02AS) 1
32 EZ4-447-250-11 STRAIGHT (KQ2H06-08A) イケイ ストレ-ト (KQ2H06-08A) 6
33 EZ4-453-569-01 PLUG (CYP025-08B29449) プラグ (CYP025-08B29449) 4
34 EZ4-454-729-01 CYLINDER(CXSM32-100), DUAL ROD
デュアル ロッド シリンダ (CXSM32-100)
4
35 EZ4-454-742-01 SILENCER (ANA1-03)
サイレンサ (ANA1-03)
1
36 EZ4-454-743-01 CONTROLLER (AS2201F-01-06SA)
スピ-ド コントロ-ラ (AS2201F-01-06SA)
4
37 EZ4-455-483-01 ELBOW (3/8), STREET ストリ- ト エルボ (3/8) 1
38 EZ4-457-358-01 VALVE (MVP63-J), MECHANICAL メカニカル バルブ (MVP63-J) 2
39 EZ4-458-430-01 AIRCOMBINATION(AC30D-02DG-R-A) エア コンビネ-ション (AC30D-02DG-R-A) 1
40 EZ4-460-696-01 CYLINDER (CJ2D16-150A)
シリンダ (CJ2D16-150A)
2
41 EZ4-462-965-01 COUPLER (MC-04SHB), MICRO
マイクロ カプラ (MC-04SHB)
2
42 EZ4-463-167-01 SILENCER (AN05-M5)
サイレンサ (AN05-M5)
2
43 EZ4-701-316-01 ELBOW, STREET ストリ-ト エルボ 1
44 EZ4-702-324-11 ELBO (M-5HL-6), HOSE ホ-ス エルボ (M-5HL-6) 4
45 EZ4-703-607-02 COUPLER, HIGH (20PM) ハイ カプラ- (20PM) 1
46 EZ4-703-619-01 SOCKET
ハイ カプラ- (20SH)
1
47 EZ4-705-238-11 MANIFOLD (KM11-08-12-10)
マニホ-ルド (KM11-08-12-10)
1
48 EZ4-707-030-21 PLUG, TAPER SCREW (MSWT2)
ハイカンヨウ テ-パ-スクリュ-プラグ (MSWT2)
2
49 EZ4-719-971-01 NIPPLE, JOINT (KQ2N06-99) ツギテ ニップル (KQ2N06-99) 4

C-5
C2
ヘッド部配管図
Head pipe diagram