文档中心
/
RX-7-Rev07PDF
RX-7-Rev07PDF - 第219页
C-8
目录
100%
显示:宽度
宽度
1 / 226
回到旧版
旧版
?
C-7
C
3
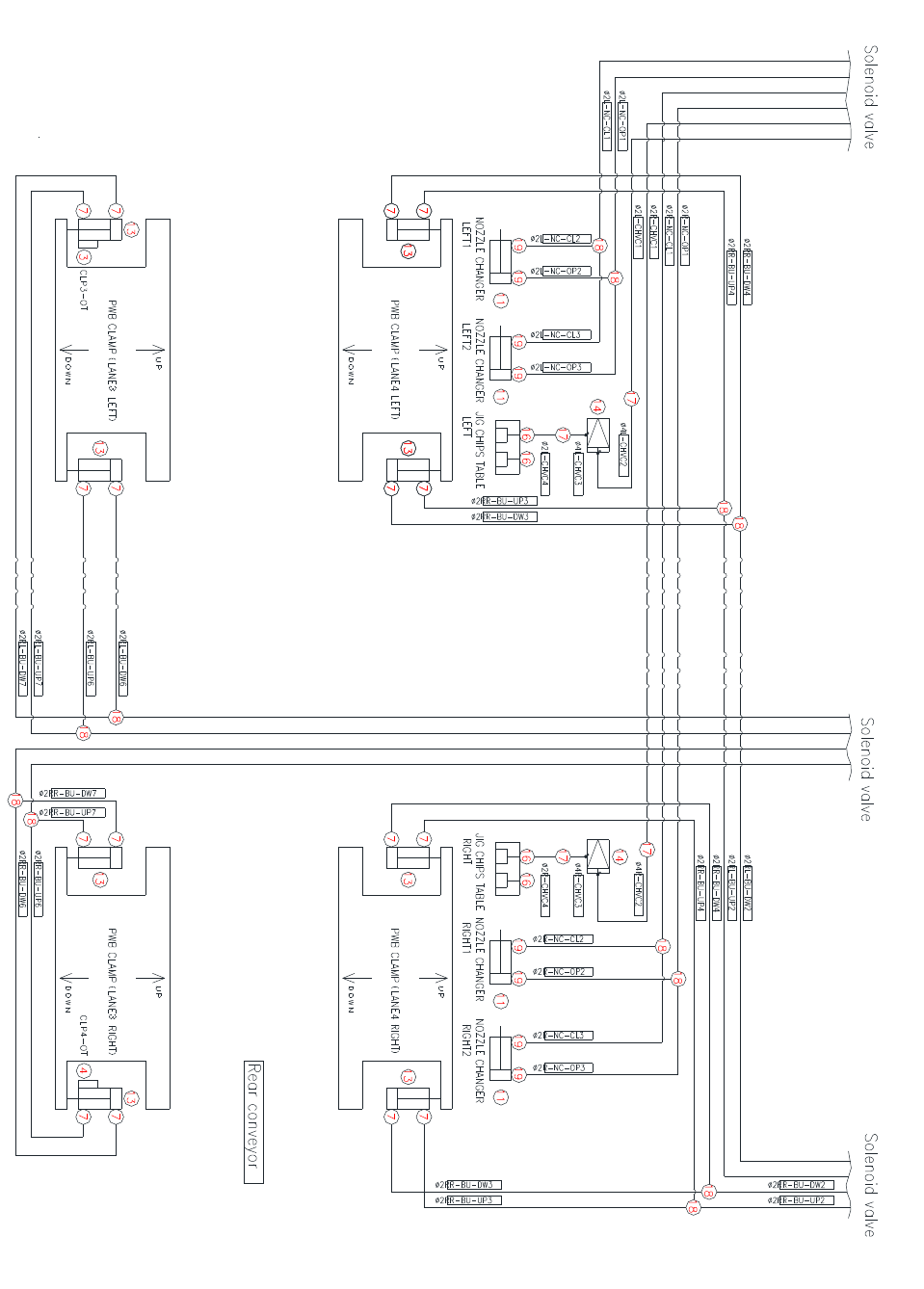
搬送部周辺配管
図
Conve
yor pipe diagram
C-8
C-9
该页面需要启用 JavaScript 才能进行交互式预览。