RX-7-Rev07PDF - 第33页
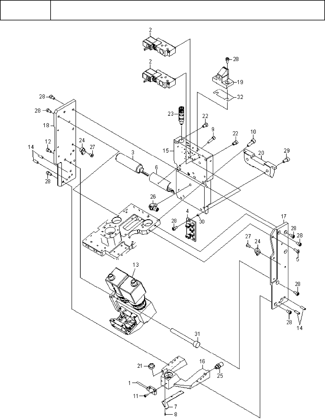
A-27 A1 2 ヘッド ASSY-3 Head assy - 3 イラスト番号 Ref.No. 品番 Part Number Description 品名 個数 Q'ty 備考 Remarks 1 EZ1-492-165-13 SENSOR ASSY (NOZZLE SHAFT) センサ - ASSY ( ノズル / シャフトケンシュツ ) 2 2 EZ1-492-166-12 SOLENOID V AL VE ASSY…

A-26
A12
ヘッド ASSY-3
Head assy - 3

A-27
A12
ヘッド ASSY-3
Head assy - 3
イラスト番号
Ref.No.
品番
Part Number
Description
品名
個数
Q'ty
備考
Remarks
1 EZ1-492-165-13 SENSOR ASSY (NOZZLE SHAFT) センサ- ASSY (ノズル / シャフトケンシュツ) 2
2 EZ1-492-166-12 SOLENOID VALVE ASSY (BLW)
ソレノイド バルブ ASSY (BLW)
2
3 EZ1-492-202-12 BATTERY ASSY バツテリ- ASSY 1
4 EZ1-895-367-12 BOARD BACKUP MONITORING
バツクアツプ モニタ- ボード
1
5 EZ4-454-723-01 LOW HEAD SCREW (M3X8) テイトウ ロツカク アナツキ ボルト (M3X8) 1
6 EZ4-458-314-01 BATTERY CLIP
バツテリ- クリツプ
1
7 EZ4-458-495-02 COVER, WIRING ハイセン カバ- 1
8 EZ7-627-551-18 SCREW,PRECISION +P 1.4X2
セイミツネジ +P 1.4X2.0, TYPE 1
4
9 EZ7-683-406-04 BOLT,HEXAGON SOCKET 3X12 6 カクアナツキボルト 3X12 2
10 EZ7-683-421-04 BOLT HEXAGON SOCKET 4X12
6 カクアナツキボルト(C4X12)
3
11 EZ7-683-480-24 BOLT, HEXAGON SOCKET 2X5 6 カク アナツキ ボルト 2X5 4
12 EZ7-683-405-04 BOLT,HEXAGON SOCKET 3X10
6 カクアナツキボルト 3X10
5
13 EZ1-845-163-11 UNIT, CAMERA MOVE (MX-155-100) イドウ カメラ ユニツト (MX-155-100) 1
14 EZ3-703-360-51 PIN, PARALLEL (DIA. 3X8)
ヘイコウピン (フアイ 3X8)
4
15 EZ4-453-950-01 PLATE, HEAD BASE ヘツドブ ベ-ス プレ-ト 1
16 EZ4-453-951-01 PLATE, BOTTOM
ボトム プレ-ト
1
17 EZ4-453-952-01 PLATE (1), SIDE サイド プレ-ト (1) 1
18 EZ4-453-953-01 PLATE (2), SIDE
サイド プレ-ト (2)
1
19 EZ4-453-994-01 BLOCK, CLAMP クランプ ブロツク 1
20 EZ4-453-997-01 HEAD FIXING BLOCK
ヘツドガワ コテイ ブロツク
1
21 EZ4-454-074-01 MINIATURE Y PACKING MYA-8 ミニ Y パツキン (MYA-8) 1
22 EZ4-457-781-01 STOPPER PIN
ストツパ- ピン
2
23 EZ4-458-768-01 DECOMPRESSION VALVE (MR001) ゲンアツベン (MR001) 1
24 EZ4-701-529-01 TIE MOUNT (MB1)
タイマウント (MB1)
2
25 EZ4-702-269-01 NIPPLE (M-5H-4), HOSE ホ-ス ニツプル (M-5H-4) 1
26 EZ4-702-324-01 ELBO (M-5HL-4), HOSE
ホ-ス エルボ (M-5HL-4)
1
27 EZ7-682-247-04 SCREW +K 3X6 +K 3X6 2
28 EZ7-683-403-04 BOLT,HEXAGON SOCKET 3X6
6 カクアナツキボルト 3X6
14
29 EZ7-683-419-04 BOLT HEXAGON SOCKET 4X8 6 カクアナツキボルト 4X8 2
30 EZ4-454-032-01 SPACER, GEAR
ギアヨウ スペ-サ-
7
31 EZ4-472-629-01 SHAFT, REINFORCE ホキヨウヨウ シヤフト 1
32
EZ4-465-277-01 HEAD CLAMP BLOCK SHIM (T0.1)
ヘツド クランプ ブロツク シム (T0.1)
1
EZ4-465-277-11 HEAD CLAMP BLOCK SHIM (T0.2) ヘツド クランプ ブロツク シム (T0.2) 2
EZ4-465-277-21 HEAD CLAMP BLOCK SHIM (T0.5)
ヘツド クランプ ブロツク シム (T0.5)
1

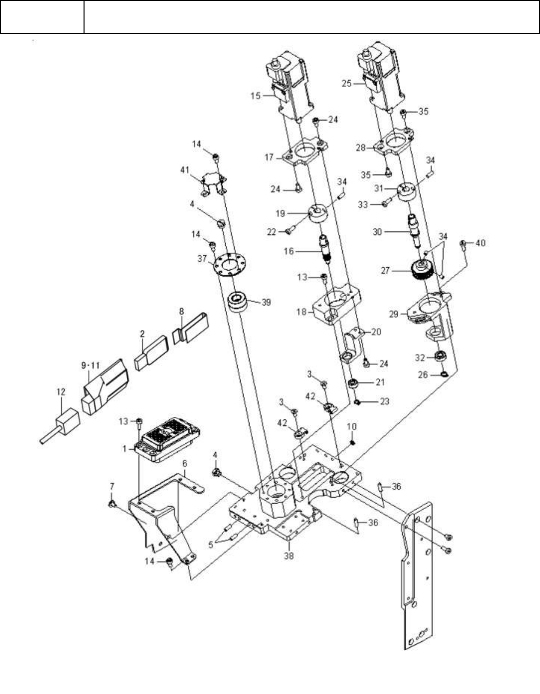
A-28
A13
ヘッド ASSY-4
Head assy - 4