RX-7-Rev07PDF - 第63页
A-52 A2 2 搬送レーン 1 Conv e yor lane - 1 イラスト番号 Ref.No. 品番 Part Number Description 品名 個数 Q'ty 備考 Remarks 1 EZ4-454-322-01 RET AINER (SLIDE LOW ER L) キハ ゙ン オサエ ( スライド シタ L) 1 2 EZ4-454-519-01 SOLENOID (SBP5), BALL ボ -…

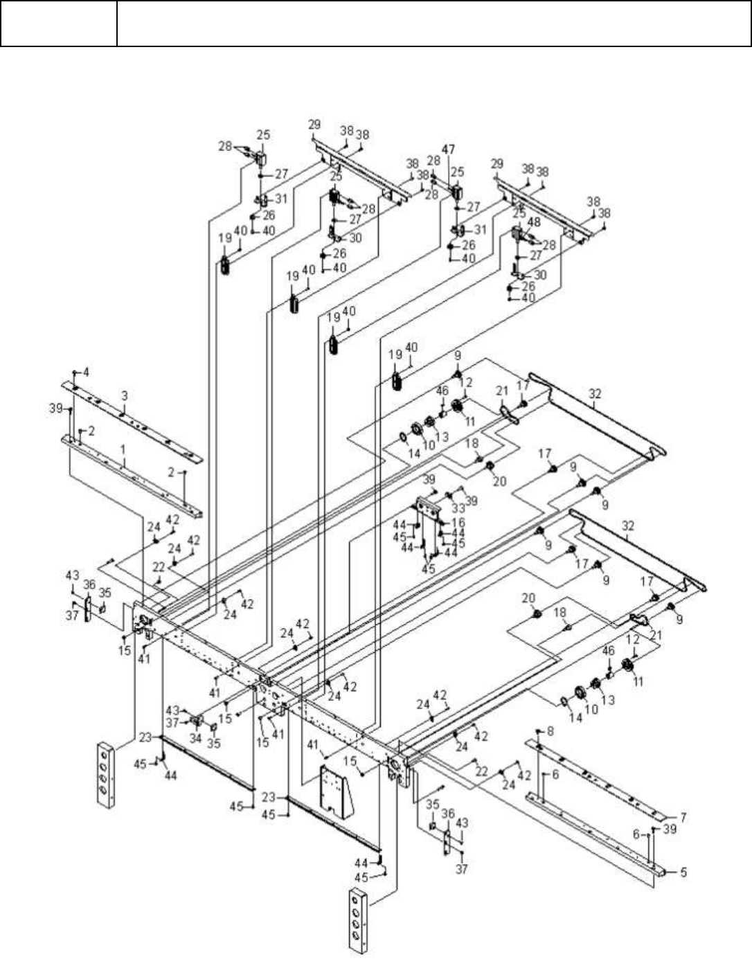
A-51
A22
搬送レーン 1
Conveyor lane - 1

A-52
A22
搬送レーン 1
Conveyor lane - 1
イラスト番号
Ref.No.
品番
Part Number
Description
品名
個数
Q'ty
備考
Remarks
1 EZ4-454-322-01 RETAINER (SLIDE LOWER L) キバン オサエ (スライド シタ L) 1
2 EZ4-454-519-01 SOLENOID (SBP5), BALL
ボ-ル プランジヤ (SBP5)
2
3 EZ4-454-323-01 RETAINER (SLIDE UPPER L),BOARD キバン オサエ (スライド ウエ L) 1
4 EZ4-454-319-01 PIN, STEP
ダンツキ ピン
6
5 EZ4-454-322-11 RETAINER (SLIDE LOWER R) キバン オサエ (スライド シタ R) 1
6 EZ4-454-519-01 SOLENOID (SBP5), BALL
ボ-ル プランジヤ (SBP5)
2
7 EZ4-454-323-11 RETAINER (SLIDE UPPER R),BOARD キバン オサエ (スライド ウエ R) 1
8 EZ4-454-319-01 PIN, STEP
ダンツキ ピン
6
9 EZ4-454-511-01 PULLEY (P30-2GT) (A) プ-リ (P30-2GT) A 6
10 EZ4-453-832-01 BEARING (6804ZZ)
ベアリング (6804ZZ)
2
11 EZ4-453-825-01 PULLEY (P1110-012-1) (D) タイミング プ-リ (P1110-012-1) D 2
12 EZ2-679-468-01 BOLT (CBSTS3-10)
ゴク テイトウ ボルト (CBSTS3-10)
8
13 EZ4-454-327-01 HOUSING, NUT ナツト ハウジング 2
14 EZ2-022-680-11 RING, C TYPE RETAINING (STWS*)
C ガタ トメワ (STWS20)
2
15 EZ4-718-724-05 NUT(1TYPE),HEXAGON(M4X0.7 SUS) ロツカク ナツト (1 シユ) (M4X0.7 SUS) 4
16 EZ4-454-362-02 BRACKET (2R), REINFORCEMENT
ホキヨウ ブラケツト (2R)
1
17 EZ4-454-504-01 IDLER (AS-5A39A) (A) アイドラ- (AS-5A39A) A 4
18 EZ4-454-505-01 IDLER (AS-5A40) (B)
アイドラ- (AS-5A40) B
2
19 EZ4-454-501-01 GUIDE (LWLG9C1R52BS1EB09) ガイド (LWLG9C1R52BS1EB09) 4
20 EZ4-454-512-01 PULLEY (P30-2GTX2) (B)
プ-リ (P30-2GTX2) B
2
21 EZ4-453-829-01 BELT (162-2GT-3), TIMING タイミング ベルト (162-2GT-3) 2
22 EZ2-915-937-11 BOLT (M4 SUS), SOCKET BUTTON
ロツカク アナツキ ボタン ボルト (M4 SUS)
4
23 EZ4-455-706-01 COVER HARNESS カバ-ハ-ネス 2
24 EZ4-701-529-01 TIE MOUNT (MB1)
タイマウント (MB1)
8
25 EZ4-454-500-01 CYLINDER (CDUJB8-11-DCP6468P) シリンダ (CDUJB8-11-DCP6468P) 4
26 EZ4-454-324-01 JOINT, CYLINDER
シリンダ ジヨイント
4
27 EZ4-454-328-01 STOPPER, CLAMP クランプ ストツパ 4
28 EZ4-447-052-11 UNION (KQ2H02-M3G), HALF
ハ-フ ユニオン (KQ2H02-M3G)
8
29 EZ4-454-360-01 PLATE (0.5), CLAMP クランプ プレ-ト (0.5) 2
30 EZ4-454-361-01 JOINT (L), CLAMP
クランプ ジヨイント (L)
2
31 EZ4-454-361-11 JOINT (R), CLAMP クランプ ジヨイント (R) 2
32 EZ4-459-595-01 BELT (1110-2GT-2), TIMING
タイミング ベルト (1110-2GT-2)
2
33 EZ4-706-151-11 CLAMP (KR5G5) ハイセンドメ (KR5G5) 1
34 EZ4-454-326-01 BRACKET (C), SENSOR
センサ ブラケツト (C)
1
35 EZ1-492-207-11 SENSOR, FIBER (FT-AL05) フアイバ センサ (FT-AL05) 3
36 EZ4-454-325-01 BRACKET (LR), SENSOR
センサ ブラケツト (LR)
1
37 EZ3-282-481-31 BOLT (CBSA3-6) ゴク テイトウ ボルト (CBSA3-6) 6
38 EZ7-683-402-04 BOLT,HEXAGON SOCKET 3X5
6 カクアナツキボルト 3X5
28
39 EZ7-683-421-04 BOLT HEXAGON SOCKET 4X12 6 カクアナツキボルト(C4X12) 16
40 EZ7-683-403-04 BOLT,HEXAGON SOCKET 3X6
6 カクアナツキボルト 3X6
16
41 EZ7-683-404-04 BOLT,HEXAGON SOCKET 3X8 6 カクアナツキボルト 3X8 8
42 EZ7-682-248-09 SCREW +K 3X8
+K 3X8
8
43 EZ4-702-261-02 BOLT, HEXAGON SOCKET (M3X6) ロツカク アナツキ サラ ボルト (M3X6) 6
44 EZ2-595-270-01 HOLDER WIRE
ホルダーワイヤー
6
45 EZ7-682-247-09 SCREW +K 3X6 SCREW +K 3X6 8
46 EZ4-454-762-01 KEY (K03008), PARALLEL
ヘイコウ キ- (K03008)
2
47 EZ1-492-216-12 SENSOR ASSY センサ ASSY (クランプ 1) 1
48 EZ1-492-216-22 SENSOR ASSY
センサ ASSY (クランプ 2)
1

A-53
A23
搬送レーン 2
Conveyor lane - 2