RX-7-Rev07PDF - 第87页
在线预览 RX-7-Rev07PDF PDF 文档。

A-74
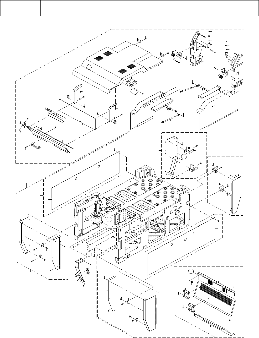
A32
カバー ASSY-1
Cover assy-1
イラスト番号
Ref.No.
品番
Part Number
Description
品名
個数
Q'ty
備考
Remarks
55 SM-1030801-SC SCREW M3 L=8 サラコネジ M3X0.5 L=8 (2)
56 NM-6040001-SC NUT M4X0.7 TYPE1 六角 ナット M4X×0.7 1 種 (2)
57 WP-0430801-SC WASHER M4 ヒラザガネ M4 (2)
58 SL-6040892-TN SCREW M4 L=8
座金付き六角穴ボルト M4 L=8
(2)
59 401-43847 BREAKER_ASM
ブレーカ_クミ
1
60 401-43411 BREAKER_COVER
ブレーカ_カバー
(1)
61 SL-6040892-TN SCREW M4 L=8 座金付き六角穴ボルト M4 L=8 (8)
62 401-43413 BREAKER_PLATE ブレーカ_プレート (1)
63 SL-6041092-TN SCREW M4 L=10 座金付き六角穴ボルト M4 L=10 (8)
64 401-29009 SIGNAL TOWER CABLE ASM
シグナルタワーケーブルクミ
1
65 SL-6041692-TN SCREW M4 L=16
座金付き六角穴ボルト M4 L=16
3
66 401-07072 EMERGENCY SEAL
エマージェンシシール
1
67 401-43402 LCD_BRACKET LCD_ブラケット 1
68 401-43387 TOP_COVER_R トップ_カバー_リア 1
69 400-81751 B_COVER_SCREW B カバースクリュウ 6
70 401-43414 TOP_FAN_BRACKET
トップ_ファン_ブラケット
1
71 SL-6041492-TN SCREW M4 L=14
座金付き六角穴ボルト M4 L=14
8
72 SL-6051092-TN SCREW M5 L=10
座金付き六角穴ボルト M5 L=10
4
73 401-43415 AIR_METER_FRAME エアメータ_フレーム 1
74 SL-6051092-TN SCREW M5 L=10 座金付き六角穴ボルト M5 L=10 3
75 401-43416 TOP_COVER_FRAME トップカバー_フレーム 1
76 SL-6051092-TN SCREW M5 L=10
座金付き六角穴ボルト M5 L=10
2
77 400-81751 B_COVER_SCREW
B カバースクリュウ
2
78 SL-6061292-TN SCREW M6 L=12
座金付き六角穴ボルト M6 L=12
2
79 401-58158 15INCH LCD MONITOR 15 インチ LCD モニタ 1
80 EZ1-846-554-11 CABLE SW SW ケ-ブル (ZY1C-SS3961-P-ON) 1
81 EZ1-846-555-11 CABLE SW SW ケ-ブル (ZY1C-SS3961-P-OFF) 1
82 EZ1-846-553-11 CABLE EMG
EMG ケ-ブル (ZY1C-SS3961-EMG)
1
83 EZ1-523-268-21 BREAKER
ブレ-カ (NV50-SVFU 3P20A30MA)
1
84 EZ4-453-762-01 HANDLE (F-03SVUL-LF-DR)
ソウサ トツテ (F-03SVUL-LF-DR)
1
85 EZ1-523-276-11 BREAKER NO FUSE 15A ノーフューズ遮断機(NF100-SRU 15A) 1 380V-430V 仕様時
86 EZ1-763-987-11 FAN (4715MS-20T-B5A-B01) フアン (4715MS-20T-B5A-B01) 4
87 EZ1-520-538-12 METER HOUR (H7ET-NFV-300) アワ- メ-タ- (H7ET-NFV-300) 1
88 EZ1-798-473-11 SWITCH PRESSURE (ZSE30A-C6H)
アツリヨク スイツチ (ZSE30A-C6H)
1
89 EZ1-798-472-11 SWITCH PRESSURE (ISE30A-C6H)
アツリヨク スイツチ (ISE30A-C6H
1
90 EZ1-523-276-21 BREAKER NO FUSE 20A
ノーフューズ遮断機(NF100-SRU 20A)
1
208V-240V 仕様時
91 401-69634 IFS-NX (CAN-MPC) OPTION (RX-7) IFS-NX (CAN-MPC) オプション(RX-7) 1 OPTION
92 HX-0023300-00 CABLE BAND ソクセン バンド (5)
93 HX-0023300-0A CABLE BAND ソクセン バンド (5)
94 401-69292 IFS BASE PLATE
IFS ベースプレート
(1)
95 401-69293 SHAFT SPACER
スペーサ シャフト
(4)
96 401-69294 HUB PLATE
ハブ プレート
(1)
97 401-69296 MPC BASE PLATE MPC ベース プレート (1)
98 HX-0029400-00 FIXED BASE コテイ ベース (1)
99 SM-1030601-SC SCREW M3X6 サラネジ M3X6 (8)
100 SM-4040601-SC SCREW M4X0.7 L=6
ナベコネジ M4X0.7 L=6
(1)
101 SL-4030691-SC SCREW M3 L=6
座金付きなべ小ねじ M3 L=6
(7)
102 401-69048 MPC-CAN
MPC-CAN
(1)
103 400-73033 SWITCHING HUB スイッチングハブ (1)
104 401-71280 HUB HOLDER ASM ハブ ホルダークミ (2)
105 401-69295 HUB HOLDER ハブ ホルダー (1)
106 EZ4-457-931-01 TAPE (80) FIXED
コテイ テ-プ (80)
(0.5)

A-75
A33
カバー ASSY-2
Cover assy - 2
7
5
3
4
2
9
1 0
1 2
1 3
1 3
1 0
9
1 1
1 1
1 4
8
1 8
2 0
1 7
1 7
2 0
1 8
1 9
1 6
2 1
1 6
1 5
2 7
2 5
2 3
2 6
2 7
2 5
2 4
2 2
3 0
3 3
3 1
3 3
3 0
3 1
3 2
2 9
2 9
2 3
2 8
A
A
3 6
3 7
3 8
3 5
4 0
3 9
3 9
3 4
4 3
4 4
4 5
4 6
4 7
4 7
4 6
4 8
4 9
5 1
5 0
5 2
5 3
5 4
5 5
5 6
5 7
5 8
5 9
6 0
6 1
6 2
6 2
6 3
6 4
6 5
6 6
6 8
6 7
6 9
6 9
7 0
7 0
7 1
7 2
7 3
7 4
7 5
7 6
7 7
7 7
7 9
7 9
8 0
8 0
8 1
8 1
8 2
8 9
7 8
7 8
9 1
9 2
B
9 3
9 4
9 5
9 5
9 0
6
B
2 4
5 5
5 6
1
4 2
8 4
8 6
8 8
8 6
8 8
8 7
8
7
8 5
8 3
4 1
4 1