N7201A706C - 第81页
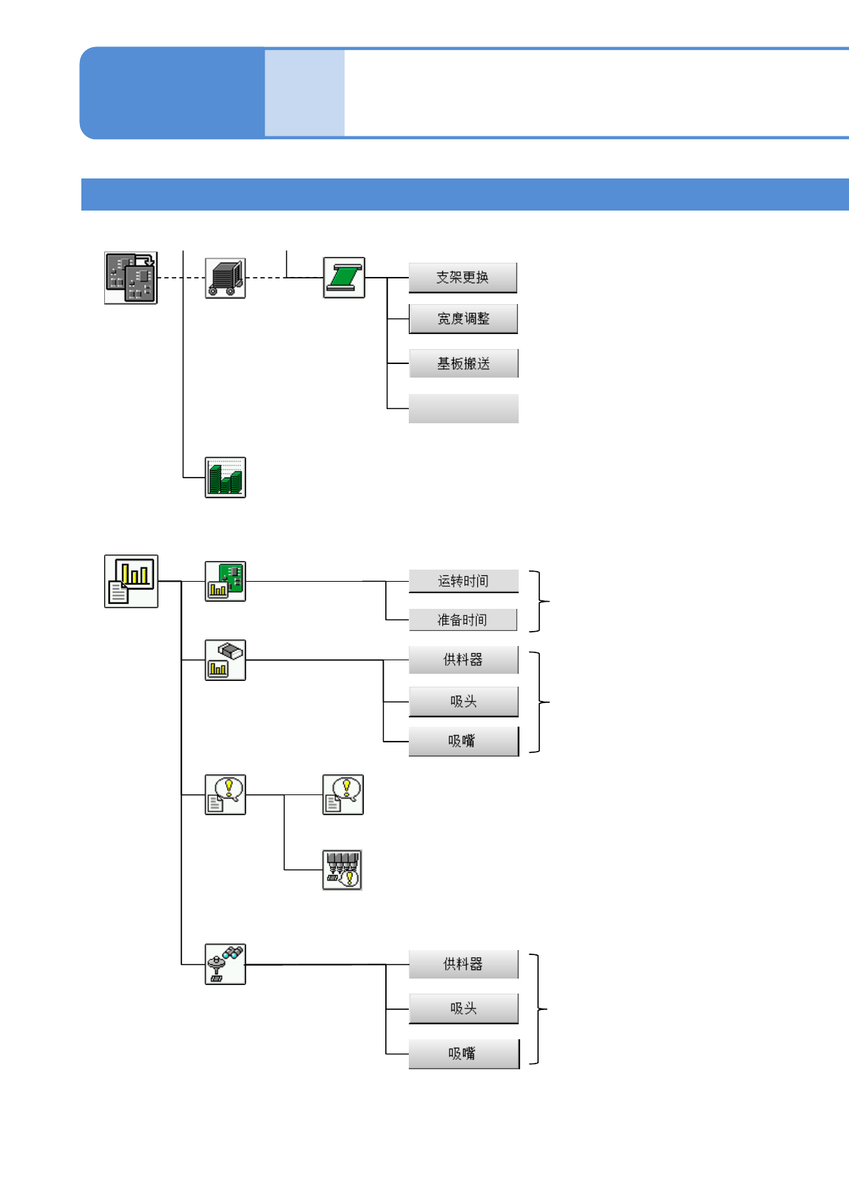
EJM9DC-MB-02C-0 0 NPM-W X/WXS 2-2-2 -4 ★托盘 更换消磨零件 定期检查 确认各周期的检查项目和操作履历。 显示消磨零件的更换信息。 维护菜单 XY 单元 进行 XY 单元的维护作业。 贴装头 进行贴装头的维护作业。 维护作业 进行基板传送的维护作业。 传送带 精度验证 显示精度验证结果。 精度验证结果 生成数据 生成精度验证数据。 进行托盘供料器的维护动作。 ( 在搭载托盘供料器时显示 ) ★带有标…

EJM9DC-MB-02C-00
NPM-WX/WXS
生产信息
菜单
2-2-2-3
各部位
名称
菜单构成 2
2-2-2
★带有标记的图标或按钮,是在搭载了该选购件时才显示。
传送带
准备菜单
准备零部件
事先计算生产计划所需的元件消耗量。
生产计划
进行基板支撑块的更换动作。
显示基板位置,从各位置进行传送。
调整轨道宽度。
★进行支撑销(自动更换用)的位置、
数量的确认。
履历
吸着监视器
吸着情報
运转信息
有关紧急停止错误的信息,按照时间的最新顺序可以最多显
示20件。
停止履历
显示有关元件的吸着信息。
显示各基台的运转时间的信息。
有关自动运转中发生的真空传感器错误的信息,显示最新的
50件。
真空传感器错误履历
显示有关元件的吸着信息。
支架更换
工程师模式 2

EJM9DC-MB-02C-00
NPM-WX/WXS
2-2-2-4
★托盘
更换消磨零件
定期检查
确认各周期的检查项目和操作履历。
显示消磨零件的更换信息。
维护菜单
XY单元
进行XY单元的维护作业。
贴装头
进行贴装头的维护作业。
维护作业
进行基板传送的维护作业。
传送带
精度验证
显示精度验证结果。
精度验证结果
生成数据
生成精度验证数据。
进行托盘供料器的维护动作。
(在搭载托盘供料器时显示 )
★带有标记的图标或按钮,是在搭载了该选购件时才显示。

EJM9DC-MB-02C-00
NPM-WX/WXS
贴装
确认、修改生产数据。
图案
各部位
名称
菜单构成 3
2-2-2
2-2-2-5
吸嘴存储器
显示吸嘴交换器的吸嘴信息。
软件开关
★带有标记的图标或按钮,是在搭载了该选购件时才显示。
★托盘
设定托板的状态。
输入、修改元件形状的数据。
供料器
基板
生产数据
菜单
修改
确认、修改基板数据。
确认、修改基板弯曲数据。
确认、修改基板识别数据。
★确认、修改支撑销(自动更换用)的
数据。
设定供料器的状态。
输入、修改元件形状的数据。
输入、修改贴装条件的数据。
确认、修改图案属性的数据。
确认、修改组属性的数据。
★确认转印条件。
确认设定运转条件的软件开关的设置
状态。
确认设备的通信开关的设定状态。
对工作台所使用的元件形状数据进行
确认。
对托盘尺寸及间距等的与托盘有关的
数据进行输入、修正。
工程师模式 3