BM123 Mechanical20071204 - 第119页
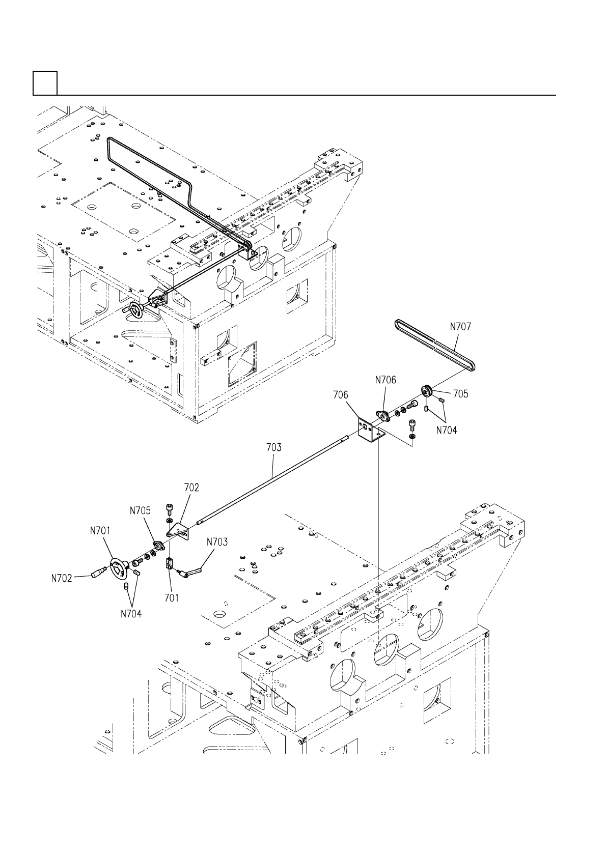
PART NAME REMARKS Q'TY 18 プリント基板搬送部(手動 幅寄せ部 ) P.C.B. TRANSFE R SECT.(MANUAL WI DTH ADJUSTMENT SECT .) イラスト No. REF No. PART No. 部 品 名 品 番 個数 備 考 R 1 R 2 1 1086205700 MANUAL WIDTH CONTROL UNIT シュドウハバヨセユニット 1 701 1…

プリント基板搬送部(手動幅寄せ部)
P.C.B. TRANSFER SECT.(MANUAL WIDTH ADJUSTMENT SECT.)
18
F10862-05-700-AB_02
M95

PART NAME
REMARKS
Q'TY
18
プリント基板搬送部(手動幅寄せ部)
P.C.B. TRANSFER SECT.(MANUAL WIDTH ADJUSTMENT SECT.)
イラスト
No.
REF
No.
PART No.
部 品 名 品 番 個数 備 考
R
1
R
2
1 1086205700
MANUAL WIDTH CONTROL UNIT シュドウハバヨセユニット
1
701 1086205701
BLOCK ブロック
1
702 108620570201
BRACKET ブラケット
1703 N210028036AA
SHAFT シャフト
1705 N210028038AA
PULLEY プーリー
1
706 108620570601
BRACKET ブラケット
D-80-AHC10
1
N701
N510033386AA
HANDLE ハンドル
GHR-16XM5
1
N702
N986GHR16M5
KNOB ノブ
CLMS6-16-B
1
N703
N510012832AA
LEVER レバー
M5X8-45H A2J (Trivalen
4
N704
N510018384AA
HEX. SOCKET SET SCREW ロッカクアナツキトメネジ
80FL-10
1
N705
N50580FL10
FLANGE UNIT オイレスピロ-
KFL000
1
N706
N505KFL000A
BEARING UNIT ベアリングユニット
2100-3GT-9
1
N707
N64121003GT9
BELT ベルト
M96
F10862-05-700-AB_02

固定供給部
FIXED SUPPLY SECT.
19
F10862-07-300-AE_A
M97