松下BM221维修手册_4E3DA - 第46页
BM221 维修手 册 3.1 安装概 要 E33M CC-11- 011-C 0 3.1-1 3.1. E33MCC-11-011 -C0 在本章 对基 本安装作 业进 行说明。 安装由 本公 司的安装 负责 人员进行 基本 的安装作 业。 3.1.1 为安全 使用 本机,使 其充 分发挥性 能, 敬请遵守 以下 各项。 请将机 器设 置在以下 环境 中。 • 请准备 好本 机所需的 电气 容量。另 外, 电源电压 波动 值应在 ± …

BM221
维修手册
3.
安装
E33MCC-11-001-C0
3-2
E33MCC-11-001-C0
3.
在本章中对安装上的注意事项以及确认事项进行了说明。

BM221
维修手册
3.1
安装概要
E33MCC-11-011-C0
3.1-1
3.1.
E33MCC-11-011-C0
在本章对基本安装作业进行说明。
安装由本公司的安装负责人员进行基本的安装作业。
3.1.1
为安全使用本机,使其充分发挥性能,敬请遵守以下各项。
请将机器设置在以下环境中。
•
请准备好本机所需的电气容量。另外,电源电压波动值应在±
5%
以内。
•
接地工程必须施以
D
种接地工程(第
3
类接地工程)以上。
•
气压供给应为
0.43MPa
及本机所需之流量。
•
室温在
10°C
~
30°C
的范围内。
•
湿度在
20%
~
90%
范围内,水汽不易凝结的场所。
•
拥有强度足以支撑机器质量的场所。
•
无剧烈振动场所。
•
周围无易燃和腐蚀性气体。
•
无灰尘和油烟的场所。
3.1.2
搬运由本公司的安装负责人员进行。
如客户独自搬运机器,请充分考虑本机重量,采用最适合的搬运设备,小心搬运。
请选用最适合的搬运工具,禁止站在
机器下面。
3.1.3
设置时,请使用水平仪进行水平设置。
如机器的放置不是水平状态,则无法获得预期性能。
3.1.4
向设备供电。
= =
详细内容请参照
‘Mtn. /
安装
/
电源的连接
’
3.1.5
把一次侧空气配管连接到设备。
切断一次侧气压后连接
在一次侧的空气中不应含有水分等其它杂质。
确认一次侧空气的压力在
0.43 MPa
、流量在
150 l/min
(
A.N.R
)以上。
连接一次侧空气配管后,供给一次侧的空气,使用机器的
MR
装置调整到
0.43 MPa
。

BM221
维修手册
3.1
安装概要
E33MCC-11-011-C0
3.1-2
3.1.6
确认以下安全开关是否正常工作。
= =
开关位置的详细内容请参照
‘Mtn. /
关于安全
/
安全功能的说明
’
。
紧急停止开关
联锁开关(前
/
后部安全盖以及托盘升降机门)
区域传感器(前
/
后部供给部)
请务必安装安全联锁开关并确认工作
:
在设备启动的状态下,按下紧急停止开关时,变为电源
OFF
(显示“要起动请按‘
ON
’”)状态的同时,确
认紧急停止开关同步。
:
打开前
/
后部盖、托盘升降机门。
设备立即停止动作。
画面上显示
‘Safety stop’
(安全停止)的信息。
从停止的状态开始关闭盖(门),按“
START
”(开始),解除安全停止状态,返回到停止之前的运转状态。
:
把前
/
后供给部安全传感器遮光。
设备动作时,立即停止。
画面上显示
‘Safety stop’
(安全停止)的信息。
从停止的状态开始按“
START
”(开始),解除安全停止状态,返回到停止之前的运转状态。
3.1.7
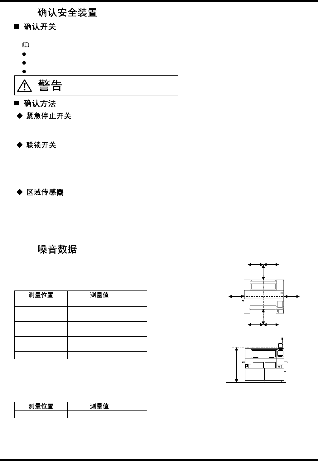
表示设备的噪音数据。
1)
耐久试验动作
供料器全部配置
进给动作
:
无
[dB]
A 66.2
B 64.5
C 64.9
D 62.7
E 63.8
F 64.4
G 63.0
H 65.5
暗噪声
: 34.0 dB
2)
耐久试验动作
供料器全部配置
进给动作
:
气缸驱动式供料器
8
个
(Z41,43,45,47,49,51,53,55)
同时进给
[dB]
A 75.2
暗噪声
: 34.0 dB
A~H
1.6 m
A
B
C
D
E
F
G
1 m
1 m
1 m
1 m
H
1 m
1 m 1 m
1 m