松下BM221维修手册_4E3DA - 第56页
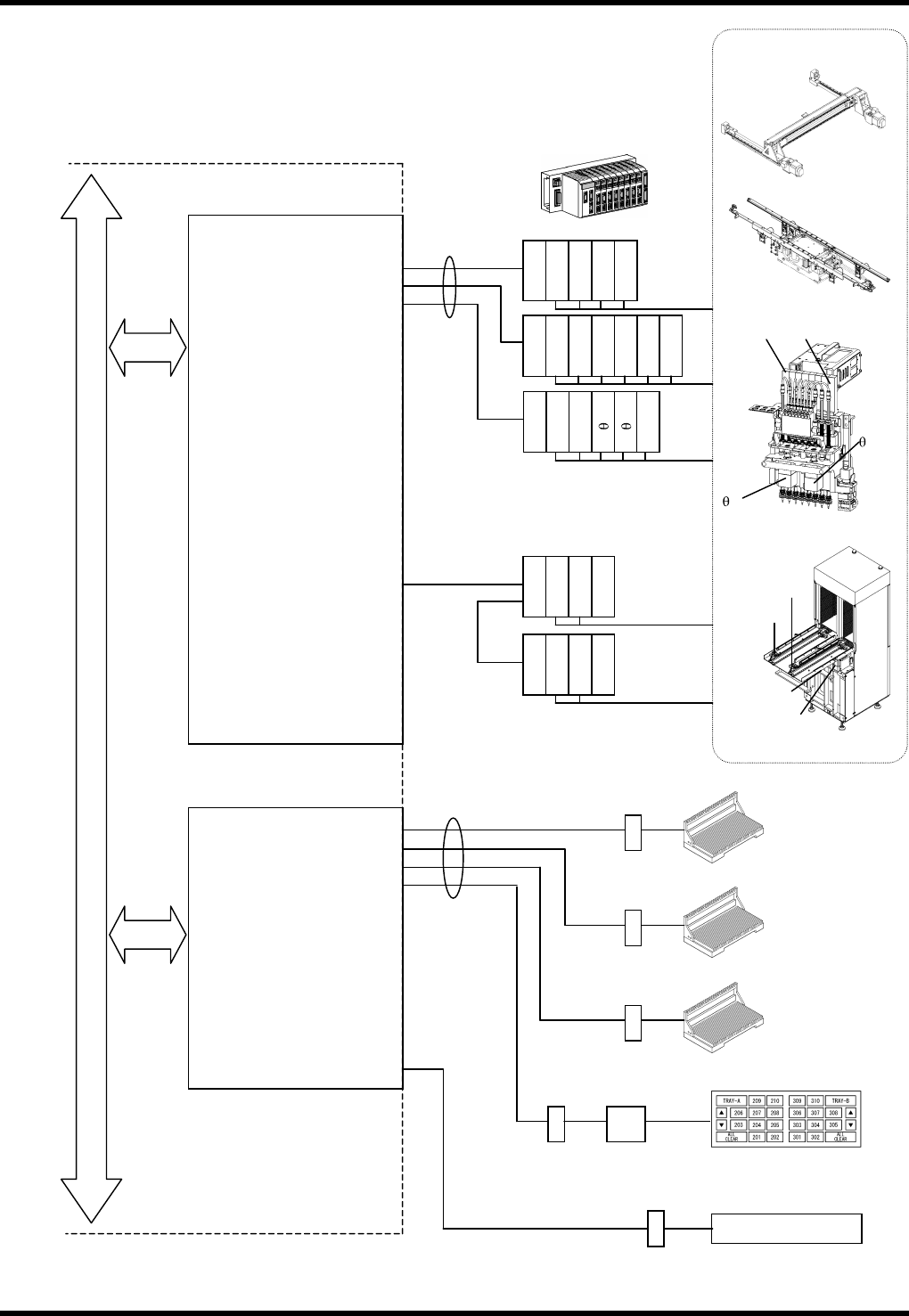
BM221 维修手 册 4.1 控制系 统图 E33M CC-14- 011-D 0 4.1-1 4.1. E33MCC-14-011 -D0 在本节 对设 备的控制 系统 构成进行 说明 。 4.1.1 Compact PCI HM I 板 NBC-IC 4B (M ) FDD-IF 板 FA 8000-790 PanaPRO LAN: 100Ba se-T RC 板 FS8000 -RC7-1C FDD 打印机 (选购 件) 操作盘…

BM221
维修手册
4.
控制系统
E33MCC-14-001-C0
4-2
E33MCC-14-001-C0
4.
在本章中对设备的控制系统进行了说明。

BM221
维修手册
4.1
控制系统图
E33MCC-14-011-D0
4.1-1
4.1.
E33MCC-14-011-D0
在本节对设备的控制系统构成进行说明。
4.1.1
Compact PCI
HMI
板
NBC-IC4B (M)
FDD-IF
板
FA8000-790
PanaPRO
LAN: 100Base-T
RC
板
FS8000-RC7-1C
FDD
打印机(选购件)
操作盘监控器
键盘/鼠标
后部操作盘监控器
后部键盘/鼠标
操作切换基板
FA932-050
选购件
2D
传感器
3D
传感器
X
轴编码器
XY
轴驱动器
I/O
装置
MR-J2M-D01
基板相机
基板相机切换基板
FA964-004-B
吸附位置相机
(选购件)
吸头相机(线型刻度)
(选购件)
元件相机控制基板
FA964-006-5B
识别监控器

BM221
维修手册
4.1
控制系统图
E33MCC-14-011-D0
4.1-2
NC
板
FA8000-202-4B
H1
H2
IF
H3
H4
H5
H6
H7
H8
IF
1
2
S
光电缆
Compact PCI
伺服放大器
TZA
TWA
IF
TZB
TWB
IF
CC
板
FS8000-CC2
光模块
供给部接触块
光模块
供给部接触块
光模块
供给部接触块
光模块
托盘显示板
光电缆
定序器
YR
YL
IF
X
R
R :
选购件
YL
YR
X
各电机
1
2
H1….H8
TZ
A
TZB
TW
A
TWB
R:
选购件
传送带宽度调整信号
外部传送带
(选购件)
选购插座
S :
选购件