QE64C-E-MPA-57 - 第299页
Ref No. Remarks R 1 Q't y 44-A 移載 ヘッド( 多機能 ヘッド) Transfer Head (Multi-Functional Heads) イラスト No. Part No. 品 名 品番 数量 R 2 パーツリスト Kit No . キット品 番 Kit Name キット名称 KXFX03KNA00 Part N ame 備 考 セクションNo. PARTS LIST Section No.…

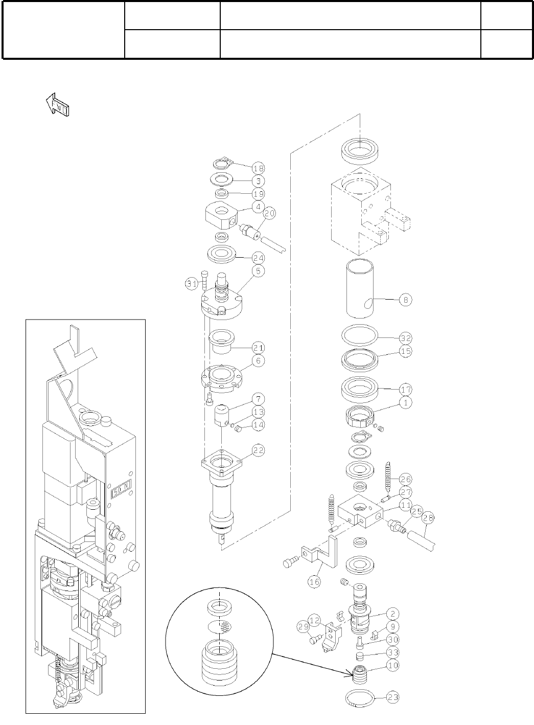
44-A
移載
ヘッド(
多機能
ヘッド)
Transfer Head (Multi-Functional Heads)
パーツレイアウト
Kit No.
キット品
番
Kit Name
キット名称
KXFX03KNA00
セクションNo.
PARTS LAYOUT
Section No.
S171

Ref
No.
Remarks
R
1
Q't
y
44-A
移載
ヘッド(
多機能
ヘッド)
Transfer Head (Multi-Functional Heads)
イラスト
No.
Part No.
品 名品番 数量
R
2
パーツリスト
Kit No.
キット品
番
Kit Name
キット名称
KXFX03KNA00
Part Name
備 考
セクションNo.
PARTS LIST
Section No.
R
3
PLATE
1
1 KXFB02J4A00
HOUSING
1
2 KXFB02J5A02
COUPLING
1
3 KXFB029FA03
HOUSING
1
4 KXFB029MB02
BLOCK
1
5 KXFB029QA01
BLOCK
1
6 KXFB02JAA00
PLUG
1
7 KXFB01ANA00
BOLT
2
8 KXFB02JDA01
BRACKET
1
9 N210050180AB
BRACKET
1
10 KXFB02JFB00
PLATE
1
11 KXFB04LCA00
STOPPER
2
12 KXFB02JGA00
MOTOR
1
13 N510042740AA P50BA2002BXS3C
PIN
2
14 KXF09WMAA00 MS4-8
GASKET
1
15 KXF09ANAA00 CR984W
GROMMET
1
16 KXF0CUVAA00 G-68
PH-SENSOR
1
17 KXF0DL8AA01 PM-Y44(DA KXF0DL8AA01)
FILTER
2
18 KXF0CPKAA00 EBKX-A7001
O-RING
1
19 KXF09APAA00 SO-012-13
JOINT
1
20 KXF08TJAA00 M-5ALHU-6
JOINT
1
21 KXF0A27AA00 KQL04-M6
GREASE-NIPPLE
1
22 KXF0CSNAA00 GPA6A
BOLT
2
23 N510017320AA
Hexagon socket head cap screw M3X22-10.9 A2J (Trivalent)
PIN
2
24 KXF0CXSAA00 1017003-30008
BOLT
2
25 N510017513AA
SSS 003 Hexagon socket button head screw M3X6-10.9 A2J (Trivalent)
SPACER
1
26 KXF09ETAA00 ASF-4100
SPACER
1
27 KXF0DS2AA00 CF-406
JOINT
1
28 KXF02T8AA00 M-5H-6
MEIBAN
1
29 KXF0E0PFA00 NP(DA KXF0E0PFA00)
S172

44-B
移載
ヘッド(
多機能
ヘッド)
Transfer Head (Multi-Functional Heads)
パーツレイアウト
Kit No.
キット品
番
Kit Name
キット名称
KXFX03KNA00
セクションNo.
PARTS LAYOUT
Section No.
S173