7OM-1603-006_w - 第169页
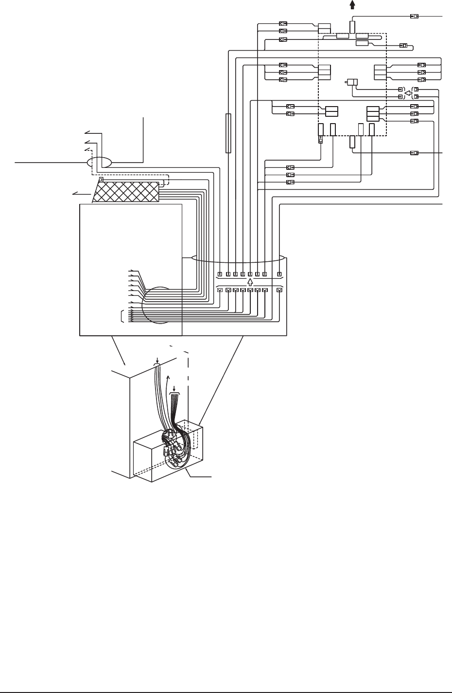
7OM-1603 5-4 2.2 T raverse Cart 1003-002 C(1092100001) U69:X6909 K52-33, K52-43 Feeder Base Section Electrical Box Main Machine Batch Connector : X30 X16302 Ground T erminal U154:X15403 XTB1 K101 Relay Connector Speciall…

7OM-1603
5-3
Symbol Name Symbol Name
B15406 Pallet Ejection Detection B15532 Upper Magazine Positioning Check
B15505 Return Position Non-Pallet Detection L Y15537 Lower Magazine
Shutter Open/Close Cylinder Valve Shutter
B15506 Return Position Non-Pallet Detection R Y15538 Upper Magazine
Shutter Open/Close Cylinder Valve Shutter
B15513 Lower Magazine Type Determination B0201 Limit (+) Sensor
B15514 Lower Magazine Lower Magazine Fixing
Conrmation
B0202 Magazine Up/Down Access Check
B15515 Upper Magazine Type Determination B0302 Limit (-) Sensor
B15516 Upper Magazine Lower Magazine Fixing
Conrmation
M02 EV1 Shaft Motor
B15521 Lower Magazine Operator Side Rack Jack
Close Operation Check
M03 EV2 Shaft Motor
B15522 Lower Magazine Traverse Side Rack Jack
Open Operation Check L
S0501 Safety Door (Lower) Door Lock
B15523 Lower Magazine Traverse Side Rack Jack
Close Operation Check L
S0502 Safety Door (Upper) Door Lock
B15524 Lower Magazine Traverse Side Rack Jack
Open Operation Check R
S0503 Safety Door (Magazine) Door Lock
B15525 Lower Magazine Traverse Side Rack Jack
Close Operation Check R
S15517 READY Switch (Lower)
B15526 Lower Magazine Positioning Check H15542 READY Switch (Lower) Lamp
B15527 Upper Magazine Operator Side Rack Jack
Close Operation Check
S15518 READY Switch (Upper)
B15528 Upper Magazine Traverse Side Rack Jack
Open Operation Check L
H15543 READY Switch (Upper) Lamp
B15529 Upper Magazine Traverse Side Rack Jack
Close Operation Check L
S15519 Magazine Change Switch (Inner Door)
B15530 Lower Magazine Traverse Side Rack Jack
Open Operation Check R
H15544 Magazine Change Switch (Inner Door)
Lamp
B15531 Upper Magazine Traverse Side Rack Jack
Close Operation Check R
H0001 EV Power Lamp
1003-002 A(1092104503)

7OM-1603
5-4
2.2 Traverse Cart
1003-002 C(1092100001)
U69:X6909
K52-33, K52-43
Feeder Base Section
Electrical Box
Main Machine
Batch Connector : X30
X16302
Ground Terminal
U154:X15403
XTB1
K101 Relay Connector
Specially Designed for ACV :X4
X0102,X0202,X0302
〈TB:TV〉
TV-EV Bundled Connector
U154 PCB
A01(TV Shaft)
Traverse Axis Draw Hole
From Feeder Base Section Electrical Box
Main Machine Traverse Bundled Connector
(Rear Cover)
To M01(CN:M01,M01P)
From Traverse Section
Connector No. :
X16909/TV1/TV2/TV3/TV4/
XB15417/XB15417T/X10107
B15417
B15419
B15427
B15426
B15418
B15414
Y15439
B15415
B15407
B15413
B15412
B15412
B15417
B15418
B15419
B15417T
B15419T
B15418T
Y15437
B15429
B15428
B0102
B15426
B15427
B15428
B15429
B15437
90451B
41451B
51451B
90451B
2010B
93451Y
B15417T
B15418T
B15419T
M01
M01
M01P
1010B
B15408
B15407
B15413
B15411
B0101
B15411
M01
M01P
(Upper Surface Hole)
90961X
1VT
T71451BX
71451BX
2VT
3VT
4VT
70101X
90961X
1VT
T71451BX
71451BX
2VT
3VT
4VT
70101X
Main Machine Side
Traverse Section
Electrical Box
Traverse Section
Electrical Box
〈Traverse Section 〉
e l b a C t o b o R

7OM-1603
5-5
Symbol Name Symbol Name
B15407 Pallet Chuck Claw Open/Close Detection L B15426 Elevator Unit Clamp Cylinder L
(Clamped Side)
B15408 Pallet Chuck Claw Open/Close Detection R B15427 Elevator Unit Clamp Cylinder L
(Unclamped Side)
B15409 Pallet Transfer Section Automatic Teaching
Photo Sensor L
B15428 Elevator Unit Clamp Cylinder R
(Clamped Side)
B15411 Pallet Detection B15429 Elevator Unit Clamp Cylinder R
(Unclamped Side)
B15412 Feeder Pick-up Error Component Detection Y15437 Elevator Unit Clamp Open/Close Cylinder
Valve (Door)
B15413 Hook OFF Detection Y15439 Pallet Chuck Claw Cylinder Valve (Door)
B15414 Elevator Unit Access Detection L B0101 Limit (+) Sensor
B15415 Elevator Unit Access Detection R B0102 Limit (-) Sensor
B15417 Pick-up Error Detection (8mm):
Lower (Light Receiving)
M01 TV Shaft Motor
B15418 Pick-up Error Detection (14mm):
Intermediate (Light Receiving)
B15419 Pick-up Error Detection (32mm):
Upper (Light Receiving)
B15417T Pick-up Error Detection (8mm):
Lower (Light Projecting)
B15418T Pick-up Error Detection (14mm):
Intermediate (Light Projecting)
B15419T Pick-up Error Detection (32mm):
Upper (Light Projecting)
1003-002 C(1092100001)