7OM-1603-006_w - 第185页
7OM-1603 5-20 4.2 Electrical Circuit Diagrams U154 I/O STL T ILB 1 U154 I/O STL T ILB 1 1 102-003 D(M921WB---0005) ( アンプ ) D-SUB 9PIN (TRU) (TRU) (TRU) (TRU) (INT) (INT) (INT) (INT) (TRU) (TRU) (INT) (TRU) (INT) (INT) (…

7OM-1603
5-19
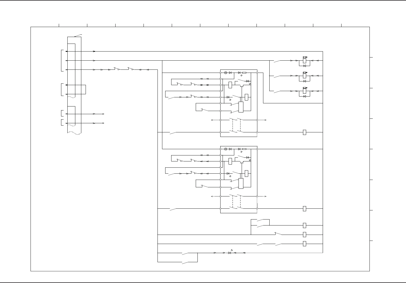
4.2 Electrical Circuit Diagrams Power Supply Section
Power Supply Section
0908-001 -(M921WB---0004)
X300D
:3
:4
24
13
23
T32
T31
T22
T12
T11
T21
A1
14
A2
:5
S0501
41 42
S0503
11 12
21 22
K201
A1 A2
K503
2 6
K301
A1 A2
K504
3 7
K201
21 22
K301
21 22
K101
A1 A2
K502
1 5
S0501
S0502
S0503
24
13
23
T32
T31
T22
T12
T11
T21
A1
14
A2
:11
U154(STLT ILB TR)
X15405(CN5):2
[B-/05/2B]
PWRTH
K1 K2
Circuit
Control
K2
K2
K1
K1
K2
K1
K001
K002
10A
24A2
X300F
[B-/06/2C] [B-/06/2C]
[B-/06/2D] [B-/06/2D]
421
787
454
453
457
455
459
458
806
463
462
466
464
468
467
807
10B
452
10B
461
471
S0503
41 42
K509
3 4
K508
3 4
K507
3 4
342
341
340
469
K301
K201
5 6
5 6
:9
:11
[D-/22/4F]:(2)
H0001
K513
5 6
K101
21 22
K512
8 1
K513
3 4
K513
8 1
K512
3 4
[D-/12/4E]:(1)
[D-/22/4E]:(2)
[D-/12/4F]:(1)
[D-/22/8E]:(2)
[D-/12/8E]:(1)
S0501
11 12
K507
S0501
5 6
A1 A2
A1 A2
A1 A2
S0502
41 42
S0502
11 12
21 22
K508
S0502
5 6
456
465
451
460
PWRTH
K1 K2
Circuit
Control
K2
K2
K1
K1
K2
K1
450
472
470
473
X35
:55
X35
:56
X35
:39
X35
:40
X35
:42
X35
:41
X35
:49
X35
:50
X35
:52
X35
:51
X35
:37
X35
:38
X35
:43
X35
:44
X35
:53
X35
:54
X35
:70
X35
:69
U154(STLT ILB TR)
X15441(CN41):1
[B-/07/2C]
823
:12
(500)
(512):(1)
[D-/22/8E]:(2)
[D-/12/8E]:(1)
:3
:2
XTB1
:1
:5
XTB1
:4
(513):(2)
X1S05
:B7
X1S05
:B8
X1S05
:A3
X1S05
:A4
X1S05
:A6
X1S05
:A5
X1S05
:B1
X1S05
:B2
X1S05
:B4
X1S05
:B3
X1S05
:A1
X1S05
:A2
X1S05
:A7
X1S05
:A8
X1S05
:B5
X1S05
:B6
D module
(12Pins)
Safety Door Lock : Lower
Safety Door Lock : Upper
Safety Door Lock : Magazine
EV1 Main Circuit Power Supply ON
EV2 Main Circuit Power Supply ON
TV Main Circuit Power Supply ON
Safety Door Switch (Lower)
U154
X15424 : to 2
U154
X15424:For 1
U154
X15425:For 2
U154
X15425:For 1
Safety Door Switch (Upper)
F module
(12Pins)
Emergency Stop Detection
(Magazine)
Safety Door Switch
EV Power Lamp
Multi-layer Tray
Connection Check
TV,EV1,2 Power ON
DC Load Power
Feeder Base Interlock
External Unit Connecting Bundled Connector
X30
1
2 3 4 5 6 7 8 9 10 11 12
A
B
C
D
E
F
G
H

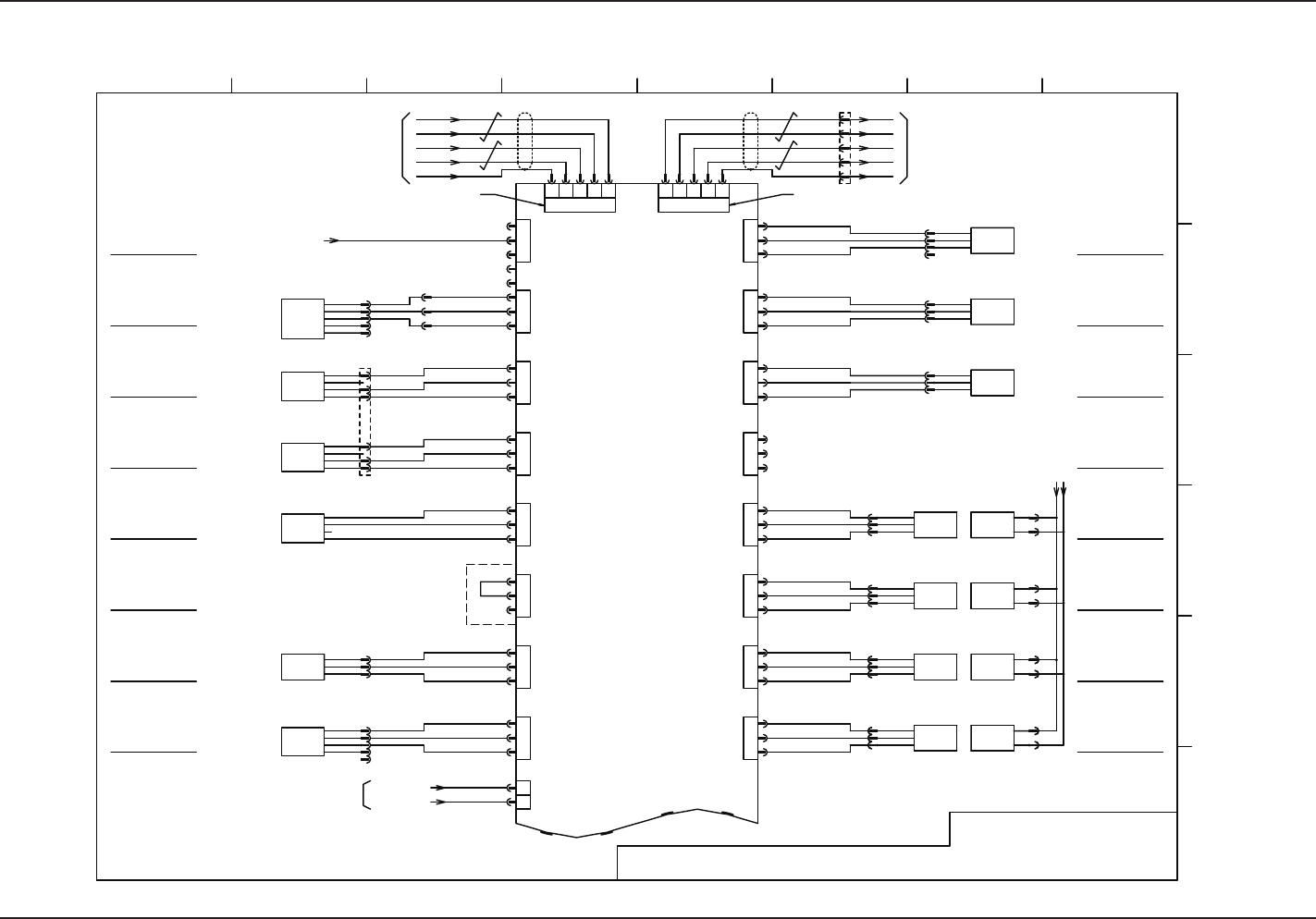
7OM-1603
5-20
4.2 Electrical Circuit Diagrams U154 I/O STLT ILB 1
U154 I/O STLT ILB 1
1102-003 D(M921WB---0005)
(アンプ)
D-SUB 9PIN
(TRU)
(TRU)
(TRU)
(TRU)
(INT)
(INT)
(INT)
(INT) (TRU)
(TRU)
(INT)
(TRU)
(INT)
(INT)
(INT)
(INT)
Shielded Shielded
X15416
(UA54)
798
PM-R24
PM-R24
EE-SX672
E3T-FD12R
E3X-MDA11
GL-N12FX10
GL-N12FX10
EX-23
EX-23
EX-23
E3X-DA11-S
E3X-DA21-S 2M
EX-23
SCALE 1
/RX
RX
/TX
TX
FG
CN5
CN6
CN7
CN8
CN9
CN10
CN11
CN12
9
3 72
6
7
9 6 3
2
FG
TX
/TX
RX
/RX
X15404X15403
CN4CN3
1
2
3
3
2
1
3
2
1
3
2
1
1
2
3
1
2
3
1
2
3
3
2
1
1
2
CN2
CN20
CN19
CN18
CN17
CN16
CN15
CN14
CN13
1
2
3
3
2
1
3
2
1
3
2
1
1
2
3
1
2
3
1
2
3
3
2
1
:30
:26
:27
:28
:29
10B
24B10
X15402
X15405
X15406
X15407
X15408
X15409
787(500)
X15413
X15414
X15415
X15417
X15418
B15414
:3
:2
:1
:3
:2
:1
+
OUT
-
:3
:2
:1
XB15417
+
OUT
-
B15417
:3
:2
:1
XB15414
+
OUT
-
B15417T
-
+
-
+
:1
:2
:2
:1
XB15417T
:2
:1
10B
24B10
:1
:2
:3
:4
:5
[B-/13/2C]
[B-/04/4C]
I/O P.C.B
STLT_ILB_TR
U154
[B-/13/4E]
788
10B
24B10
789
10B
24B10
790
10B
24B10
791
10B
24B10
793
10B
24B10
794
10B
24B10
795
796
10B
24B10
797
10B
24B10
799
10B
24B10
800
10B
24B10
801
10B
24B10
802
X15410
X15411
X15412
X15419
X15420
B15406
-
OUT1
+
XB15406
:1
:2
:5
BL
BK
BR
B15407
-
OUT1
+
XB15407
:1
:2
:3
BL
BK
W
OUT2
BR
B15408
:4
B15409
-
OUT
L
+
+
OUT
-
:3
:2
:1
B15411
XB15411
BL
BK
BR
B15412
-
OUT2
+
XB15412
:1
:2
:4
BL
OR
BR
OUT1
BK
BL
BK
BR
B15415
:3
:2
:1
XB15415
+
OUT
-
BL
BK
BR
BL
BK
BR
BL
BK
BR
BL
BR
BL
BR
XB15418
B15418 B15418T
XB15418T
XB15419 XB15419T
:3
-
OUT1
+
BL
BK
W
OUT2
BR
[B-/08/3A]
X35
X35
:66
:67
:68
:9
:2
:6
:3
:7
X15503(CN3)
U155(STLT ILB EV)
+
OUT
- -
+
BL
BK
BR
BL
BR
B15419 B15419T
:5
:6
:5
N.C.
B15413
:4
:3
:1
XB15414
+
OUT
-
10B
24B10
BL
BK
BR
:2
OUT2
:3OR
IN
:4PK
Shortcut only for Full Size
(JADEC not attached)
:3
:2
:1
:2
:1
10B
24B10
XB15420 XB15420T
+
OUT
- -
+
BL
BK
BR
BL
BR
B15420 B15420T
TV/EV Connecting Bundled Connector
Note 1 Note 1
Pickup Miss Detection (30mm)
Pickup Miss Detection (16mm)
Pickup Miss Detection (12mm)
Pallet Chuck Claw Open or
Close Detecting L
Pallet Chuck Claw Open or
Close Detecting R
Detecting Feeder Pickup Miss Component
Detecting Emergency Stop
-X300F
External Unit Connecting Bundled Connector
-X300F:11
External Unit Connecting Bundled Connector
Power for Input
Pallet flying away Detecting
For Pallet Transfer Section
Teaching Photo-Sensor L
For Traverse Type Decision
Pallet Detection Sensors
Feeder Disengaged
Latch Detection
Elevator Unit Approach
Detection L
Elevator Unit Approach
Detection R
TV/EV Connecting
Bundled Connector
Pickup Miss Detection (24mm)
1 2 3 4 5 6 7 8
A
B
C
D
E
F

7OM-1603
5-21
4.2 Electrical Circuit Diagrams U154 I/O STLT ILB 2
U154 I/O STLT ILB 2
1007-002 B(M921WB---0006)
X15421
(TRU)
(TRU)
(TRU)
(TRU)
(TRU)
(TRU)
(TRU)
(INT)
803
(UA54)
X15422
804
813
814
815
(INT)
(TRU)
(TRU)
(TRU)
(TRU)
(TRU)
(TRU)
(TRU)
RDQD40-40M-M9N
RDQD40-40M-M9N
RDQD40-40M-M9N
RDQD40-40M-M9N
1
2
3
3
2
1
3
2
1
3
2
1
1
2
3
1
2
3
1
2
3
3
2
1
1
2
3
3
2
1
3
2
1
3
2
1
1
2
3
1
2
3
1
2
3
3
2
1
CN28
CN27
CN26
CN25
CN24
CN23
CN22
CN21
CN36
CN35
CN34
CN33
CN32
CN31
CN30
CN29
811
X15429
I/O P.C.B
STLT_ILB_TR
U154
10B
24B10
812
X15430
X15423
805
X15431
10B
X15424
806
X15432
10B
X15425
807
X15433
10B
X15426
816(875)
808
X15434
10B
24B10
X15427
817(876)
809
X15435
10B
24B10
X15428
818810
X15436
10B
24B10
Q301
13 14
805B
Q201
13 14
805A
Q101
13 14
K001:14
K001:13
[B-/04/7D]
K002:14
K002:13
[B-/04/7F]
B15426
-
OUT
+
XB15426
:1
:2
:3
BL
BK
BR
B15427
-
OUT
+
XB15427
:1
:2
:3
BL
BK
BR
B15428
-
OUT
+
XB15428
:1
:2
:3
BL
BK
BR
B15429
XB15429
:1
:2
:3
-
OUT
+
BL
BK
BR
10B
X15546(CN46)
[B-/10/7E]
U155(STLT ILB EV)
X15547(CN47):1
[B-/10/7E]
U155(STLT ILB EV)
X35
:71
:72
K101
5 6
:47
:48
:1
:1
X35
X0107(CN7)
[B-/01/7E]
A01(TV)
:7
10B
X0307(CN7)
[B-/03/7E]
A03(EV2:Upper)
:7
10B
X0207(CN7)
[B-/02/7D]
A02(EV1:Lower)
:7
10B
1 2 3 4 5 6 7 8
A
B
C
D
E
F
Motor Breaker Trip Detection
Lower Elevator Safety
Relay Detection
Upper Elevator Safety
Relay Detection
Elevator Unit Clamp
Cylinder L [Clamp Side]
Elevator Unit Clamp
Cylinder R [Clamp Side]
Elevator Unit Clamp
Cylinder L [UnClamp Side]
CB Error -EV2CB Error -EV1CB Error -TV
Elevator Connecting Check
EV1 Interlock Signal
EV2 Interlock Signal
Traverse Main Power ON
Elevator Unit Clamp
Cylinder R [UnClamp Side]
TV/EV Connecting Bundled Connector
TV/EV Connecting Bundled Connector