7OM-1603-006_w - 第190页
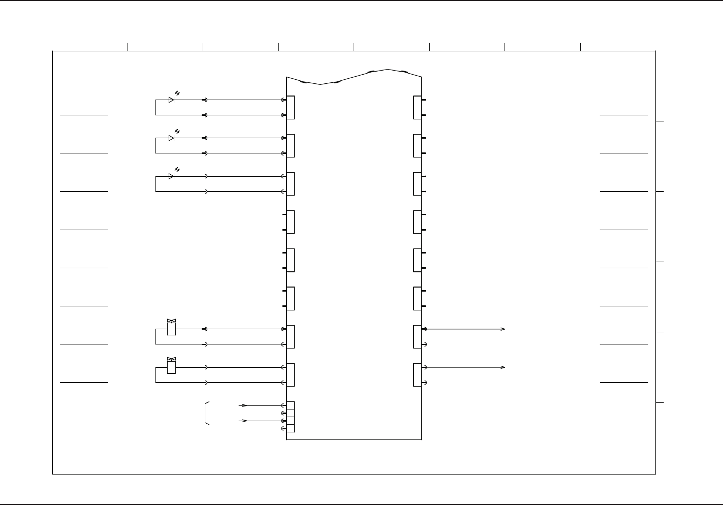
7OM-1603 5-25 U155 I/O STL T ILB 3 4.2 Electrical Circuit Diagrams U155 I/O STL T ILB 3 1003-002 B(M921WB---0010) I/O P .C.B STL T_ILB_EV U155 1 2 2 1 2 1 2 1 1 2 1 2 1 2 2 1 CN37 CN38 CN39 CN40 CN41 CN42 CN43 CN44 1 2 2…

7OM-1603
5-24
U155 I/O STLT ILB 2
4.2 Electrical Circuit Diagrams U155 I/O STLT ILB 2
1003-002 B(M921WB---0009)
(INT)
(TRU)
(INT)
(INT)
(INT)
(TRU)
(TRU)
(INT)
(UA54)
863
X15533
10B
24B11
864
X15534
10B
24B11
865
X15535
10B
24B11
(INT)
(TRU)
(INT)
(INT)
(TRU)
(TRU)
(TRU)
(TRU)
EX-26A
CDJ2D10-15-H7A1
CDJ2D10-15-H7A1
CDJ2D10-15-H7A1
CDJ2D10-15-H7A1
EE-SX672
EX-26A
CDJ2D10-15-H7A1
CDJ2D10-15-H7A1
CDJ2D10-15-H7A1
CDJ2D10-15-H7A1
EE-SX672
866
X15536
10B
24B11
1
2
3
3
2
1
3
2
1
3
2
1
1
2
3
1
2
3
1
2
3
3
2
1
1
2
3
3
2
1
3
2
1
3
2
1
1
2
3
1
2
3
1
2
3
3
2
1
X15521
CN28
CN27
CN26
CN25
CN24
CN23
CN22
CN21
CN36
CN35
CN34
CN33
CN32
CN31
CN30
CN29
859851
X15529
I/O P.C.B
STLT_ILB_EV
U155
10B
24B11
10B
24B11
X15522
860852
X15530
10B
24B11
10B
24B11
X15523
861853
X15531
10B
24B11
10B
24B11
X15524
862854
X15532
10B 10B
24B11
X15525
855
10B
24B11
X15526
856
10B
24B11
X15527
857
10B
24B11
X15528
858
10B
24B11
B15527
-
OUT
+
XB15527
:1
:2
:3
BL
BK
BR
B15528
-
OUT
+
XB15528
:1
:2
:3
BL
BK
BR
B15529
XB15529
:1
:2
:3
-
OUT
+
BL
BK
BR
B15530
XB15530
:1
:2
:3
-
OUT
+
BL
BK
BR
B15531
XB15531
:1
:2
:3
-
OUT
+
BL
BK
BR
B15521
-
OUT
+
XB15521
:1
:2
:3
BL
BK
BR
B15522
-
OUT
+
XB15522
:1
:2
:3
BL
BK
BR
B15523
-
OUT
+
XB15523
:1
:2
:3
BL
BK
BR
24B11
B15524
-
OUT
+
XB15524
:1
:2
:3
BL
BK
BR
B15525
-
OUT
+
XB15525
:1
:2
:3
BL
BK
BR
-
OUT
L
+
B15526
-
OUT
L
+
B15532
Spare Input 1
Spare Input 2
1 2 3 4 5 6 7 8
A
B
C
D
E
F
Lower Magazine Positioning Check
Upper Magazine
Positioning Check
Operator Side Rack Shutter
Close Check
Lower Magazine
Lower Magazine
Traverse Side Rack Shutter
Opening Check L
Lower Magazine
Traverse Side Rack Shutter
Closing Check L
Lower Magazine
Traverse Side Rack Shutter
Opening Check R
Lower Magazine
Traverse Side Rack Shutter
Closing Check R
Operator Side Rack Shutter
Close Check
Upper Magazine
Upper Magazine
Traverse Side Rack Shutter
Opening Check R
Upper Magazine
Traverse Side Rack
Shutter Closing Check L
Upper Magazine
Traverse Side Rack
Shutter Opening Check R
Upper Magazine
Traverse Side Rack
Shutter Closing Check L

7OM-1603
5-25
U155 I/O STLT ILB 3
4.2 Electrical Circuit Diagrams U155 I/O STLT ILB 3
1003-002 B(M921WB---0010)
I/O P.C.B
STLT_ILB_EV
U155
1
2
2
1
2
1
2
1
1
2
1
2
1
2
2
1
CN37
CN38
CN39
CN40
CN41
CN42
CN43
CN44
1
2
2
1
2
1
2
1
1
2
1
2
1
2
2
1
CN51
CN50
CN49
CN48
CN47
CN46
CN53
CN52
875(816)
X15501
CN1
2
1
10B
3
4
24B11
X15544
867
[B-/13/4D]
868
872
873
874
X15543
X15542
X15538
X15537
X15547
X15546
876(817)
XY15537
:1
:2
Y15537
24B11
XY15538
:1
:2
Y15538
XY15542
:1
:2
H15542
XY15543
:1
:2
H15543
XY15544
:1
:2
H15544
X15435(CN35):2
[B-/06/7E]
U154(STLT ILB TR)
X15434(CN34):2
[B-/06/7D]
U154(STLT ILB TR)
24B11
24B11
24B11
24B11
Spare Input 3
Spare Input 2
Spare Input 1
Spare Input 9
Spare Input 8
Spare Input 7
Spare Input 6
Spare Input 5
Spare Input 4
1 2 3 4 5 6 7 8
A
B
C
D
E
F
Ready Switch (Lower) Lamp
EV2 Interlock Signal
EV1 Interlock Signal
Lower Magazine
Shutter Open/Close
Cylinder Valve (Open)
Upper Magazine
Shutter Open/Close
Cylinder Valve (Open)
Ready Switch (Upper) Lamp
Magazine Change Switch
(Middle Door) Lamp
Output Power

7OM-1603
5-26
U156 Component Reload Switch PCB (Lower)
4.2 Electrical Circuit Diagrams U156 Component Reload Switch PCB (Lower)
0908-001 A(M921WB---0011)
CN1
21
24B11
10B
OUTIN
X15601
:2
:6
:3
:7
:7
:2
:5
:4
:3
724 3553 427
X1562BX1562A
RX
/RX
TX
/TX
FG
FG
/TX
TX
/RX
RX
CN2BCN2A
[B-/08/6A] [B-/12/3A]
GND
GND
+5V
I/O P.C.B
STLT_TR SW1 (Lower)
U156
I/O P.C.B
STLT_TR SW1
U156
GND
7
8
9
10
11
12
13
14
15
16
17,18
19,20
1
2
3
4
5
6
CN3ACN3B CN4BCN4A
GND
+5V
7
8
9
10
11
12
13
14
15
16
17,18
19,20
1
2
3
4
5
6
GND
+5V
GND
+5V
[B-/13/4D]
(Lower)
S01
S02
S04
S03
S07
S08
S06
S05
S13
S14
S16
S15
S11
S12
S10
S09
LED01
LED02
LED04
LED03
LED07
LED08
LED06
LED05
LED13
LED14
LED16
LED15
LED11
LED12
LED10
LED09
:9
Reload Switch 1
Reload Switch 2
Reload Switch 3
Reload Switch 4
Reload Switch 5
Reload Switch 6
Material Shortage
Indicator Lamp 3
Material Shortage
Indicator Lamp 4
Material Shortage
Indicator Lamp 9
Material Shortage
Indicator Lamp 10
Material Shortage
Indicator Lamp 11
Material Shortage
Indicator Lamp 12
Material Shortage
Indicator Lamp 13
Material Shortage
Indicator Lamp 14
U157(STLT TR SW2)
X1572A(CN2A)
Material Shortage
Indicator Lamp 1
Material Shortage
Indicator Lamp 2
Material Shortage
Indicator Lamp 6
Material Shortage
Indicator Lamp 5
Reload Switch 12
Reload Switch 10
Reload Switch 9
Reload Switch 8
Reload Switch 7
Reload Switch 14
Reload Switch 13
Reload Switch 11
Reload Switch 14
All Reload Switch
Material Shortage
Indicator Lamp 7
Material Shortage
Indicator Lamp 8
Material Shortage
Indicator Lamp 15
All Reload
Indicator Lamp
U155(STLT ILB EV)
X15504(CN4)
1 2 3 4 5 6 7 8
A
B
C
D
E
F